Ankündigung

Einklappen
Keine Ankündigung bisher.

Concorde WG 300 Rounded

Einklappen
X
 
  • Filter
  • Zeit
  • Anzeigen
Alles löschen
neue Beiträge
  • walwal
    Registrierter Benutzer
    • 08.01.2003
    • 28850

    Timo, diese Variante ist von Visaton und Sebastian hat lange daran getüftelt. Ich empfehle sie, weil das bei mir und allen Varianten (Convox und die von Bigbox) auf Anhieb gefallen hat. Ich hatte auch mal versucht, das zu verbessern und habe es aufgegeben.

    Ich bin auch überzeugt, dass teilaktiv besser klingt. Weil die Rückströme aus den TT nicht den MT-Zweig stören und man einmessen/korrigieren kann. Besonders im Bass sind das Welten, was immer wieder von Forenmitgliedern bestätigt wird.

    Billiger wird es nicht, aber besser.

    Aber auch ich musste noch lange probieren bis ich völlig zufrieden war, du weißt ja, Raum und Abstrahlung....
    „Audiophile verwenden ihre Geräte nicht, um Ihre Musik zu hören. Audiophile verwenden Ihre Musik, um ihre Geräte zu hören.“

    Alan Parsons

    Kommentar

    • Timo
      Registrierter Benutzer
      • 22.06.2004
      • 10914

      Zitat von walwal Beitrag anzeigen
      Timo, diese Variante ist von Visaton und Sebastian hat lange daran getüftelt. Ich empfehle sie, weil das bei mir und allen Varianten (Convox und die von Bigbox) auf Anhieb gefallen hat. Ich hatte auch mal versucht, das zu verbessern und habe es aufgegeben.
      ich habe den Post davor genau das Gleiche geschrieben, ...

      ich würde deine Variante trotzdem nicht wählen, da meine Variante günstiger ist und weil per DSP genau deine Variante akustisch erreicht werden kann.
      ps. eine Spule sollte man noch löschen, oder hat die eine Funktion?

      Gruß Timo

      Kommentar

      • Timo VOX
        Registrierter Benutzer
        • 10.01.2009
        • 1391

        Timo ok ich gucke dann mal.
        Ich habe keine hypex, ich bereite nur den Platz im Gehäuse vor. Ich habe 3 mini DSP und 6 PA Endstufen.

        Ok also DSP für TIW mit Verstärker, DSP für AL & KE mit Verstärker und dann noch die Weiche für die MT & HT allerdings nur für die Frequenztrennung.
        So ist die DSP im HT & MT Bereich nutzbar aber die Trennung erfolgt lediglich für die MT nach unten hin, richtig?
        Klingt auch nicht verkehrt :-).

        Guck es mir nachher in ruhe an.

        walwal gucke ich mir auch an.


        Also so vom Lesen klingt das ja interessant. 2x2 Kanäle Verstärker 2x2 Kanäle mini DSP und dann passiv nur Trennen für den KE nach unten und für den AL nach oben. Rest wie Entzerrung und AL nach unten über DSP.
        Dann wäre ich wieder bei einem Tri Terminal und keinem 4rer.

        Als Bonus hat man aber auch den Vorteil das man wenn man mal das Falsche Kabel in das Terminal steckt den Hochtöner mit Bass versorgt.
        CONCORDE WG 300 Rounded
        VOX 301 Oval
        VOX 301 Center Oval
        COUPLET KE OVAL

        Mein Wohnkino

        Kommentar

        • Timo
          Registrierter Benutzer
          • 22.06.2004
          • 10914

          die Variante von Jürgen ist nachbausicherer, ... Aber jetzt hast du es verstanden, aber ich würde einfach die Bässe, jeweils zwei TIW300, paralellschalten und dann reicht EIN MiniDSP HD.

          Gruß Timo

          Kommentar

          • Timo
            Registrierter Benutzer
            • 22.06.2004
            • 10914

            ich habe noch ein einfaches Schaubild gesucht dass du es besser verstehst:

            da wo der Kondensator ist, wäre dann im teilaktiven Falle dann die passive Weiche der Simulation.

            Klicke auf die Grafik für eine vergrößerte Ansicht

Name: minidsp schaubild.JPG
Ansichten: 438
Größe: 38,1 KB
ID: 716657

            Kommentar

            • Timo VOX
              Registrierter Benutzer
              • 10.01.2009
              • 1391

              Danke,walwal hatte die Trennung der Concorde genommen richtig?

              Welche Weichenbauteile brauche ich ?
              CONCORDE WG 300 Rounded
              VOX 301 Oval
              VOX 301 Center Oval
              COUPLET KE OVAL

              Mein Wohnkino

              Kommentar

              • Timo
                Registrierter Benutzer
                • 22.06.2004
                • 10914

                Klicke auf die Grafik für eine vergrößerte Ansicht

Name: walwals vorschlag zu Timovox.JPG
Ansichten: 416
Größe: 76,7 KB
ID: 716661

                kannst du die Simulation nicht öffnen?

                Kommentar

                • Timo
                  Registrierter Benutzer
                  • 22.06.2004
                  • 10914

                  und noch die Preise bei Reichelt:
                  beim Drahtwiderstand bin ich mir unsicher, ...
                  einen 0,33 Ohm habe ich noch nicht genutzt

                  Klicke auf die Grafik für eine vergrößerte Ansicht

Name: walwals vorschlag bei Reichelt.JPG
Ansichten: 432
Größe: 114,8 KB
ID: 716663

                  der 33µF würde ich die MKS4 von Wima nehmen, die sind sehr gut und günstig, ...

                  Kommentar

                  • walwal
                    Registrierter Benutzer
                    • 08.01.2003
                    • 28850

                    Wima MKS2 reicht völlig. Oder die Audyn Q2. Spulen Backlack mit weniger r:


                    https://www.voelkner.de/products/783...4f6cf750b1f372
                    https://www.voelkner.de/products/783...cb6bf4eff5585e

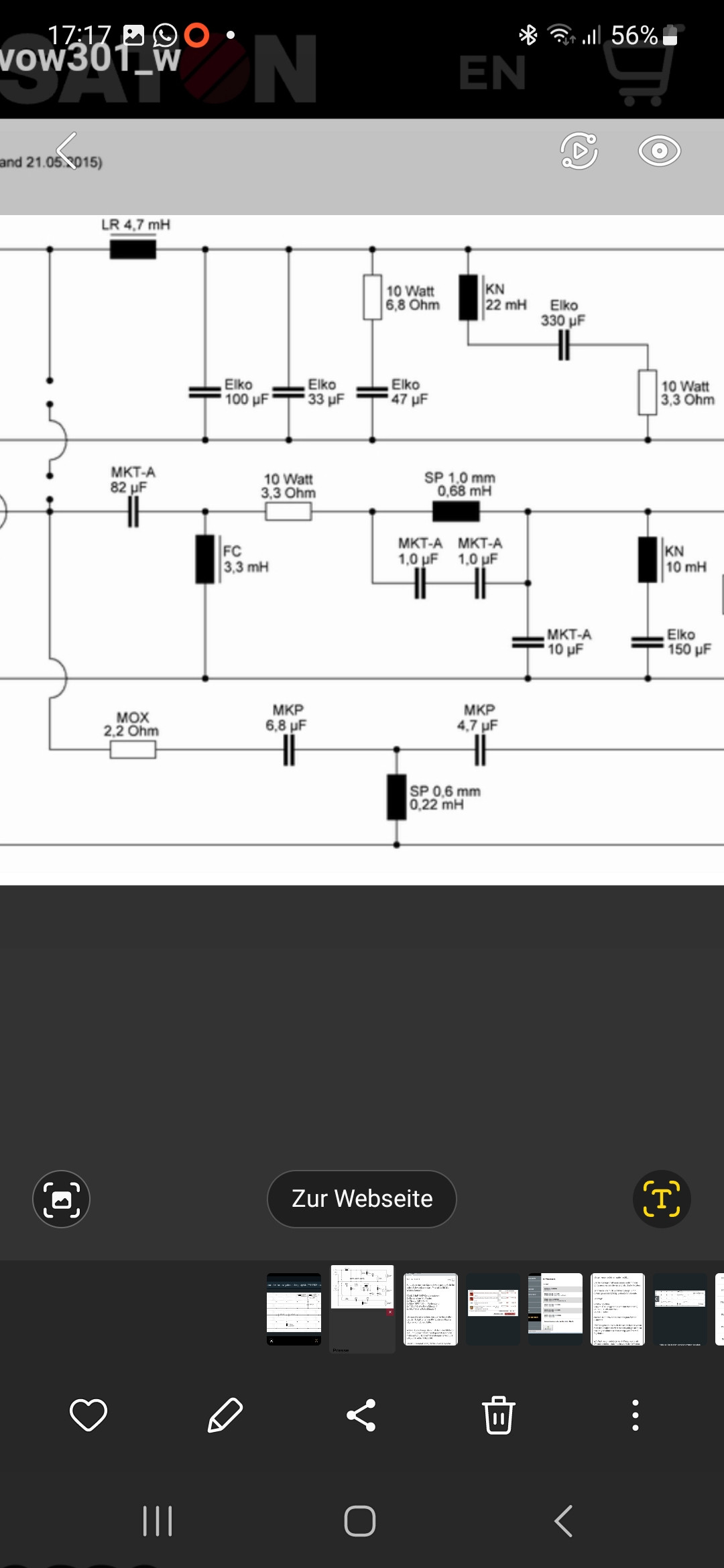
                    Die Trennung der Concorde bei 300 Hz ergibt eine perfekte Phasenlage.

                    Ich habe 3 x 1 Ohm parallel. ÖK, schön ist anders und die Folienspule hatte ich noch. Bringt nix.

                    Klicke auf die Grafik für eine vergrößerte Ansicht  Name: weiche.JPG Ansichten: 0 Größe: 935,5 KB ID: 716667
                    „Audiophile verwenden ihre Geräte nicht, um Ihre Musik zu hören. Audiophile verwenden Ihre Musik, um ihre Geräte zu hören.“

                    Alan Parsons

                    Kommentar

                    • Timo VOX
                      Registrierter Benutzer
                      • 10.01.2009
                      • 1391

                      Bin unterwegs mit Frau und Kind.


                      Und ja Intertechnik würd ich nehmen hab nun auch dicke Tritec Luftspulen usw im Ht
                      Angehängte Dateien
                      CONCORDE WG 300 Rounded
                      VOX 301 Oval
                      VOX 301 Center Oval
                      COUPLET KE OVAL

                      Mein Wohnkino

                      Kommentar

                      • Timo VOX
                        Registrierter Benutzer
                        • 10.01.2009
                        • 1391

                        Hmm das hab ich alles noch, nix zu gebrauchen mist
                        Angehängte Dateien
                        CONCORDE WG 300 Rounded
                        VOX 301 Oval
                        VOX 301 Center Oval
                        COUPLET KE OVAL

                        Mein Wohnkino

                        Kommentar

                        • Timo
                          Registrierter Benutzer
                          • 22.06.2004
                          • 10914

                          Stopp. Das ist vieeeeelllll zu teuer.

                          Kommentar

                          • Timo VOX
                            Registrierter Benutzer
                            • 10.01.2009
                            • 1391

                            Zitat von Timo Beitrag anzeigen
                            Stopp. Das ist vieeeeelllll zu teuer.
                            Ja das ist es,

                            ich habe nur solche Teile verbaut und auch noch in der garage die alten Teile, aber ich denke ehrlich gesagt es ist unsinn und es geht nu rum Trennfrequenz.

                            Ich halte nichts von Voodoo auch bei Kabeln nicht.

                            Abe rich nutze es für Filme und bei Musik meist irgend einen Elektro krams oder RnB, da ist eh die Aufnahme das Problem :-)



                            Ich gucke mir die Simu von Walwal an, aber moment Timo du schriebst du würdest die Variante nicht nehmen ?

                            Oder was verstehe ich Falsch.

                            In der Simu von walwal ist doch eine Weiche HT & MT und aktive Filter für HT&MT sowie natürlich die TT.

                            PS: Walwal war4um 3x 1Ohm und nicht 0,33, klar ist es das selbe Ergebnis aber hatte das einen anderen sinn als Teile waren vorhanden?

                            Welche der Weichen sind nun Sinnvoller?
                            Ich würde ja glatt auf das sich bereits bewerte gehen.
                            Angehängte Dateien
                            Zuletzt geändert von Timo VOX; 21.01.2024, 02:30.
                            CONCORDE WG 300 Rounded
                            VOX 301 Oval
                            VOX 301 Center Oval
                            COUPLET KE OVAL

                            Mein Wohnkino

                            Kommentar

                            • Timo VOX
                              Registrierter Benutzer
                              • 10.01.2009
                              • 1391


                              So ich hab es nun noch alles korrigiert, HT Gehäuse, Front unten Breiter wegen der fase und darauf natürlich alles einmal neu angepasst.

                              Auch die Streben sind noch weiter optimiert, Tri Terminal uvm.

                              Neu Berechnung des Volumen usw.

                              Abmessungen in der Grafik mache ich morgen, bzw. später heute :-P.

                              Anbei die aktuelle Simulation auf Walwals basis mit den aktuellen Werten welche es nun eigentlich auch bleiben sollen, Teilaktiv.


                              PS: Der Upload geht wieder nicht, so ein Mist ich ergänze es dann morgen wenn es wieder geht.
                              CONCORDE WG 300 Rounded
                              VOX 301 Oval
                              VOX 301 Center Oval
                              COUPLET KE OVAL

                              Mein Wohnkino

                              Kommentar

                              Lädt...
                              X