Ankündigung

Einklappen
Keine Ankündigung bisher.

Experience V25 geschlossen (W250S/W130S/G25FFL)

Einklappen
X
 
  • Filter
  • Zeit
  • Anzeigen
Alles löschen
neue Beiträge
  • jama
    Registrierter Benutzer
    • 19.07.2009
    • 4888

    #76
    elektrisch 6dB serie weiche
    ergibt akustisch LR2
    Angehängte Dateien
    • ’’Freiheit ist das Recht, anderen zu sagen, was sie nicht hören wollen. ‘‘ George Orwell
    • „Niemand ist frei, der nicht über sich selbst Herr ist. ‘‘ Matthias Claudius.

    deutsch ohne "sz" ABER mit fehler, tchüss! Jean-Marc.

    Kommentar

    • walwal
      Registrierter Benutzer
      • 08.01.2003
      • 28816

      #77
      Oder Bessel 2

      Passt hier besser. Ist aber ohne Belang, wie das Ding heißt.

      Zitat von walwal Beitrag anzeigen
      In der Simu von Ubix sind die Phasenbeziehungen perfekt. Ob man das nun mit LR, BW 2 oder 4 oder was ganz anderem erreicht, ist egal. Es zählt immer nur der akustische Wert.

      Bessel, Butterworth und Co

      Oft wird in Verbindung mit Filtern von Bessel, Butterworth, Tschebyscheff oder sonstigen gesprochen. Hinter all diesen Namen verbergen sich gewisse mathematische Optimierungsversuche und -richtungen bei den Filtern.

      Butterworth optimiert auf einen möglichst lang anhaltenden linearen Pegel-Frequenzgang ohne Überschwinger im Übertragungsbereich, der Phasengang spielt dabei eine untergeordnete Rolle.
      Bessel optimiert die Filterkoeffizienten auf einen möglichst linearen Phasengang um zu einer möglichst konstanten Gruppenlaufzeit zu gelangen, Abweichungen im Pegelverlauf werden dabei toleriert.
      Tschebyscheff lässt auch definierbare Welligkeiten im Übertragungsbereich zu, ermöglicht aber die größten Flankensteilheiten im Knickbereich.

      Und was hat man bei der Anwendung auf Lautsprecher davon?
      Nichts - solange man die inneren Kennwerte der Treiber nicht mitberücksichtigt!
      Und auch dann hilft es für Filterzwecke nicht wirklich. Bei Bessel und Co. geht man von einer Trennfrequenz bei -3dB aus, bei Lautsprechern muss man aber wegen der geänderten Strahlungsimpedanz die Trennung bei -6dB ansetzen. Ein Verschieben der Trennfrequenzen verändert dann aber wieder die Phasenverhältnisse im Übergangsbereich und verhindert eine saubere Addition.
      Wenn man sich bei Filtern für Lautsprecher schon auf irgendwelche Mathematiker beziehen will, dann eher auf Linkwitz-Riley. Diese Filter gehen von einer Trennung bei -6dB aus, Tief- und Hochpass addieren sich perfekt. Naja, wenn die Treiber keine Pegel- und/oder Phasenfehler hätten. Dann jedoch müsste man sich aber eigentlich auch (noch) nicht abtrennen.

      Niemand (naja, eventuell gewisse Versandhäuser) baut eine passive Universalweiche nach obigen Namen und erwartet, dass dies dann im Lautsprecher besonders gut klingen würde.
      Dazu sind die Übertragungseigenschaften der Treiber viel zu unterschiedlich. Nur wenn man das auch in der Weiche berücksichtigt, kommt man zu einem guten Ergebnis. Das ist bei aktiven (egal ob analogen oder digitalen) Weichen nicht anders. Eine für sich genommen "ideale Weiche", die aber ebenso ideale Treiber voraussetzt, ist wenig hilfreich zur Lösung realer Aufgaben.

      Was also bei irgendwelchen Filtern wirklich benötigt wird, ist die freie Einstellbarkeit von Trennfrequenz und Güte in allen Zweigen. Selbstverständlich kann man damit auch die obigen Filterausrichtungen einstellen - aber man kann eben auch jeden Zwischenwert erreichen.

      Theoretisch könnte man natürlich den einzelnen Lautsprecher zunächst mal in einer angepassten Kompensation bezüglich Frequenz- und Phasengang linearisieren. Danach könnte man dann mehrere dieser idealisierten Wege mit einer Weiche nach obiger Ausrichtung zusammenschalten. Einfacher ist es aber, die Parameter der Treiber in der Weiche zu berücksichtigen und so zu einem stimmigen Ergebnis zu kommen.



      https://hifiakademie.de/?id=6.3.7&si...EzLjE0Ni41OXwg
      „Audiophile verwenden ihre Geräte nicht, um Ihre Musik zu hören. Audiophile verwenden Ihre Musik, um ihre Geräte zu hören.“

      Alan Parsons

      Kommentar

      • walwal
        Registrierter Benutzer
        • 08.01.2003
        • 28816

        #78
        @ bag

        Nimm im HT 6,8 µF und 0,33 mH (0,6 mm), ergibt höhere Trennung (besser für den HT) und Phasenbeziehung. Der G 20 ist prima. Eventuell muss noch ein Vorwiderstand in den HT-Zweig, 1-2 Ohm, das musst du anhören und dann entscheiden, die Simu reicht nicht.

        Ist akustisch BW 3.
        Zuletzt geändert von walwal; 30.06.2019, 07:46.
        „Audiophile verwenden ihre Geräte nicht, um Ihre Musik zu hören. Audiophile verwenden Ihre Musik, um ihre Geräte zu hören.“

        Alan Parsons

        Kommentar

        • jama
          Registrierter Benutzer
          • 19.07.2009
          • 4888

          #79
          18db fuer den G20...


          @bag hast du nicht ein halliger raum ?
          Angehängte Dateien
          • ’’Freiheit ist das Recht, anderen zu sagen, was sie nicht hören wollen. ‘‘ George Orwell
          • „Niemand ist frei, der nicht über sich selbst Herr ist. ‘‘ Matthias Claudius.

          deutsch ohne "sz" ABER mit fehler, tchüss! Jean-Marc.

          Kommentar

          • walwal
            Registrierter Benutzer
            • 08.01.2003
            • 28816

            #80
            Jama, das ist fast gleich wie mein Vorschlag. Der Aufpreis für den großen C lohnt nicht.
            „Audiophile verwenden ihre Geräte nicht, um Ihre Musik zu hören. Audiophile verwenden Ihre Musik, um ihre Geräte zu hören.“

            Alan Parsons

            Kommentar

            • jama
              Registrierter Benutzer
              • 19.07.2009
              • 4888

              #81
              wenn er schon den teuereren G20 statt den SC10 nimmt,
              dann konsequent bis am ende sein
              dein vorschag verbigt den ef-gang

              und so ist auch die Phase gut


              das gesparte geld von experience v25 zu conga light kann er ein teil in die weiche stecken...
              Angehängte Dateien
              Zuletzt geändert von jama; 30.06.2019, 16:05.
              • ’’Freiheit ist das Recht, anderen zu sagen, was sie nicht hören wollen. ‘‘ George Orwell
              • „Niemand ist frei, der nicht über sich selbst Herr ist. ‘‘ Matthias Claudius.

              deutsch ohne "sz" ABER mit fehler, tchüss! Jean-Marc.

              Kommentar

              • walwal
                Registrierter Benutzer
                • 08.01.2003
                • 28816

                #82
                Ja, um 1/2 dB.

                Mir ist wurscht, wie am Ende gebaut wird. Man könnte auch das Geld in 2 Al 130 stecken, quasi Sonja grande...Weniger Klirr und besseres Sono. ja, es gibt viele Möglichkeiten.
                Zuletzt geändert von walwal; 30.06.2019, 18:55.
                „Audiophile verwenden ihre Geräte nicht, um Ihre Musik zu hören. Audiophile verwenden Ihre Musik, um ihre Geräte zu hören.“

                Alan Parsons

                Kommentar

                • bag
                  bag
                  Registrierter Benutzer
                  • 22.06.2019
                  • 94

                  #83
                  Hallo Jama, hallo Walwal,

                  danke fuer den Vorschlag und fuer Ihre Interesse!

                  Die Conga Light von Jama sieht wirklich interessant.

                  Korrekt, mein Raum ist z.Z. bischen hallig, wird aber geloest, die Behandlungen sind schon geplannt..

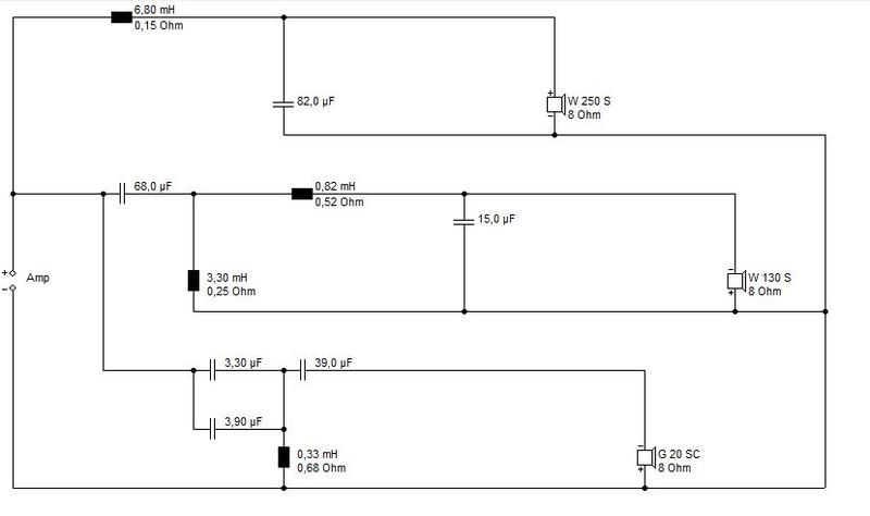
                  Wie präzis ist bitte Boxim? Kann man den Simulationen wirklich glauben / wieviel soll man nach der Konstruktion selbst "nach dem Ohr" anpassen? +/- ein Resistor oder mehr?

                  Sehen Sie bitte noch kurz die Version 2 - beide Ihre Bemerkungen sind eingearbeitet (HT Spulenwiderstand und Kap Werte nur ein bischen angepasst).

                  Ist bitte der grosse Kondensator auf dem HT wirklich technisch benoetigt? Die Version ohne ihm funktioniert phasentechnisch auch korrekt, oder?

                  War die Version 1 nicht besser?

                  Danke und gute Nacht!
                  Angehängte Dateien

                  Kommentar

                  • ubix
                    Registrierter Benutzer
                    • 26.03.2008
                    • 3709

                    #84
                    Ich würde noch aus der 3,3 mH LR Spule (28,91 €) am Mitteltöner eine 3,3 mH FC Spule machen (14,47 €) . Ist preislich für 2 Stück fast 30 € günstiger, und ergibt auch keine Nachteile.
                    Was ich nicht (auf die schnelle) gefunden habe, ist ein 39 uF Kondensator, ein 3,9 uF habe ich bei Strassacker gefunden.Oder anstatt 3,9 und 3,3 einfach 6,8 uF als Alternative?
                    Zuletzt geändert von ubix; 01.07.2019, 00:30.
                    Mit Freundlichem Gruß,

                    Ubix
                    __________________________________________________ ____

                    Spielt der Bass zu tief, kommt der Nachbar und droht mit Krieg.

                    Kommentar

                    • walwal
                      Registrierter Benutzer
                      • 08.01.2003
                      • 28816

                      #85
                      ...
                      Zitat von bag Beitrag anzeigen
                      ,,,

                      Wie präzis ist bitte Boxim? Kann man den Simulationen wirklich glauben / wieviel soll man nach der Konstruktion selbst "nach dem Ohr" anpassen? +/- ein Resistor oder mehr?

                      Boxsim hat Ungenauigkeiten und auch die Chassis, außerdem beeinflusst der Raum den Klang, also durch Hörvergleiche optimieren, Widerstände und Kondensatoren testen.

                      Sehen Sie bitte noch kurz die Version 2 - beide Ihre Bemerkungen sind eingearbeitet (HT Spulenwiderstand und Kap Werte nur ein bischen angepasst).

                      Ist bitte der grosse Kondensator auf dem HT wirklich technisch benoetigt? Die Version ohne ihm funktioniert phasentechnisch auch korrekt, oder?

                      Meine Meinung hatte ich schon geschrieben

                      War die Version 1 nicht besser?

                      Nein, da zu tief getrennt

                      Danke und gute Nacht!
                      So kannst du es bauen. Und wie ubix schreibt, die FC-Spule nehmen.
                      „Audiophile verwenden ihre Geräte nicht, um Ihre Musik zu hören. Audiophile verwenden Ihre Musik, um ihre Geräte zu hören.“

                      Alan Parsons

                      Kommentar

                      • nlcarbon
                        Registrierter Benutzer
                        • 15.02.2012
                        • 1526

                        #86
                        Kleiner Fehler:
                        -die LR Spule am W250S hat 0,43 Ohm nicht 0,18.

                        Ansonsten:
                        Die 3,3mH Spule am W130S würde ich als 0,6mm Luftspule nehmen, der höhere Innenwiderstand schadet nicht und passt von der Phase her sogar besser!

                        An der G20 einfach nur 6,8uf und 0,33mH. Eventuell noch ein R von 0,47 Ohm oder mehr versuchen.

                        Gruß Nils

                        Kommentar

                        • jama
                          Registrierter Benutzer
                          • 19.07.2009
                          • 4888

                          #87
                          6,8 mH und 3,3mH bei strassacker nehmen (billiger)

                          das projekt mit den referenzen
                          Angehängte Dateien
                          • ’’Freiheit ist das Recht, anderen zu sagen, was sie nicht hören wollen. ‘‘ George Orwell
                          • „Niemand ist frei, der nicht über sich selbst Herr ist. ‘‘ Matthias Claudius.

                          deutsch ohne "sz" ABER mit fehler, tchüss! Jean-Marc.

                          Kommentar

                          • nlcarbon
                            Registrierter Benutzer
                            • 15.02.2012
                            • 1526

                            #88
                            @jama
                            wenn günstig dann das hier

                            https://ehighend.de/shop/luftspule-0...1936f363c47df8

                            Phase btw auch besser!

                            33uF MKT gibts dort auch recht günstig:
                            https://ehighend.de/shop/330%C2%B5f-...1936f363c47df8

                            Gruß Nils

                            Kommentar

                            • ubix
                              Registrierter Benutzer
                              • 26.03.2008
                              • 3709

                              #89
                              Zitat von walwal Beitrag anzeigen
                              Ja, um 1/2 dB.

                              Mir ist wurscht, wie am Ende gebaut wird. Man könnte auch das Geld in 2 Al 130 stecken, quasi Sonja grande...Weniger Klirr und besseres Sono. ja, es gibt viele Möglichkeiten.
                              Ich plädiere am Hochton 5,6 uF, und 0,33mH. Sieht Frequenzgangmäßig sehr sauber aus der Übergang, Mittel-Hochton.
                              Mit Freundlichem Gruß,

                              Ubix
                              __________________________________________________ ____

                              Spielt der Bass zu tief, kommt der Nachbar und droht mit Krieg.

                              Kommentar

                              • walwal
                                Registrierter Benutzer
                                • 08.01.2003
                                • 28816

                                #90
                                Einspruch.

                                Damit Hat der Frequenzgang auf Achse und der Energiefg eine Senke bei 2500 Hz. Nach meinen Erfahrungen sollte der Mittelwert linear verlaufen. Aber hier ist eine Simu am Ende, man kann das ja testen, was besser klingt.
                                Angehängte Dateien
                                Zuletzt geändert von walwal; 01.07.2019, 16:15.
                                „Audiophile verwenden ihre Geräte nicht, um Ihre Musik zu hören. Audiophile verwenden Ihre Musik, um ihre Geräte zu hören.“

                                Alan Parsons

                                Kommentar

                                Lädt...
                                X