Ankündigung

Einklappen
Keine Ankündigung bisher.

Filter 0. Ordnung mit VISATON

Einklappen
X
 
  • Filter
  • Zeit
  • Anzeigen
Alles löschen
neue Beiträge
  • boxworld
    Registrierter Benutzer
    • 28.07.2006
    • 397

    Zitat von jhohm Beitrag anzeigen
    Hallo Marc,

    warum sollte ich einen Lautsprecher mit einer halben Sinuswelle messen wollen?
    In welchem Musikstück kommt soetwas vor?
    Sollte man nicht lieber auf die wichtigen Dinge der Musikreproduktion achten?

    Und wenn zeitrichtigkeit SO extrem wichtig wäre, wie Du es herausstellst, warum sind denn nicht mindestens 50% aller Lautsprecher entsprechend konstruiert?

    Gruß Jörn
    Hallo Jörn,

    zu 1.) Damit ich mich beim Messen nicht selbst betruege
    zu 2.) in nahezu jedem, einfachmal den Oszi bemuehen
    zu 3.) Gibt es was wichtigeres als das der Lautsprecher in Form von Schall das rausgibt was ich hinten rein gebe?
    zu 4.) Weil sich fuer die meisten Hersteller der Kosten / Nutzen Faktor wohl nicht lohnt oder Du fragst mal bei Thiel USA, K&H oder B&M nach. Dort erfaehrst Du auch vieleicht warum man einen solchen Aufwand betreibt wenn man es nicht hoeren kann. Vieleicht erzaehlt uns auch der Hubert etwas ueber seine Koorperation mit einem Hersteller aus Melrichstadt der auch so einen Aufwand betreibt den man spaeter dann nciht hoert.

    Gruss Marc
    Coax Hörer

    Kommentar

    • jhohm
      Registrierter Benutzer
      • 24.09.2003
      • 4527

      Ja Marc,

      in jeden Musikstück sind die KlLänge nur aus halb eingeschwungenen Sinüssen bestehend, ja ne, ist schon klar....

      Ich glaube langsam, das Audioavid ist ein besserer Ort für diese Diskussion, ich werde lieber unperfekte Musik auf unperfekten Boxen hören.
      Ich bin dann mal weg aus diesem Thread
      cu Jörn
      ...Gruß Jörn

      Kommentar

      • hreith
        Registrierter Benutzer
        • 31.07.2004
        • 608

        Hi Marc,

        "..je gehoert oder selbst mal gemessen zu haben..."
        ==> das ist ein schwaches Argument, ein sehr schwaches denn es ist genau das, welches von den Zubehörleuten immer vorgebracht wird. Man könnte ja gar nicht mitreden solange man es nicht ausprobiert habe. Auch in den ca 896 emails die mir täglich ... und .... aufschwätzen wollen werden Wunderdinge versprochen die man unbedingt mal ausprobieren muss. Ich finde es nicht verwunderlich, wenn solche Argumente bei den Lesern zu allem führen aber nicht zur Glaubwürdigkeit.
        Das Leben ist zu kurz und zu wertvoll um jeden Schei... auszuprobieren. Zumal auch nicht jeder mal einfach so in die Kiste greifen und genau deinen Aufbau nachvollziehen kann. Ich denke, da sind deine Erwartungen an die Reaktion der Mitmenschen deutlich überzogen. Dein Ideenreichtum ist ja schon ok, aber an deinem Marketing solltest du nachbessern.

        Ich hatte ja schon vom meinem 2Wegerich mit dem Vifa geschrieben der eine ähnliche Weiche hat und einen anderen 2Wegerich mit Scan-Treibern habe ich auch noch rumstehen der ebenfalls eine extrem flache Weiche hat (Sperrkreis vor dem TT, RC vor dem HT). Das hängt aber auch damit zusammen, dass ich kein Lauthörer bin, dass ich keine Frequenzweichenbauteile auf Lager habe und dass ich bei passiven Weichen sowieso eher zum Mimimum neige. Eine größere Überlegenheit würde ich dem nicht zusprechen weil ich das mangels Vergleichslösungen gar nicht beurteilen kann. Und einen Missionatstrieb habe ich diesbezüglich auch nicht entwickelt.

        Kommentar

        • FoLLgoTT
          Registrierter Benutzer
          • 01.02.2002
          • 699

          Zitat von boxworld Beitrag anzeigen
          was ich hier kritisiere ist das versucht wird sich ein Urteil zu bilden ohne diesen Lautsprecher je gehoert oder selbst mal gemessen zu haben.
          Wie wichtig Zeitrichtigkeit ist, kann jeder selbst ausprobieren. Ich habe es vor längerer Zeit getan und weiß, dass dieser Parameter praktisch irrelevant ist. Und ja, durch Messungen wurde verifiziert, dass das Programm funktioniert.


          Achtung: Einsturzgefahr für Luftschlösser!
          Gruß
          Nils

          Meine Entwicklungen & Untersuchungen

          Kommentar

          • Timo
            Registrierter Benutzer
            • 22.06.2004
            • 10689

            hallo,
            vom 15.01 bis zum 19.01 immerhin 125 posts geschrieben, scheint wohl was interessantes drin zu stehen, ... dachte ich, ... immer mal wieder lese ich rein, ... innerhalb der tage immer mal wieder ellenlange posts und erklärungen, ... um ehrlich zu sein, meiner meinung nach nichts handfestes, nur so viel, dass es wohl um eine simulierte passivbox geht, einem zweiwegerich mit extrem flacher trennung, noch nichtmals vermessen, oder zumindest hier nicht vorgestellt, oder habe ich was übersehen, ... und? was ist da so toll dran, ... mit meiner aktivelektronik kann ich fast jede filtersteilheit ausprobieren und gegenchecken, ... auch zeitrichtige lautsprecher kann ich einstellen, und? was ist nun mit dem komischen passiven zweiwegerich hier?

            ich kann nur so viel sagen dass mir sehr flache filtertrennungen auch schon in der passiven zeit nicht gefallen haben, sehr steile hingegen schon, ich trenne zur zeit nicht unter 24 dB/okt, teilweise sogar mit 48 dB aktiv.

            was das ganze thema jetzt mit "Filter 0. Ordnung mit VISATON" zu tun hat frage ich mich die ganze zeit, ... soviel ich noch aus meiner studienzeit herausdeute, hat die vorgestellte box nicht das geringste mit dem threadtitel zu tun. somit thema verfehlt, somit note sechs, setzen und thread löschen, ...

            ich dachte immer das visatonforum schiebt solchen unnötigen threads den riegel vor und macht ihn endlich dicht, ...

            trotzdem wollte ich hreith danken, denn da so ruhig zu bleiben und dann noch so sachlich, hut ab, ...

            gruß timo

            Kommentar

            • raphael
              Registrierter Benutzer
              • 10.05.2001
              • 3491

              Jajaja jetzt wird erstmal das gesammelt Halbwissen zu "Zeitrichtigkeit" ausgepackt.
              Zunächst, ich glaube, worauf Marc eigentlich hinaus will mit der halben Sinusschwingung ist das Transientenverhalten. MIt Transienten meine ich die nicht-stationären Anteile im Musiksignal, die es in der Tat wirklich gibt. Reine Sinussignale kommen eigentlich nur in elektronischer Musik vor, jedes akustische Instrument weist irgendwie ein Anblas-, Anschlag- oder Anrißgeräusch auf, bei dem kurze dafür aber sehr energiereiche Impulse vorkommen. Interessant ist jetzt, daß wir Menschen aber genau diese Transienten benötigen, um ein Instrument zu identifizieren. D.h. spielt man Versuchspersonen nur den stationären Teil (wo das Signal annähernd eine Summe aus Sinusschwingungen ist) z.B. eines Flötentones vor, sind diese nicht mehr in der Lage, die Flöte als Flöte zu identifiezieren. So, bishier hin alles Prolog. Interessant ist, daß wenn die Transientenwiedergabe durch eine ungünstige Stoßantwort des Gesamtsystems "verwaschen" wird, wir Menschen ab einem gewissen Grad den Klang ebenfalls nicht mehr als natürlich empfinden. Das ist allerdings nur der Fall, wenn die beiden Treiber im Übernahmebereich auseinanderlaufen, Phasenverschiebungen über das gesamte Spektrum hingen scheinen nicht kritisch zu sein, solange sie für alle Treiber gleich ist bzw. nur noch ein Treiber nennenswert Schall erzeugt.
              Heißt also, nur auf einen linearen Frequenzgang zu achten, ist auch nicht der Weisheit letzter Schluß.
              So, merkt ihr was? War da nicht mal eine "Regel" von wegen Phasengleichheit im Übernahmebereich bei klassischen Weichen, oder wie war das mit dem Phasenverhalten bei einer Linkwitzweiche? Vielleicht einfach mal andersherum denken, was das Verhalten noch bewirken könnte.
              Und schließlich wie definiert sich Zeitrichtigkeit? Jch habe schon zwei Definitionen gelesen:
              a) Das Gesamtsystem weißt keinerlei Phasendrehung auf.
              b) Das Gesamtsystem weißt keinen zeitlich Versatz zwischen den Treibern auf.
              Für welche entscheiden wir uns?

              Raphael
              There are 10 types of people: Those that understand Binary and those that don't.

              T+A SACD 1245R, Sony DVP-NS305, AppleTV (2G), Marantz SR5200,
              2x Pass Aleph-X 70W (DIY)
              LS mit Visaton:
              RiPol (2xTIW400)
              Nothung (2x W170S+CD-Horn, vollaktiver Lautsprecher)
              Troll (W100S+KTN25F Koaxlautsprecher)

              Kommentar

              • Fosti
                Registrierter Benutzer
                • 18.01.2005
                • 3195

                @ Hubert

                Du hast sowas von meinen Respekt für Deine Geduld!!! Ist es das wert? Du und ich (und einige andere hier selbstverständlich auch) wissen, wie eine ideale Impuls- oder Sprungantwort aussieht und Alles (!!!) hier vorgestellte ist davon meilenweit entfernt. Und wir wissen auch warum die ideale Sprungantwort bei einem LS auch gar nicht möglich ist und bis zu einem bestimmten Grad sogar (und glücklicherweise!) psychoakustisch sch...egal ist. Das kann man sogar mit probieren statt studieren rausbekommen

                Um noch eine Antwort auf meine Frage oben zu geben: Ja, ist es! Denn es gibt genug begeisterte unseres Hobbies die ermutigt werden sollten, eben nicht solchen Moden bedingungdslos zu verfallen.

                Ich finde auch die Beleidigung, die von einem Forenuser gegenüber FH-Ingenieuren ausgesprochen wurde höchst verwerflich. Eigentlich müsste man darüber nachdenken sein/ihr (Uni-?) Diplom wieder aberzukennen. Hält er/sie sich für was besseres? Wenn "soft-skills" mal wirklich prüfungsrelevant werden, ist so eine Äußerung mehr als mangelhaft!
                Ich stimme ansonsten dafür, deinen Nick in "Cato" zu ändern; derjenige, der im Senat immer mit "...im übrigen bin ich der Meinung, dass MEG gehört werden muss!" geschlossen hat . (copyright by mechanic)

                Kommentar

                • Fosti
                  Registrierter Benutzer
                  • 18.01.2005
                  • 3195

                  Zitat von raphael Beitrag anzeigen
                  Jajaja jetzt wird erstmal das gesammelt Halbwissen zu "Zeitrichtigkeit" ausgepackt.
                  Zunächst, ich glaube, worauf Marc eigentlich hinaus will mit der halben Sinusschwingung ist das Transientenverhalten. MIt Transienten meine ich die nicht-stationären Anteile im Musiksignal, die es in der Tat wirklich gibt. ...

                  Raphael
                  Wir waren doch schon bei der Sprungantwort. Ist das keine Transiente? Warum jetzt noch ein abgeschnittener Sinus?

                  ....und im Übrigen bin ich der Meinung für Aberkennen!
                  Ich stimme ansonsten dafür, deinen Nick in "Cato" zu ändern; derjenige, der im Senat immer mit "...im übrigen bin ich der Meinung, dass MEG gehört werden muss!" geschlossen hat . (copyright by mechanic)

                  Kommentar

                  • Fosti
                    Registrierter Benutzer
                    • 18.01.2005
                    • 3195

                    Oder so: Sag mir mal eine Frequenz, die bei einem Sprung gegenüber einem abgeschnittenen Sinus fehlt?
                    Ich stimme ansonsten dafür, deinen Nick in "Cato" zu ändern; derjenige, der im Senat immer mit "...im übrigen bin ich der Meinung, dass MEG gehört werden muss!" geschlossen hat . (copyright by mechanic)

                    Kommentar

                    • boxworld
                      Registrierter Benutzer
                      • 28.07.2006
                      • 397

                      Hallo Raphael,

                      ich habe mich fuer die unten abgebildete Version entschieden,klingt aber schlecht da diese ja eigentlich gar nicht funktioniert

                      @alle

                      Wie Raphael schon schrieb dient der ganze Zirkus der Transientenwiedergabe, oder wie ein unermuelticher Tueftler aus Melrichstadt zu sagen pflegt der Ortung der ersten Wellenfront die uns evolutionaer erhalten geblieben ist und vor vielen Jahren unser ueberleben gesichert hat (aber das ist eine andere Geschichte).
                      Jeder kennt das sicher das wenn man einen Sinuston als Dauersinus anschaltet dieser im eingeschwungenen Zustand im Raum kaum noch zu orten ist, das Geraeusch eines brechenden Astes im Wald verraet uns aber in einem bruchteil einer Sekunde dessen Position.
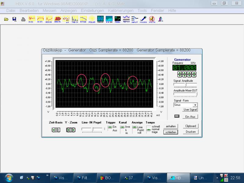
                      Der zweite Punkt ist das bei jedem Musiktitel solche Halbsinus durch ueberlagerungen entstehen die ja bekanntermassen bis zum Rechsignal aufaddieren koennen. Unten mal das eingefrorene Oszibild von Keith dont go - Nils Lofgren, die gemeinten Transienten sind mit einem Kreis markiert.

                      Was ich mir dadurch erhoffe ist eine konstruktive Diskussion und Ideen wie man diesem Ziel noch naeher kommen kann (aber bitte passiv).

                      Beim unten gezeigten Lautsprecher ist der Hochtoener wieder verpolt, das hat aestetische Gruende weil mir keine Schallwand gefaellt die einen Versatz zum Hochtoener hat oder schraeg steht.

                      Gruss Marc
                      Angehängte Dateien
                      Coax Hörer

                      Kommentar

                      • boxworld
                        Registrierter Benutzer
                        • 28.07.2006
                        • 397

                        Zitat von Fosti Beitrag anzeigen
                        @ Hubert

                        Du hast sowas von meinen Respekt für Deine Geduld!!! Ist es das wert? Du und ich (und einige andere hier selbstverständlich auch) wissen, wie eine ideale Impuls- oder Sprungantwort aussieht und Alles (!!!) hier vorgestellte ist davon meilenweit entfernt. Und wir wissen auch warum die ideale Sprungantwort bei einem LS auch gar nicht möglich ist ...
                        Wie interessant das von einem Ingenieur zu lesen,
                        meilenweit ist das erste Bild entfernt und das zweite?
                        So langsam fange ich an hier nach der verstedckten Kamera zu suchen....

                        Gruss Marc
                        Angehängte Dateien
                        Coax Hörer

                        Kommentar

                        • Fosti
                          Registrierter Benutzer
                          • 18.01.2005
                          • 3195

                          Zitat von boxworld Beitrag anzeigen
                          Wie interessant das von einem Ingenieur zu lesen,
                          meilenweit ist das erste Bild entfernt und das zweite?
                          So langsam fange ich an hier nach der verstedckten Kamera zu suchen....

                          Gruss Marc
                          So ist es: meilenweit! Wie sieht eine ideale Sprungantwort aus?
                          Ich stimme ansonsten dafür, deinen Nick in "Cato" zu ändern; derjenige, der im Senat immer mit "...im übrigen bin ich der Meinung, dass MEG gehört werden muss!" geschlossen hat . (copyright by mechanic)

                          Kommentar

                          • jama
                            Registrierter Benutzer
                            • 19.07.2009
                            • 4888

                            Zitat von boxworld Beitrag anzeigen
                            So langsam fange ich an hier nach der verstedckten Kamera zu suchen....

                            Gruss Marc
                            manche haben aber gleich die versteckte 6db weiche (am TMT) mit impedanz korrektur,zwei saugkreise und ein bypass von 20ohm auf der spule gleich entdeckt...

                            reden von o.ordnung ist ein bischen schwindel ;höchstens könnte man das
                            filter "MPD" nennen...
                            MinimalPhaseDrehung
                            • ’’Freiheit ist das Recht, anderen zu sagen, was sie nicht hören wollen. ‘‘ George Orwell
                            • „Niemand ist frei, der nicht über sich selbst Herr ist. ‘‘ Matthias Claudius.

                            deutsch ohne "sz" ABER mit fehler, tchüss! Jean-Marc.

                            Kommentar

                            • boxworld
                              Registrierter Benutzer
                              • 28.07.2006
                              • 397

                              Zitat von Fosti Beitrag anzeigen
                              Oder so: Sag mir mal eine Frequenz, die bei einem Sprung gegenüber einem abgeschnittenen Sinus fehlt?
                              Oder so: zeig mir anhand der Sprungantwort ab welcher Frequenz der Hochtoener dem Mitteltoener um eine halbe Periode voreilt.
                              Dieses mal geht es nicht um Fourier sondern um die Startzeitverzoegrung bezogen auf die Frequenz.
                              Coax Hörer

                              Kommentar

                              • boxworld
                                Registrierter Benutzer
                                • 28.07.2006
                                • 397

                                Zitat von Fosti Beitrag anzeigen
                                So ist es: meilenweit! Wie sieht eine ideale Sprungantwort aus?
                                Loopantwort der Soundkarte, genauso wie das zweite Bild. Wie denn sonst?
                                Coax Hörer

                                Kommentar

                                Lädt...
                                X