Weiche habe ich noch nicht eingebaut. Bilder folgen.

Habe die Boxen jetzt mal verpolt - und siehe da, der Yamaha findet keine "out of phase" mehr beim Einmessen. Da ich die Weichen eh noch mal ablöten muss, werde ich die Polung noch ändern.
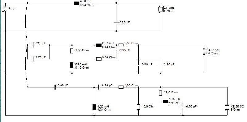
Was mir bei der Weiche durchgegangen ist: Schaut bitte mal auf meine Spulenpositionen. Ich hatte gedacht, Luftspulen (die kleinen an den Rändern) lassen sich nicht durch die anderen Spulen stören. Stimmt das? Ansonsten sollte ich die beiden wohl drehen, oder flach hinlegen, bevor ich die Weichen final einbaue.
Gibt es Einfluss?
Jetzt kommt nur noch Feinschliff, denn es klingt wirklich schon gut!! Bin sehr froh!
Übrigens kann ich die Simu von ubix nicht öffnen, Boxsim meckert über Fehler...?
Kommentar