Ankündigung

Einklappen
Keine Ankündigung bisher.

3-Weger: G20SC + AL130 + ???

Einklappen
X
 
  • Filter
  • Zeit
  • Anzeigen
Alles löschen
neue Beiträge
  • walwal
    Registrierter Benutzer
    • 08.01.2003
    • 28829

    #31
    Ich hatte Sonja und die Concorde nebeneinander stehen,

    mehrere Personen haben mit Umschalten Hörvergleiche gemacht. Ergebnis. Nicht viel Unterschied, Sonja klang etwas natürlicher (die Concordeweiche wurde danach optimiert), sie kann nicht so laut im Bass, reicht aber völlig.

    Wer mehr Höhen will, macht den 1 Ohm-Vorwiderstand weg.
    „Audiophile verwenden ihre Geräte nicht, um Ihre Musik zu hören. Audiophile verwenden Ihre Musik, um ihre Geräte zu hören.“

    Alan Parsons

    Kommentar

    • Klampfi
      Registrierter Benutzer
      • 02.02.2007
      • 416

      #32
      ah, danke für die Ausführungen...

      Und spitze Höhen sind mir wahrlich ein Graus, die Sonja ist da wirklich ein unaufdringlicher und angenehm klingender Gefährte. Wie gesagt, am BR muss ich noch mal bei, 76qcm Öffnungsfläche bei 18cm Länge sind wohl zuviel. Den Kanal zuzustopfen, hat mir kein zufriedenstellendes Ergebnis gebracht.

      Eines verstehe ich nur nicht: Wenn Du ohnehin mit dem Gedanken spielst, "aufzurüsten", warum dann nicht doch ein paar Taler mehr investieren, mit der Option, nicht gleich in ein neues Gehäuse investieren zu müssen...

      Meine letzte Klangbeschreibung in der Galerie ist nicht gerade vorteilhaft ausgefallen und möchte das an dieser Stelle revidieren und schließe mich walwal an

      Sonja klingt angenehm und sehr natürlich.
      Gruß,
      Erik...

      Kommentar

      • walwal
        Registrierter Benutzer
        • 08.01.2003
        • 28829

        #33
        Bei Sonja ist der BR-Kanal am Boden, hinten. Breite 23, Höhe 5,5, Länge 15 cm.

        Wenn man sich nicht an meine Vorgaben hält, kann es nix werden.

        Gürteltier: Nimm besser diese Abstimmung, nicht diejenige, die ich dir geschickt habe, ist anscheinend nur theoretisch gut. Kannst ja auch ein 2 cm dickes Brett in den BR-Kanal legen zur tieferen Abstimmung, das geht fix und kost nix.
        „Audiophile verwenden ihre Geräte nicht, um Ihre Musik zu hören. Audiophile verwenden Ihre Musik, um ihre Geräte zu hören.“

        Alan Parsons

        Kommentar

        • Klampfi
          Registrierter Benutzer
          • 02.02.2007
          • 416

          #34
          Wenn man sich nicht an meine Vorgaben hält, kann es nix werden.
          jaja, so ist dat, wenn de jungen Lüt nich up de olden hören kunnt...

          Kommentar

          • walwal
            Registrierter Benutzer
            • 08.01.2003
            • 28829

            #35
            Genau!

            Die Jungen glauben, dass die Alten Narren sind.
            Die Alten wissen, dass die Jungen Narren sind.

            (Chinesisches Sprichwort).

            Ich seh das aber nicht so eng.
            „Audiophile verwenden ihre Geräte nicht, um Ihre Musik zu hören. Audiophile verwenden Ihre Musik, um ihre Geräte zu hören.“

            Alan Parsons

            Kommentar

            • gürteltier
              Registrierter Benutzer
              • 08.10.2008
              • 268

              #36
              Zitat von Klampfi Beitrag anzeigen
              Eines verstehe ich nur nicht: Wenn Du ohnehin mit dem Gedanken spielst, "aufzurüsten", warum dann nicht doch ein paar Taler mehr investieren, mit der Option, nicht gleich in ein neues Gehäuse investieren zu müssen...
              Dieser Ausführung kann ich jetzt nicht so ganz folgen? Nähere Erklärung bitte

              Kommentar

              • Klampfi
                Registrierter Benutzer
                • 02.02.2007
                • 416

                #37
                Für den Fall, später doch einen GF oder Al verwenden zu wollen, kämst du wegen der unterschiedlichen Durchmesser nicht drum herum, das Gehäuse zu ändern oder aber eben ein neues zu bauen...

                Kommentar

                • Rainer_G
                  Registrierter Benutzer
                  • 13.08.2008
                  • 691

                  #38
                  Nicht schlecht finde ich die Kombination AL 130 + G20 SC beschaltet wie die Sonja und 2 Stck. W 170 S 8 Ohm als TT (kosten ca. 50 Euro zusammen). Verbindet den angenehmen Klang der Sonja mit etwas mehr Bassdruck und sieht durch die schmale Form noch gut aus.
                  Gruß Rainer
                  Angehängte Dateien
                  Gruß Rainer

                  Kommentar

                  • walwal
                    Registrierter Benutzer
                    • 08.01.2003
                    • 28829

                    #39
                    Ja, wäre gut, diese Alto 3 Maxi.

                    Ist nur etwas verstärkerkritischer weg. Impedanz.
                    „Audiophile verwenden ihre Geräte nicht, um Ihre Musik zu hören. Audiophile verwenden Ihre Musik, um ihre Geräte zu hören.“

                    Alan Parsons

                    Kommentar

                    • gürteltier
                      Registrierter Benutzer
                      • 08.10.2008
                      • 268

                      #40
                      Hm...also so langsam komme ich doch etwas ins straucheln...irgendwie weiß ich garnicht, was ich mir jetzt wirklich bauen soll

                      Es gibt viele gute Vorschläge und ich bin auch sehr dankbar für die wirklich super Unterstützung seitens des Forums.

                      Ich werde wohl nochmal ganz stark in mich gehen müssen. Und dann hoffentlich eine Entscheidung treffen können.

                      Gruß,
                      Steffen

                      Kommentar

                      • Rainer_G
                        Registrierter Benutzer
                        • 13.08.2008
                        • 691

                        #41
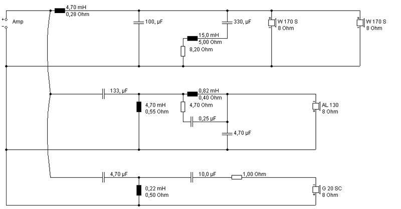
                        Eine tiefere Anbindung der 2 W 170S-8 erhöht die min. Impedanz auf 3,5 Ohm und ist damit verstärkerunkritisch.
                        Gruß Rainer
                        Angehängte Dateien
                        Gruß Rainer

                        Kommentar

                        • walwal
                          Registrierter Benutzer
                          • 08.01.2003
                          • 28829

                          #42
                          Die Möglichkeit, Dateien einfach einzustellen, ist Klasse!

                          Ja, sieht gut aus. Ich würde die Imp-Komp- im TT ohne den Zusatzwiderstand machen, sieht noch besser aus!
                          „Audiophile verwenden ihre Geräte nicht, um Ihre Musik zu hören. Audiophile verwenden Ihre Musik, um ihre Geräte zu hören.“

                          Alan Parsons

                          Kommentar

                          • gürteltier
                            Registrierter Benutzer
                            • 08.10.2008
                            • 268

                            #43
                            So langsam kommen wir ja dann auf eine Atlantis-Light raus

                            Kommentar

                            • poor but loud
                              Registrierter Benutzer
                              • 09.11.2006
                              • 546

                              #44
                              Mit dem Unterschied, dass immer noch ein ähnlicher Mitteltöner (AL 130) eingesetzt wird wie in der originalen Atlantis (AL 130 M). Das passt optisch nicht ideal. Technisch auch nicht, weil der 20-mm-Hochtöner relativ hoch angekoppelt werden möchte; auch die sehr unterschiedliche Härte der Membranwerkstoffe wird mitunter als Hindernis für klangliche Homogenität angesehen. Damit liegt ein W 100 S als Mitteltöner nahe.

                              @gürteltier: Wenn das Geld partout nicht für neue Mitteltöner reicht, würde ich die beiden 17er durch einen einzigen 20er ersetzen. Je nach Breite des Gehäuses und der Fasen bzw. Radien der Schallwandabrundung steht dann dessen Korb etwas vor. Man kann aber auch die Schallwand aufdoppeln und den 20er so tief einfräsen, dass er seitlich nicht mehr vorsteht. (Ideal wären Körbe, die in der Aufsicht genau so gerundet sind wie die Schallwand, wie es der Fertigboxenhersteller Mission vor geraumer Zeit vorgemacht hat. Nun kann unsereins zwar keine Tieftönerkörbe herstellen, aber wie wäre es mit der Anfertigung zweier Zierringe, die dieser Optik folgen? Geschickten Selbstbauern fällt sicher eine Möglichkeit ein, wie sich so etwas realisieren lässt.) Oder Du fertigst schräge Fasen wie bei der Sonja an.

                              Die beiden AL 130 legst Du dann für ein späteres Projekt beiseite. Andere Möglichkeit: Hast Du schon einmal über den Verkauf der AL 130 nachgedacht?
                              Zuletzt geändert von poor but loud; 19.10.2008, 11:43.
                              Moden kommen und gehen. Manche Moden kommen sogar wieder. Nur die Raummoden sind unsterblich.

                              Kommentar

                              • Rainer_G
                                Registrierter Benutzer
                                • 13.08.2008
                                • 691

                                #45
                                Also optisch finde ich die Kombination garnicht so krass. Schau mal hier:
                                http://www.visaton.de/vb/showthread.php?t=17961

                                Gruß Rainer
                                Gruß Rainer

                                Kommentar

                                Lädt...
                                X