Ankündigung

Einklappen
Keine Ankündigung bisher.

Bandpass namens Palisander

Einklappen
X
 
  • Filter
  • Zeit
  • Anzeigen
Alles löschen
neue Beiträge
  • jama
    Registrierter Benutzer
    • 19.07.2009
    • 4888

    #61
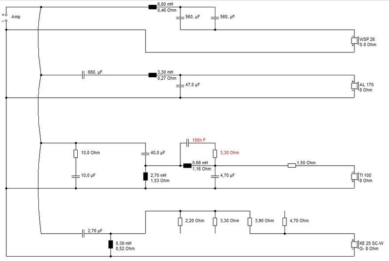
    100 nF nehmen statt 330 nF (in rot)
    Angehängte Dateien
    • ’’Freiheit ist das Recht, anderen zu sagen, was sie nicht hören wollen. ‘‘ George Orwell
    • „Niemand ist frei, der nicht über sich selbst Herr ist. ‘‘ Matthias Claudius.

    deutsch ohne "sz" ABER mit fehler, tchüss! Jean-Marc.

    Kommentar

    • ubix
      Registrierter Benutzer
      • 26.03.2008
      • 3697

      #62
      Zitat von goofy_ac Beitrag anzeigen
      Im Anhang meine aktuelle Version mit korrigierten Volumen, Gehäuseabmessungen und kaufbaren Werten für die Weichenbauteile

      Einen schönen Abend wünsche ich Dir
      Diese riesigen Kondensatorwerte vor dem AL 170 ?
      Angehängte Dateien
      Mit Freundlichem Gruß,

      Ubix
      __________________________________________________ ____

      Spielt der Bass zu tief, kommt der Nachbar und droht mit Krieg.

      Kommentar

      • ubix
        Registrierter Benutzer
        • 26.03.2008
        • 3697

        #63
        Oder so
        Angehängte Dateien
        Mit Freundlichem Gruß,

        Ubix
        __________________________________________________ ____

        Spielt der Bass zu tief, kommt der Nachbar und droht mit Krieg.

        Kommentar

        • jama
          Registrierter Benutzer
          • 19.07.2009
          • 4888

          #64
          nicht gut !


          mit 100 nanoF und 3,3ohm ist es besser
          Angehängte Dateien
          • ’’Freiheit ist das Recht, anderen zu sagen, was sie nicht hören wollen. ‘‘ George Orwell
          • „Niemand ist frei, der nicht über sich selbst Herr ist. ‘‘ Matthias Claudius.

          deutsch ohne "sz" ABER mit fehler, tchüss! Jean-Marc.

          Kommentar

          • goofy_ac
            Registrierter Benutzer
            • 17.02.2018
            • 1198

            #65
            Stimmt, Danke! Das wurde ganz am Anfang schon ins Rennen geworfen, um die Resonanzen auf dem Ti zu unterbinden - ist korrigiert

            Viele Grüße - Axel

            Kommentar

            • goofy_ac
              Registrierter Benutzer
              • 17.02.2018
              • 1198

              #66
              Noch eine Verständnisfrage zur Korrektur - welche Funktion hat der 3,3Ohm Widerstand am 100nF?

              Viele Grüße - Axel

              Kommentar

              • jama
                Registrierter Benutzer
                • 19.07.2009
                • 4888

                #67
                ich würde die kondis vor dem WSP26 und dem AL170 ganz weg lassen

                Angehängte Dateien
                • ’’Freiheit ist das Recht, anderen zu sagen, was sie nicht hören wollen. ‘‘ George Orwell
                • „Niemand ist frei, der nicht über sich selbst Herr ist. ‘‘ Matthias Claudius.

                deutsch ohne "sz" ABER mit fehler, tchüss! Jean-Marc.

                Kommentar

                • goofy_ac
                  Registrierter Benutzer
                  • 17.02.2018
                  • 1198

                  #68
                  Den elektrischen am akustischen Bandpass fasse ich nicht an, den hat mir Pulsar so ausgelegt

                  Hab die KE noch ein wenig höher getrennt, schaut glaube ich besser aus - aber das wird dann die Phase nach dem Gehäusebau entscheiden

                  Danke vorerst!
                  Angehängte Dateien

                  Viele Grüße - Axel

                  Kommentar

                  • pulsar99
                    Registrierter Benutzer
                    • 03.12.2007
                    • 826

                    #69
                    Zitat von goofy_ac Beitrag anzeigen
                    dabei ist mir denn aufgefallen, dass ich für die Al170 (6L) und Ti100 (1,5L) vollkommen unsinnige Volumina umgesetzt habe.
                    Hallo Axel,

                    wofür willst du denn die großen Volumina haben? Wenn sogar Visaton selbst den AL170 in ein 3,5 Liter Gehäuse steckt (siehe VIB 170 BP), dann sollten deine 6 Liter doch locker reichen. Zumal das Volumen mit dem Hochpasskondi zusammen ja ein GHP System beschrieb.

                    Grüße Ralf

                    Kommentar

                    • goofy_ac
                      Registrierter Benutzer
                      • 17.02.2018
                      • 1198

                      #70
                      Hi Ralf

                      Danke Dir für Deine Einschätzung

                      Ich hab so langsam das Problem, dass ich nicht ans Bauen komme (Arbeitgeber spannt mich nahezu 24/7 ein). Je länger ich über mein Projekt nachdenke, vergleiche, zu verstehen versuche, was Euch zu der einen oder anderen Sichtweise in Euren Projekten treibt, umso öfter ertappe ich mich dabei, mich nicht mehr an die Beweggründe für die eine oder andere Entscheidung in meinem erinnern zu können (kann aber auch vom Alter herrühren ). Ist gut möglich, dass ich mich beim ersten Volumenansatz an der VIB orientiert habe

                      In der letzten Zeit kamen immer wieder Kommentare in anderen Threads auf, dass bei zu kleinem Volumen ein leistungsfähiges Chassis mechanisch zu hoch belastet werden kann, durch Gegendruck (harte Feder), thermisch (zu wenig Bewegung, zu kleiner Kühlluftstrom). Explizite Suche nach diesem Thema hat dann noch mehr Beiträge hervorgebracht... Das hat mich angeregt, meine Palisander zu hinterfragen, Neues auszuprobieren - rein in der Simulation natürlich. Anhalt waren die Volumen-Empfehlungen seitens Visaton in den Datenblättern. Einschätzen kann ich das von meiner Seite aus natürlich nicht!
                      Naja, und da ich mit 20mm mehr Bautiefe, was wirklich nicht viel wäre, diese Volumina erreichen könnte, hab ich es in meinem CAD-Modell mal umgesetzt. Und ja, zurückspringen kann ich sofort, hab Backups ohne Ende auf meiner Platte Bevorzugen würde ich glaube ich das kleinere Volumen, da ich dann auf jeden Fall mit meinen Furnier-Vorräten hinkommen werde

                      GHP - geschlossen Hochpass - ist doch lediglich eine Weiche mit 6dB Hochpass? Warum nimmt diese Kombi so eine Sonderrolle in der Namensgebung ein?

                      Also, ich frage
                      - Al170 weitermachen mit 6L oder 10L?
                      - TI100 bei 1,5L belassen oder erhöhen auf 2,8L?

                      Bin dankbar für jede Anregung

                      Viele Grüße - Axel

                      Kommentar

                      • pulsar99
                        Registrierter Benutzer
                        • 03.12.2007
                        • 826

                        #71
                        Zitat von goofy_ac Beitrag anzeigen
                        In der letzten Zeit kamen immer wieder Kommentare in anderen Threads auf, dass bei zu kleinem Volumen ein leistungsfähiges Chassis mechanisch zu hoch belastet werden kann, durch Gegendruck (harte Feder), thermisch (zu wenig Bewegung, zu kleiner Kühlluftstrom). Explizite Suche nach diesem Thema hat dann noch mehr Beiträge hervorgebracht... Das hat mich angeregt, meine Palisander zu hinterfragen, Neues auszuprobieren - rein in der Simulation natürlich. Anhalt waren die Volumen-Empfehlungen seitens Visaton in den Datenblättern. Einschätzen kann ich das von meiner Seite aus natürlich nicht!
                        Das ist so lange ok wie das Chassis im Bassbereich eingesetzt wird. Bei deiner Palisander ist der AL170 aber ein Grundtöner und wird schon elektrisch entlastet. Dazu: mit hinterlüfteter Zentrierung und Polkernbohrung, was soll dem denn passieren? Ich würde 5 Liter nehmen, dazu 330µF Hochpasskondensator und eine Spule mit höherem Gleichstromwiderstand.
                        Der limitierende Faktor, was Maximalpegel angeht, bleibt der WSP26S.

                        GHP - geschlossen Hochpass - ist doch lediglich eine Weiche mit 6dB Hochpass? Warum nimmt diese Kombi so eine Sonderrolle in der Namensgebung ein?
                        Die Besonderheit liegt darin dass es eine (gewünschte) Wechselwirkung des Kondensators mit der Impedanz des Treibers gibt. Ein Chassis welches in einem eigentlich zu kleinen geschlossenen Gehäuse eingebaut wird, wird eine Schalldruck Überhöhung im Bereich über der Resonanzfrequenz sowie einen schwachen Bass zeigen. Der Kondensator korrigiert das bei richtiger Auslegung: der Frequenzgang wird zu tiefen Frequenzen erweitert, weil die Impedanzkurve hier ein induktives Verhalten zeigt und der Kondensator dafür sorgt dass die Schwingspule mehr Energie aufnimmt (erkennbar an der in diesem Bereich nun niedrigeren Impedanzkurve). Oberhalb der Resonanzfrequenz zeigt die Impedanzkurve kapazitives Verhalten, zusammen mit dem GHP-Kondensator nimmt die Schwingspule nun weniger Energie auf. Resultat ist eine nun höhere Impedanz und ein niedriger Schalldruck.

                        Hier noch mal im Bild, als Beispiel der TIW200XS in 22 Liter geschlossen: schwarz ohne, rot mit 600µF Kondensator.


                        Grüße Ralf
                        Angehängte Dateien

                        Kommentar

                        • goofy_ac
                          Registrierter Benutzer
                          • 17.02.2018
                          • 1198

                          #72
                          Gut - also alleine im Bereich höchster Energieumsetzung, im echten Tiefbass, sollte man ein Augenmerk darauf halten, dass die mechanischen Reaktionen am Chassis nicht ausufern - ist nachvollziehbar. Ich verstehe auch richtig, dass die Schwelle Tiefbass / Grundton etwa dort beginnt, wo der Bass ortbar wird, ca 150Hz?!

                          Das kleinere Volumen für den Al170 kommt mir konstruktiv entgegen, werde bei den ehemaligen 5-6L weiter mit der Weiche spielen

                          Frage: In der letzten Zeit kam bei den Kinobauern immer wieder die Sprache auf sehr flach aufbauende Wandboxen. Abgesehen von sich etwas anders darstellenden stehenden Wellen - gibt es für einen TT / TMT-Chassis einen akustischen Unterschied, wenn die Kammer flach und zur Seite gezogen ist, und weniger in die Tiefe? Konus-Membranen sind ja in der Regel eher flacher als 45Grad gehalten, also müsste das Chassis bei der Luftverdrängung mehr arbeiten - weniger Wirkungsgrad / vernachlässigbar? Gibt es einen minimalen Abstand / ein gesundes Verhältnis Chassis <=> Rückwand?

                          Deine Erklärung zum GHP hab ich jetzt zum 4. oder 5. Mal gelesen, so langsam kann ich zumindest nachvollziehen - weiß jetzt aber auch, warum ich Maschinenbauer geworden bin Hätte mir trotzdem in dem einen Semester E-Technik damals solche Ausführungen gewünscht - Merci! Zum kapazitiven / induktiven Verhalten muss ich noch ein wenig ausschweifender lesen, bis ich es hab - mein Programm für die nächsten Tage

                          Du hattest jetzt mehrfach erwähnt, dass der WSP der limitierende Faktor sein wird, Tabelle max.Pegel in Boxsim zeigt es ja auch eindeutig. Hab spaßeshalber mal aufgrund ähnlicher Dimensionen den TIW250XS eingesetzt - schon heftig, wie sehr die Palisander auf einmal nach unten erweitert - und das OHNE das Bandpass-Gehäuse auf das Chassis abgestimmt zu haben. Möchte nicht wissen, was da im ausgewachsenen Zustand herauskommen mag - übersteigt aber mein Budget, und war auch nicht das, was ich mir vorgenommen habe!

                          Einen schönen Abend wünsche ich Dir

                          Viele Grüße - Axel

                          Kommentar

                          • pulsar99
                            Registrierter Benutzer
                            • 03.12.2007
                            • 826

                            #73
                            Zitat von goofy_ac Beitrag anzeigen
                            Frage: In der letzten Zeit kam bei den Kinobauern immer wieder die Sprache auf sehr flach aufbauende Wandboxen. Abgesehen von sich etwas anders darstellenden stehenden Wellen - gibt es für einen TT / TMT-Chassis einen akustischen Unterschied, wenn die Kammer flach und zur Seite gezogen ist, und weniger in die Tiefe? Konus-Membranen sind ja in der Regel eher flacher als 45Grad gehalten, also müsste das Chassis bei der Luftverdrängung mehr arbeiten - weniger Wirkungsgrad / vernachlässigbar? Gibt es einen minimalen Abstand / ein gesundes Verhältnis Chassis <=> Rückwand?
                            Hallo Axel,

                            wenn du dir so einen üblichen Konus-Tieftöner von hinten anschaust: der strahlt ohnehin nicht kolbenförmig nach hinten ab, weil da sind Zentrierung und Magnetsystem im Weg.
                            (Ein Gegenbeispiel wäre der Scan Speak 15WU/ )
                            Die Luft nach hinten weicht normalerweise also eher radial als axial aus. Damit haben breite flache Gehäuse sogar Vorteile, das darf sogar so weit gehen dass das Magnetsystem in der Rückwand eintaucht (solange es keine Polkernbohrung gibt). Problematischer ist tatsächlich ein sehr schmales Gehäuse, welches innen kaum breiter als das Chassis ist. Deshalb macht ja auch die Aufweitung der Schallwandöffnung nach hinten zumindest bei kleinen Chassis so viel Sinn.

                            Grüße Ralf

                            Kommentar

                            • goofy_ac
                              Registrierter Benutzer
                              • 17.02.2018
                              • 1198

                              #74
                              Zitat von pulsar99 Beitrag anzeigen
                              Die Luft nach hinten weicht normalerweise also eher radial als axial aus. Damit haben breite flache Gehäuse sogar Vorteile, das darf sogar so weit gehen dass das Magnetsystem in der Rückwand eintaucht (solange es keine Polkernbohrung gibt)
                              Hi Ralf

                              Dass man das so weit auf die Spitze treiben kann, hätte ich jetzt nicht erwartet. Teilweise radiale Abstrahlung ja, aber ich hätte trotz Magnetsystem den größeren Anteil in Hubrichtung erwartet.

                              Mir kommt es jetzt sehr entgegen! Mit dem Umschwung auf mehr Volumen habe ich die innere Fachteilung anders gelegt, bot mir eine bessere Aufhängung mit mehr Stabilität, hätte aber darauf verzichtet, wenn flache Gehäuse merkbare Nachteile liefern würden. So... kann ich bei dem Konzept bleiben, und muss nur ein wenig zoomen

                              Danke!

                              Viele Grüße - Axel

                              Kommentar

                              • goofy_ac
                                Registrierter Benutzer
                                • 17.02.2018
                                • 1198

                                #75
                                Mühsam ernährt sich das Eichhörnchen

                                Holzarbeiten mit Ausnahme des lehrreichen Workshops beim Meister gabs bisher wegen ständiger Auslastung durch meinen Brötchengeber und die nasskalten Wochen noch nicht, dafür habe ich mich mehr der PC-Arbeit gewidmet - zum einen der rechnerischen Auslegung des WG, und zum anderen die Terminals fertig gestellt

                                Als Material hab ich mir das Acryl "HiGloss" in schwarz beschafft, farblos transparent (Front), coextrudiert mit einer dünnen schwarzen Platte, in diese den Schriftzug einlasern lassen. Sind fast zu schade für einen rückseitigen Anschluss, aber... vielleicht gibts ja mal irgendwann ein Wohnzimmer mit Platz zum „hinter der Box langlaufen“ Auf den Fotos scheint die Schrift ein wenig unscharf gelasert zu sein, liegt aber nur an den noch vorhandenen Schmauchspuren, werden nächste Woche wegpoliert

                                Noch zwei Schritte und ich bin fertig - Box bauen / Box dranschrauben, klappt ja dann vielleicht sogar zum Treffen
                                Angehängte Dateien

                                Viele Grüße - Axel

                                Kommentar

                                Lädt...
                                X