Ankündigung

Einklappen
Keine Ankündigung bisher.

Schreihals 2024 (AMT) 2025 (HT21) 2026 (rund)

Einklappen
X
 
  • Filter
  • Zeit
  • Anzeigen
Alles löschen
neue Beiträge
  • Bernd
    Registrierter Benutzer
    • 08.01.2021
    • 646

    Hallo!

    Das Horn um 90 Grad zu drehen, wäre ja kein Problem. Bei dem Preis, den Visaton heute dafür aufruft, wären offizielle Winkelmessungen horizontal und vertikal eigentlich wirklich sehr schön. Ich war der Meinung, daß ich nach der Vorgabe richtig eingebaut habe. Mal sehen.

    Gruß Bernd

    Kommentar

    • Timo
      Registrierter Benutzer
      • 22.06.2004
      • 10622

      du hast das Horn nach dem Bausatz richtig herum eingebaut, ...

      Klicke auf die Grafik für eine vergrößerte Ansicht  Name: PA 110 H 180718_1_1.jpg Ansichten: 0 Größe: 414,1 KB ID: 712699

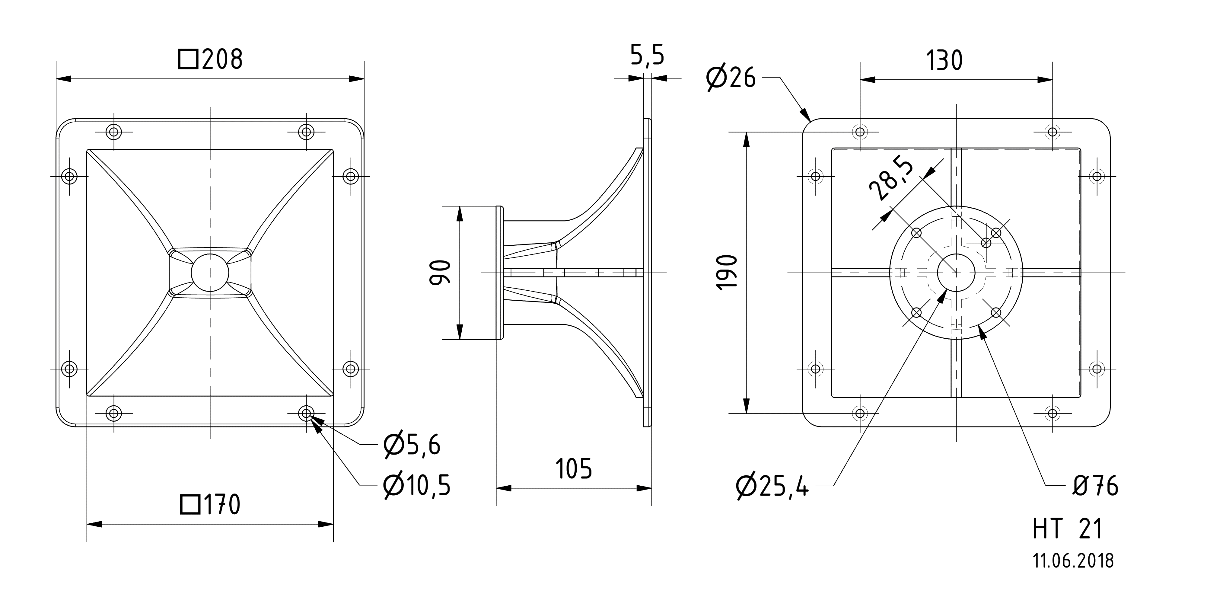
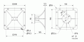
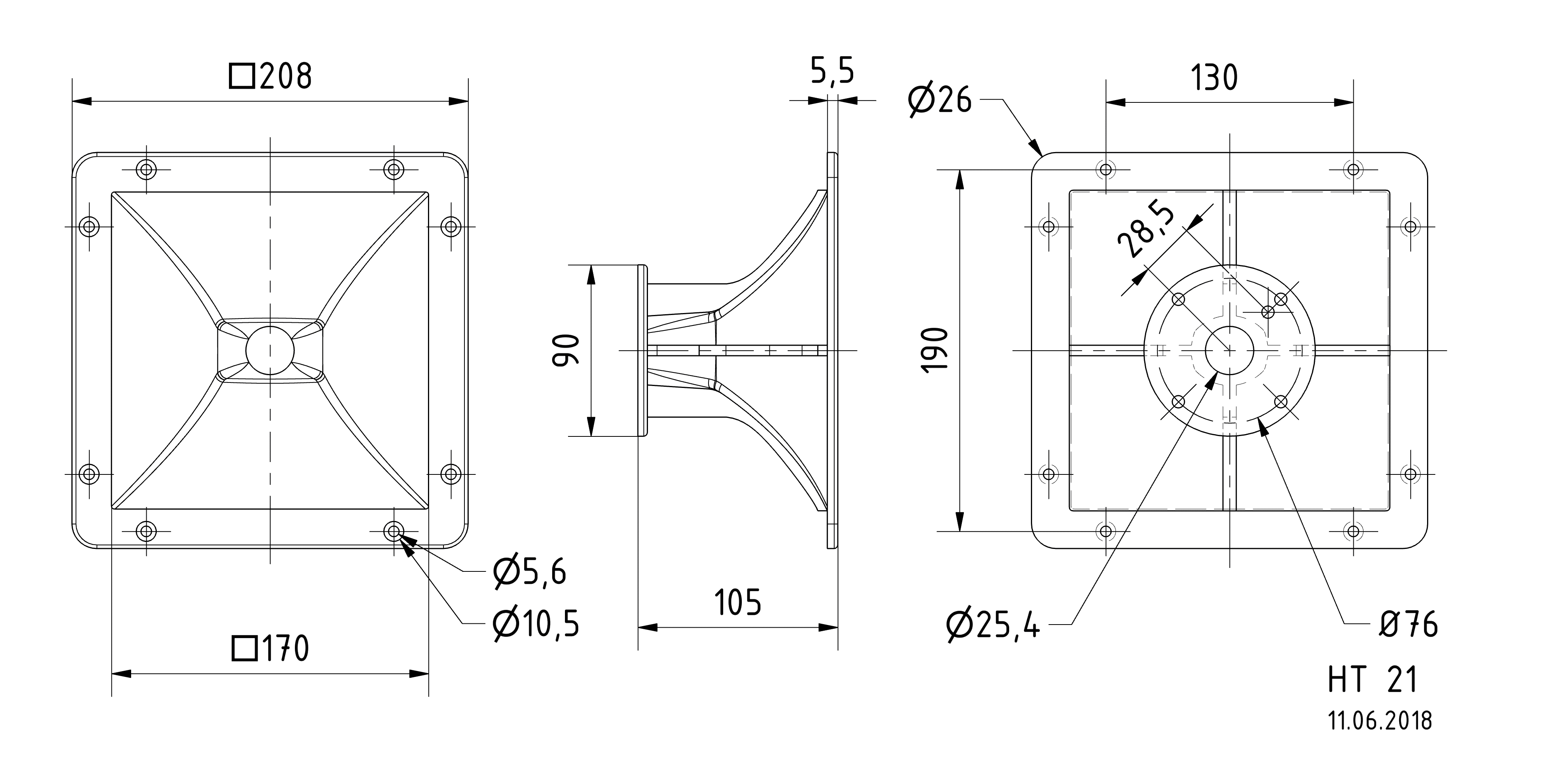
      und ich setze es so ein wie auf dieser Zeichnung:

      Klicke auf die Grafik für eine vergrößerte Ansicht  Name: ht21_tz_180611_0.gif Ansichten: 0 Größe: 150,6 KB ID: 712700

      der Unterschied ist akustisch groß, ... besonders im angesprochenen Bereich mit der Beule, ... und im Superhochton ist mit meiner Ausrichtung speziell bei 30 Grad immer noch genügend Hochton da, wobei dies bei deiner Ausrichtung ab 10kHz extrem abfällt. (Messtechnisch)

      Als ich die erste Abstimmung am ersten Tag habe laufen lasse meinte ich dass der Hochton defekt sei, als ich dann 90Grad verdreht habe war es besser. Jetzt mit der Hochtonkorrektur mittels EQ ist mir das Klangbild auch angenehmer mit meiner Ausrichtung, ...

      Kommentar

      • Timo
        Registrierter Benutzer
        • 22.06.2004
        • 10622

        ich habe eine Weile im Netz gesucht, seit 2018 gibt es einige Umsetzungen in der Forenwelt. Die setzen alle die Hörner so herum hinein wie du es gemacht hast:

        Klicke auf die Grafik für eine vergrößerte Ansicht

Name: MoVi2.jpg
Ansichten: 426
Größe: 199,1 KB
ID: 712702

        ich finde trotzdem dass die Messungen anders herum harmonischer sind, ...

        Kommentar

        • Timo
          Registrierter Benutzer
          • 22.06.2004
          • 10622

          guten Morgen, unbestritten, das HT21 Horn gefällt mir super, und auch der Treiber von BMS ist ein super tolles Teilchen.

          ich würde zunächst das kleinere Kopfteil mit dem HT21 bei Seite stellen und wieder mit dem Beyma AMT im Horn weitermachen, ... es sind die kleinen Details die gesucht und beseitigt werden müssen. Es steht immer noch die Idee im Raum den AMT ohne Horn einzusetzen, ... denn mit dem Vergleich des HT21 und des AMT Horns sehe ich, dass Visaton meilenweit, speziell in der Abstrahlung zu den Seiten hin, deutlich die Nase vorne hat.
          Es kam hier schonmal die Idee ein neues Horn aus MPX zu machen. Aber was modifizieren? aktuell ist das Teil schon mehr ein Waveguide als ein Horn, ... man könnte die Tiefe leicht anpassen, aber da würde ich eher flacher werden wollen da ich den Maxpegel eh nicht brauche, ... was meint ihr?

          jetzt ist noch etwas früh, Messungen mit großen Pegeln zu machen, ...
          ich würde mir nochmals die Trennung anschauen wollen und im Detail schauen ob da die Phase auch in Winkeln passt und dann würde ich mir auch nochmals den Superhochton anschauen wollen ob man über eine Anhebung von weiteren dB in größerem Wert, noch die Winkelhochtonfähigkeit verbessern kann, ... mir gefällt einfach nicht, dass schon unter 30 Grad kaum Hochton vorhanden ist, ... das kann das Visatonhorn deutlich besser. Natürlich hat das mit Physik zu tun, es ist eben extrem schwierig aus der riesigen Fläche Hochton unter Winkeln zu erhalten, ... Ich würde es versuchen wie bei der Abstimmung bei Breitbändern, ... einfach auf Achse anheben und hoffen dass es auf Achse nicht negativ durchkommt, sodass unter Winkeln noch genügend Hochton übrig bleibt. Ein Versuch ist es wert bevor ich das AMT Köpfchen auseinandernehme.

          Gruß Timo

          Kommentar

          • Timo
            Registrierter Benutzer
            • 22.06.2004
            • 10622

            der AMT im Horn ist eine Diva.

            Ich habe 20 - 30 Abstimmungen probiert, wenn die Achse gestimmt hat, war 15 Grad nicht in Ordnung. Wenn 15 Grad passt war der Achsfrequenzgang Mist. Ich habe mich entschlossen auf 15 Grad abzustimmen, wie auch damals beim B100, ... so ist der 30 Grad auch nicht übel geworden, ... Ab 60 Grad siehts dann nur noch katastrophal aus. Im Bild hier unten ist 0 15 30 und 45 Grad gezeigt. Und an der Hörplatzmessung ist mir noch etwas im TMT aufgefallen dies würde ich noch ändern wollen, und dann wieder eine Weile reinhören, ohne Bild. Aber wie ich schon mehrmals geschrieben habe, verschwinden in der Hörplatzmessung alle Berge die hier noch so repräsentativ hervorstehen. Das ist auch eine Erkenntnis mit dieser Box, dass man nicht in einem Meter abstimmen sollte, sondern speziell bei so einer Konstruktion eher im Fernfeld.

            Klicke auf die Grafik für eine vergrößerte Ansicht  Name: IMG_2212.jpg Ansichten: 0 Größe: 704,1 KB ID: 712706

            Klicke auf die Grafik für eine vergrößerte Ansicht  Name: Schreihals Hochtonabstimmung ansteigend.jpg Ansichten: 0 Größe: 260,0 KB ID: 712707

            Kommentar

            • mechanic
              Registrierter Benutzer
              • 25.07.2014
              • 2432

              Zitat von Bernd Beitrag anzeigen
              Bei dem Preis, den Visaton heute dafür aufruft, wären offizielle Winkelmessungen horizontal und vertikal eigentlich wirklich sehr schön.
              Hallo Bernd,
              es gibt in BoxSim zwei (neuere mit Winkelmessungen) Datensätze, vertikal und horizontal.
              Gruß Klaus

              Kommentar

              • Bernd
                Registrierter Benutzer
                • 08.01.2021
                • 646

                Hallo!

                Ich hänge natürlich noch beim HT21. So fleissig wie Du bin ich nicht, aber ich habe auch nochmal über die Messungen von Visaton nachgedacht. Es gibt ja welche für Boxsim und da sind zwei Dateien vorhanden, einmal ohne Zusatz und einmal "vertikal", wie auch immer das gemeint ist.

                Damit habe ich eine "Box" als Würfel mit 22cm Kantenlänge "gebaut" und mit beiden Datensätzen simuliert. Boxsim kann scheinbar nur mit symmetrischen Daten rechnen. Jedenfalls bringt ein Umschalten keinen Unterschied im Ergebnis. Die beiden Datensätze unterscheiden sich aber deutlich! Das mag auch zu den nicht optimalem Ergebnissen der Simulationen führen. Da kennen sich Andere aber besser aus als ich.

                Ich hänge mal die Ergebnisse und die Dateien an (umschalten horizontal/vertikal andert nichts, nur zur einfachen Identifikation):


                Klicke auf die Grafik für eine vergrößerte Ansicht  Name: HT21 horizontal.png Ansichten: 0 Größe: 318,7 KB ID: 712711

                Klicke auf die Grafik für eine vergrößerte Ansicht  Name: ht21 vertikal.png Ansichten: 0 Größe: 324,3 KB ID: 712712

                HT21 normal.BPJ HT21 vertikal.BPJ

                Gruß Bernd

                (hat sich mit mechanics Beitrag überschnitten)

                Timos Anordnung scheint tatsächlich breiter abzustrahlen, Visaton sollte also die PA110H ändern?
                Angehängte Dateien

                Kommentar

                • mechanic
                  Registrierter Benutzer
                  • 25.07.2014
                  • 2432

                  Bernd, ich glaube du hast bei deinem Vergleich einen Bock drin. Du brauchst für beide Datensätze (horizontale und vertikale Anordnung) jeweils die Richtcharakteristik horizontal, sonst gibt es Äpfelchen und Birnchen ...
                  Gruß Klaus

                  Kommentar

                  • Bernd
                    Registrierter Benutzer
                    • 08.01.2021
                    • 646

                    Hallo!

                    Deshalb habe ich die Boxsim-Dateien ja angehängt.

                    Beim Umschalten ändert sich das Diagramm eben nicht!

                    Ich habe nur zur einfacheren Unterscheidung, damit man nicht auf den sehr klein geschriebenen Dateinahmen schauen muß, den Haken auf horizontal und vertikal gesetzt. Lädt man die Dateien und und schaltet man jeweils nur den Haken um, ändert sich nichts. Ich habe das Gefühl, die Dateien sind jeweils für eine Ausrichtung des Horns mit der Vorrichtung in einer Ebene gemessen. Können Boxsimdateien überhaupt für ein Chassis unterschiedliche Pegel enthalten?

                    Gruß Bernd


                    Kommentar

                    • Timo
                      Registrierter Benutzer
                      • 22.06.2004
                      • 10622

                      Das Horn ist für diese Kombination optimiert. HT 21 (+ DR 45). Sodass ich die Box eher nicht ändern würde. Vermutlich passt einfach die 90 Grad gedrehte Variante besser zum bms- Treiber.

                      mich hat die 7-8 Störung missfallen. sodass ich irgendwie auf meine Anordnung gekommen bin.

                      diese Anordnung hat zwei Themen. Mehr Bündelung im oberen mittelton und im hochton wieder aufweitung. So kann man eine aktive Abstimmung machen die bis 30 und 45 Grad gut funktioniert. In der originalen Anordnung ist ab 30 Grad schon schlechter.

                      und was mir super gefällt ist der Winkel über 45 grad. Sehr stetig ansteigende Bündelung.

                      Gruß Timo

                      ps. Der AMT im Horn ist schwieriger abzustimmen, aber wenn man eine gute Abstimmung gefunden hat wird man immer beim AMT bleiben.

                      Kommentar

                      • horr
                        Registrierter Benutzer
                        • 04.10.2005
                        • 1962

                        Zitat von Timo Beitrag anzeigen

                        ps. Der AMT im Horn ist schwieriger abzustimmen, aber wenn man eine gute Abstimmung gefunden hat wird man immer beim AMT bleiben.
                        Warum?

                        Kommentar

                        • Timo
                          Registrierter Benutzer
                          • 22.06.2004
                          • 10622

                          Weil der so extrem bündelt.

                          Kommentar

                          • Timo
                            Registrierter Benutzer
                            • 22.06.2004
                            • 10622

                            Und dann kommt noch hinzu dass das Bündelungsverhalten absolut nicht stetig ansteigt.

                            Kommentar

                            • Timo
                              Registrierter Benutzer
                              • 22.06.2004
                              • 10622

                              nochmals zurück zu dem HT21 mit dem BMS Treiber, ... der Versuch war super erfolgreich, und wenn ich den AMT im Horn nicht schon gehabt hätte, würde die Schreihals-Box auch mit dem HT21 so bleiben, ... jetzt im direkten Vergleich ist dann aber trotzdem der AMT feinsinniger und arbeitet Details besser heraus, ... ich mache ein Beispiel von gestern Abend, ... "der Alte" im Zweiten, man befindet sich in freier Natur, Vogelgezwitscher, Blätterrauschen, Hundegebell, alles super realistisch vorhanden, ... und beim HT21 kam mir die Sache etwas verhangener vor, ... ich kann aber nicht sagen, warum? ist es der Klirr? oder einfach weil beide Treiber nicht absolut gleich abgestimmt waren?, ... denn beim Abstrahlverhalten ist der HT21 besser, ... das im oberen Mittelton fokusierte Verhalten und dann nochmals Aufweitung ist echt gut, das passt gut zu meinem Raum ... beim Herumlaufen im Raum gibt es einen deutlich größeren Bereich in der Breite wo die Musik einrastet, ... der AMT ist da schon mehr fokusiert, ... der Superhochton ist im Bereich von 10-30 Grad sehr gut anzuhören. Wenns drüber hinaus geht fehlt da oben etwas, ... das merke ich wenn ich oben im Esszimmer sitze, ... bei Breibändern, und speziell der B100 klingt überall im Raum gut und kann gut als Hintergrundbeschallung genutzt werden, die beiden Hörner sind da mehr ein Problem, ... der HT klingt da wiederum besser als der AMT im Horn, ... einfach begründet über die starke Bündelung. Trotzdem ist das Klangbild des AMTs feinsinniger und feingliedriger und somit kommt jedes Hochtondetail zu Tage, ...

                              Dann noch das Verhlten bei super hohen Pegeln, auch da gewinnt der AMT. Das ist echt eine Wucht wie wenig klirr bei so großen Pegeln produziert werden, nämlich an der Messgrenze meines Aufbaus, ... beim HT21 und dem BMS steigt der K2 ab 105 dB mehr als deutlich an, ... was mir jetzt nicht negativ war aber durchaus zu messen war, ... K3 bleibt bei beiden Aufsätzen beim oberen Hochton ziemlich gleich, und im unteren Hochton und Mittelton steigt bei beiden der K3 an, das ist eindeutig der TIW300 und ist hier bei Pegeln über 110dB der Flaschenhals, ... aber trotzdem, auch hier empfand ist das nicht negativ, die Unbeschwertheit des Klangs blieb vorhanden, ...

                              zum Übergang, ich hätte es echt nicht geglaubt, dass der Übergang bei beiden Köpfchen so unproblematisch war. Da half der Trick mit der Spule beim unteren Bass, ... man merkt zwar ein leichtes Einschnüren, bei extremen Winkeln über 60 Grad, aber ich habe es schlechter erwartet, ... so eine Box stimmt man einfach nicht unter starken Winkeln ab, auch deshalb weil der Hochton durch die Bündelung extrem einbricht, beim AMT noch mehr wie beim HT21 mit dem BMS ...

                              ich hoffe die Frage: Warum? besser beantwortet zu haben, war gestern auf einem Geburtstag und konnte nicht so viel schreiben. Gruß Timo

                              Kommentar

                              • horr
                                Registrierter Benutzer
                                • 04.10.2005
                                • 1962

                                Danke

                                Kommentar

                                Lädt...
                                X