Ankündigung

Einklappen
Keine Ankündigung bisher.

Boxsim 2.1 ist erschienen

Einklappen
X
 
  • Filter
  • Zeit
  • Anzeigen
Alles löschen
neue Beiträge
  • walwal
    Registrierter Benutzer
    • 08.01.2003
    • 28723

    #61
    Mal wieder ein Lob an Uwes Boxsim.

    Ich habe einen Sub mit einem Fremdchassis gebaut, dessen Parameter eingegeben und mit dem Diagramm des Herstellers verglichen:



    Beide in 28 L CB, bis auf kleine Abweichung der Kennempfindlichkeit praktisch identisch.

    Natürlich habe ich den Sub nicht so gebaut, sondern in 80 L GHP, da geht er linear bis 28 Hz runter, bei 20 Hz 8 dB weniger. Zur vollsten Zufriedenheit meines Schwiegersohnes.
    Angehängte Dateien
    „Audiophile verwenden ihre Geräte nicht, um Ihre Musik zu hören. Audiophile verwenden Ihre Musik, um ihre Geräte zu hören.“

    Alan Parsons

    Kommentar

    • Eddie
      Registrierter Benutzer
      • 25.06.2011
      • 516

      #62
      Moin moin,

      irgendwie komme ich mit dem Optimierer von Boxsim nicht zurecht.
      Für meine Pyramiden wollte ich endlich mal eine neue Weiche berechnen. Da ich keine Ahnung habe, wo und wie ich da anfangen soll, bin ich mit der Fertigweiche HW3/220 gestartet.

      Da mir die Spitze bei 2000 Hz nicht gefällt dachte ich, der Optimierer wirds etwas richten, so dass ich sehen kann, wo ich dran drehen muss.
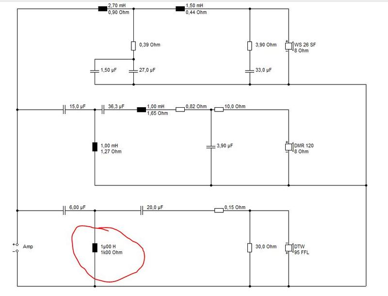
      Das kam dabei raus. Für mich eigentlich schlechter als vorher.

      Die Spulen im Mitteltonzweig sollen plötzlich einen Widerstand von 1kOhm haben.
      Wenn ich mir die Bauteilliste anschaue, sind das ziemlich unrealistische Werte.
      Mache ich da was falsch oder ist da ein Bug im Optimierer?


      Gruß
      Eddie
      Angehängte Dateien

      Kommentar

      • walwal
        Registrierter Benutzer
        • 08.01.2003
        • 28723

        #63
        Hast du Vorgaben gemacht zu den Frequenzbereichen? Der Optmierer kann nicht zaubern, dh. wenn die Weiche schon prinzipiell mangelhaft ist, also Saugkreise oder Weichenordnung unpassend vorgegebenen ist, taugt das Ergebnis nichts. Auch eine Impedanzkorrektur macht er nicht von sich aus. Übertrieben gesagt, reicht es nicht, 3 Chassis vorzugeben und dann den Optimierer alles machen zu lassen.
        „Audiophile verwenden ihre Geräte nicht, um Ihre Musik zu hören. Audiophile verwenden Ihre Musik, um ihre Geräte zu hören.“

        Alan Parsons

        Kommentar

        • nlcarbon
          Registrierter Benutzer
          • 15.02.2012
          • 1526

          #64
          Moin Eddie,
          klarer Anwendungsfehler Boxsim kann nur das optimieren was du zusammen geklickt hast in der Weiche. Es fügt also keine Bauteile hinzu. Chassi umpolen kann es auch nicht.

          Mache mal folgendes:
          -Tieftöner ein Volumen zuteilen, dabei auswählen ob CB oder BR.
          -Hochtöner in der Weiche umpolen
          -Widerstände zur Pegelabsenkung für den MT und HT hinzufügen

          Gruß Nils

          Kommentar

          • Eddie
            Registrierter Benutzer
            • 25.06.2011
            • 516

            #65
            Moin moin,

            ich hatte auch nicht erwartet, dass das Teil zaubern kann. Ich will auch gar nicht, dass mir Bauteile hinzugefügt werden oder Spannungsteiler selber berechnet werden. Das hatte ich alles schon durchprobiert.
            Ich habe mit den diversen Einstellungen ja schon rumgespielt. Das wirkt sich allerdings nur auf meine Anfangsweiche aus. Der Optimierer haut mir sofort völlig unrealistische Werte als Widerstand in die Spulen und nimmt damit quasi den Mitteltöner raus.
            Da ich mit derselben Ahnungslosigkeit auch Boxsim 1.2 benutzt habe und mir so etwas da nie aufgefallen ist, wundert mich das jetzt etwas.


            Gruß
            Eddie

            Kommentar

            • jama
              Registrierter Benutzer
              • 19.07.2009
              • 4888

              #66
              hab mal 80 liter geschlossen angenommen und spannungsteiler vor DM120 und DT95
              (mindert den resonanz-effekt)
              optimierer dreht immer noch
              1000 Hz-4000 Hz

              im moment ^^
              Angehängte Dateien
              • ’’Freiheit ist das Recht, anderen zu sagen, was sie nicht hören wollen. ‘‘ George Orwell
              • „Niemand ist frei, der nicht über sich selbst Herr ist. ‘‘ Matthias Claudius.

              deutsch ohne "sz" ABER mit fehler, tchüss! Jean-Marc.

              Kommentar

              • Eddie
                Registrierter Benutzer
                • 25.06.2011
                • 516

                #67
                Und Du hast nicht sofort nach dem ersten Schritt einen Spulenwiderstand von 1kOhm? Das ist das erste, was der Optimierer bei mir macht, egal, welches Volumen ich zuvor ausgewählt habe.

                Eddie

                Kommentar

                • jama
                  Registrierter Benutzer
                  • 19.07.2009
                  • 4888

                  #68
                  ich hab die weiche neu gestaltet mit 18 dB
                  sonst macht boxsim murks
                  Angehängte Dateien
                  • ’’Freiheit ist das Recht, anderen zu sagen, was sie nicht hören wollen. ‘‘ George Orwell
                  • „Niemand ist frei, der nicht über sich selbst Herr ist. ‘‘ Matthias Claudius.

                  deutsch ohne "sz" ABER mit fehler, tchüss! Jean-Marc.

                  Kommentar

                  • Eddie
                    Registrierter Benutzer
                    • 25.06.2011
                    • 516

                    #69
                    Kannst Du mir die Projektdatei bitte mal zur Verfügung stellen?
                    Ich habe jetzt Deine Einstellungen für den Optimierer übernommen und direkt im ersten Schritt habe ich bei den Spulen im Mitteltonbereich wieder 1kOhm stehen.

                    Gruß
                    Eddie

                    Kommentar

                    • jama
                      Registrierter Benutzer
                      • 19.07.2009
                      • 4888

                      #70
                      wenn ich zufrieden bin mit dem resultat

                      er hat fertig aber anscheinend will er nur 6db fuer den tweeter
                      ich werd ihn jetzt zwingen
                      Angehängte Dateien
                      • ’’Freiheit ist das Recht, anderen zu sagen, was sie nicht hören wollen. ‘‘ George Orwell
                      • „Niemand ist frei, der nicht über sich selbst Herr ist. ‘‘ Matthias Claudius.

                      deutsch ohne "sz" ABER mit fehler, tchüss! Jean-Marc.

                      Kommentar

                      • Eddie
                        Registrierter Benutzer
                        • 25.06.2011
                        • 516

                        #71
                        Danke, das ist nett, das hätte ich jetzt nicht erwartet, dass Du das für mich machst.

                        Gruß
                        Eddie

                        Kommentar

                        • jama
                          Registrierter Benutzer
                          • 19.07.2009
                          • 4888

                          #72
                          so mit 6 Db fuer den DT95

                          die phase ist auch sehr gut


                          (gerne, ich kann leider gesundheitlich nicht mehr basteln -zu hohes alter und keine werkstatt mehr-)
                          Angehängte Dateien
                          Zuletzt geändert von jama; 03.02.2020, 11:43.
                          • ’’Freiheit ist das Recht, anderen zu sagen, was sie nicht hören wollen. ‘‘ George Orwell
                          • „Niemand ist frei, der nicht über sich selbst Herr ist. ‘‘ Matthias Claudius.

                          deutsch ohne "sz" ABER mit fehler, tchüss! Jean-Marc.

                          Kommentar

                          • jama
                            Registrierter Benutzer
                            • 19.07.2009
                            • 4888

                            #73
                            und mit 12 dB fuer den DT95, boxsim will 18dB nicht

                            man könnte den DM 120 bis 6 kHz laufen lassen, sollen andere probieren...
                            Angehängte Dateien
                            • ’’Freiheit ist das Recht, anderen zu sagen, was sie nicht hören wollen. ‘‘ George Orwell
                            • „Niemand ist frei, der nicht über sich selbst Herr ist. ‘‘ Matthias Claudius.

                            deutsch ohne "sz" ABER mit fehler, tchüss! Jean-Marc.

                            Kommentar

                            • nlcarbon
                              Registrierter Benutzer
                              • 15.02.2012
                              • 1526

                              #74
                              So wird das nichts!
                              Als Basis muss Boxsim erstmal mit möglichst genauen Daten gefüttert werden. Also sollte für den MT und HT eine jeweils schmalere Schallwand eingegeben werden die sich der Pyramide dann zumindest annähert! Des weiteren muss der Versatz der Chassi nach hinten mit eingegeben werden. Also unter "Schallaustritt im Raum" z.B -5cm , -10cm was auch immer. Würde ich mal versuchen auszumessen. Als 3. sind dies natürlich uralte Messdaten, wie genau das Ganze am Ende simuliert ist sehr fraglich...

                              Gruß Nils

                              Kommentar

                              • Eddie
                                Registrierter Benutzer
                                • 25.06.2011
                                • 516

                                #75
                                Ne, die Messdaten sind von letztem Jahr.
                                Klar ist das nicht exakt. Nur bei meinen anfänglichen Problemen mit dem Optimierer sah ich keinen Sinn darin, mehr Zeit in Details zu stecken.
                                Jetzt kann ich evtl. nachvollziehen, warum das bei mir zuerst nicht funktioniert hat und dann kommen Details.

                                Eddie

                                Kommentar

                                Lädt...
                                X