
Und wenn Du willst, kannst grad noch ein höhen/bass regler bauen. nach dem Volume.
https://de.wikipedia.org/wiki/Kuhschwanzfilter (auch logaritmische Potis dann)
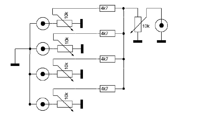
Falls problem hast, könntest auch aktiv, http://www.transkommunikation.ch/dat...28TL084%29.pdf das ist jetzt stereo, aber jetzt weisst ja wie es geht. Also schnell ne kleine Erklärung, links und rechts hängst nen CD player ran, in der mitte unten, ein Verstärker, und musst nicht mehr umschalten. Es spielen dann halt beide Quellen parallel ab auf dem Verstärker. Oder stellst einen CD player auf Pause, und die Ausgänge vor den klemmen kannst selbe wieder mono machen, wie unten vom Vorredner gezeichnet. Nur falls du mit den Quellen problemen hättest, wärste so etwas getrennt.
Das IC TL084CN da, kenne ich, ab 7.2V beginnt es zu ticken, aber besser 12-15Volt versorgung geben, ist da nicht auf dem Schema. Aber super rauscharm. Klirr 0.03% geht noch. Aber mit den gleichen Teilen rundherumg kannst auch nen NE5532 nehmen.
Kommentar