Ankündigung

Einklappen
Keine Ankündigung bisher.

3 Weger - Probleme im Mittelton

Einklappen
X
 
  • Filter
  • Zeit
  • Anzeigen
Alles löschen
neue Beiträge
  • bili
    Registrierter Benutzer
    • 04.01.2005
    • 1019

    Nagut......dann eben doch...

    Die Messung die ich hier sehe, stammt offensichtlich von einer absolut einwandfreien Hifi-Box mit gut entwickelter Frequenzweiche und üblichem Abstrahlverhalten.
    Eine schmalbandige "Überhöhung" von 1dB ist ein Witz. Das ist völlig normale Welligkeit (um die 85dB) die kein Mensch raushört. Das Meßergebnis ist im Gegenteil sogar ganz hervorragend.
    Hatte ich nicht genau DAS gesagt?

    Dieser Post stört mich jetzt irgendwie ganz erheblich. Pansen war mit dem Klang seiner Boxen nicht zufrieden, das war der Ausgangspunkt des Threads. Das Forum war nicht in der Lage, in Betracht zu ziehen, dass es Menschen geben kann, die mit dem Klang einer neutralen und absolut einwandfreien HiFi Box wie dieser trotzdem nicht zufrieden ist, daher wurde von Beginn an vermutet, dass etwas an der Box nicht stimmen kann. Der Ruf nach Messungen wurde laut und Pansen hatte von vornherein gesagt, dass er aus Mangel an Technik und Kenntnissen keine Messungen durchführen kann. Wie man im Nachhinein sieht (...und Fabian..mal ehrlich...wenige User hier im Forum dürften das so genau wissen wie du) kann man beim Messen grade in Hörräumen mehr falsch als richtig machen. Die ersten Ergebnisse deuteten darauf hin, dass womöglich was nicht stimmt.

    Der Plan einer amtlichen Untersuchung bei Visaton wurde geschmiedet. Pansen kann nicht mal so eben seine beiden Classic inn Rucksack packen und die 150km zu fuß gehen, trotzdem wurde das ganze relativ zeitnah in die Praxis umgesetzt. Ich bin beinahe 1500km an einem Tag gefahren um das möglich zu machen. Dannach haben mehrere Parteien die Sachlage klar und deutlich geschildert und mit den skalierten und amtlichen Messergebnissen von Visaton belegt. Es besteht kein Grund zum meckern an Pansens Boxen, sie sind messtechnisch einwandfrei, und trotzdem gefallen sie ihm persönlich noch nicht vollständig.

    Fabian, wozu dient dann jetzt noch bitte dein weder produktiver noch aufschlussreicher Post, der sich darauf beschränkt, an dem bereits vergangenen rumzunörgeln? Mir erschliesst sich nicht, was du uns damit jetzt mitteilen möchtest?

    Sehr viele Leute haben sich sehr lange sehr viel Mühe gegeben, um irgendwie zu helfen. Du warst nicht dabei, was einerseits dein gutes Recht ist, andererseits beraubt es dich irgendwie der Berechtigung, jetzt im Nachhinein die Vorgensweise zu kritisieren....

    Nichts für ungut, aber das musst ich jetzt los werden
    Viele Grüße,
    Sebastian


    Onkyo TX9031RDS + Onkyo DX7355 + Dual CS 704 (mein Schätzchen ) + VIB Micro SE

    Kommentar

    • VISATON
      Administrator
      • 30.09.2000
      • 4521

      In einigen Punkten hat fabi natürlich Recht. Es wurde tagelang mit langen Stangen im Nebel rumgestochert und am Ende stellte sich heraus, dass die Ursache ganz anders als vermutet war. Aber fabi, Du solltest eines bedenken: Das hier ist ein Forum, wo fast alle User nur ihrem Lautsprecher-Hobby nachgehen. Wenn Du in Deinem Beruf oder wir bei Visaton auf diese Art und Weise unsere Probleme lösen wollten, kämen wir nie rechtzeitig zum Ziel. Offensichtlich macht es aber den Leuten, die sich so engagiert haben, doch einigen Spaß, die Nuss zu knacken. Sonst würden sie hier nicht unermüdlich posten. Ich z.B. habe mich anfangs gar nicht beteiligt, ja noch nicht mal die Beiträge richtig gelesen, weil mir klar war, dass man ohne Messtechnik hier nicht weiter kommt. Irgendwann habe ich dann Pansen nach Haan eingeladen, als ich merkte, dass man sich im Kreis dreht. Später, als sich herausstellte, dass der AL 130 vermeintlich kaputt sein soll, war ich natürlich beunruhigt und die Sache hat für mich einen anderen Stellenwert bekommen.

      Wenn wir die Angelegenheit so auf sich beruhen ließen, wäre der Ausgang für die Beteiligten (außer Pansen, eltipo und bili) frustrierend, weil man nichts daraus gelernt hätte. Ich glaube, das ist es auch, was Dich stört. Deswegen meine ich, wir müssen die Sache noch für die anderen aufarbeiten und die Frage klären: Warum hieß es, dass der AL 130 eine Überhöhung von 5 dB hat, was sich nachher als nicht richtig herausstellte. Da muss ich mich mit eltipo zusammentun und seine Messung und meine Messung in höherer Auflösung hier präsentieren. Dann können wir diskutieren, wie es zu diesem Missverständnis gekommen ist.

      Also nochmal: Die allermeisten Leute hier schreiben, weil es ihnen Spaß macht, anderen zu helfen. Das finde ich großartig! Die Spaß hört auch nicht auf, wenn das mal nicht effektiv und wenig professionell läuft. Nur sollte am Ende eine Erkenntnis herauskommen.
      Admin

      Kommentar

      • eltipo
        Registrierter Benutzer
        • 20.04.2001
        • 705

        Zitat von VISATON Beitrag anzeigen
        Da muss ich mich mit eltipo zusammentun und seine Messung und meine Messung in höherer Auflösung hier präsentieren. Dann können wir diskutieren, wie es zu diesem Missverständnis gekommen ist.
        Geschrieben haben wir es ja, aber ich glaube mittlerweile auch, dass wir an einer graphischen Aufarbeitung nicht vorbei kommen. Aufgrund der nicht registrierten Version von Pansen haben wir leider nur die Screenshots, erschwerend kommt hinzu, dass gleich zich Messungen pro Screenshot vorhanden sind. Die Shots habe ich bereits an Visaton geschickt.
        Ich weiss nicht, inwieweit man die Messungen bei Visaton hochskalieren kann,um auf die gleiche Bildgröße zu kommen, dann könnte man die Bilder übereinander legen und so einen Vergleich ziehen.

        Mit welchem Programm geht das grundsätzlich?

        Edit:

        Ich habe mal den Screenshot von weiteren Kurven befreit und unsere erste Messung herausgearbeitet:



        Der Höhenanstieg ist zu vernachlässigen, weil in dieser ersten Messung die Kompensation nicht eingeschaltet war, (die Wirkung dieser scheint aber korrekt zu sein, wenn man in dem DSM-Thread den Vergleich meiner Messung mit den Boxsimdaten anschaut)....ich konnte es schlichtweg auf dem Monitor nicht richtig erkennen, ob der Button jetzt gedrückt war,oder nicht.
        Zuletzt geändert von eltipo; 12.09.2009, 14:21.

        Kommentar

        • zimbo
          Registrierter Benutzer
          • 01.01.2002
          • 123

          Zitat von bili Beitrag anzeigen
          Mir erschliesst sich nicht, was du uns damit jetzt mitteilen möchtest?
          ich glaube zu verstehen, was Fabian meint:



          Sorry ist auch mein erster Post in diesem thread, hab ihn aber komplett verfolgt und finde die Herangehensweise und Hilfsbereitschaft hier super!
          Allerdings bestätigt dieser thread auch, dass man sich seine Lautsprecher bevor man sie baut auch mal angehört haben sollte, sonst kann es, so wie bei Pansen, schon zur Unzufriedenheit kommen. Hier hat sich die Unzufriedenheit noch mit wüsten Spekulationen gepaart, ein Wunder, dass hier alles so friedlich abgelaufen ist.

          VG
          Sascha

          Kommentar

          • Pansen
            Registrierter Benutzer
            • 12.04.2009
            • 1494

            ...dass man sich seine Lautsprecher bevor man sie baut auch mal angehört haben sollte...
            Das bestreitet keiner und mir wurde die Wichtigkeit dieser Tatsache mit dieser Sache wieder klar.

            Zu meiner Verteidigung: Wenn ich die Möglichkeit gehabt hätte, vorher zu hören, hätte ich sie wahrgenommen.

            ...dass hier alles so friedlich abgelaufen ist.
            Das zeigt eigentlich nur, wie gemütlich hier alle sind und das man nur das Interesse hat, das Problem zu lösen.
            boxsim-db.de - Datenbank für Boxsim-Projekte

            Kommentar

            • zimbo
              Registrierter Benutzer
              • 01.01.2002
              • 123

              Zitat von Pansen Beitrag anzeigen
              Das bestreitet keiner und mir wurde die Wichtigkeit dieser Tatsache mit dieser Sache wieder klar.

              Zu meiner Verteidigung: Wenn ich die Möglichkeit gehabt hätte, vorher zu hören, hätte ich sie wahrgenommen.
              Sollte auch kein Vorwurf sein....... Ich denke mindestens dreiviertel aller Selberbauer machen das nicht (mich eingeschlossen).
              Das Fazit könnte auch heisen: No risk, no fun....... oder halt der Umkehrschluss

              VG
              Sascha

              Kommentar

              • walwal
                Registrierter Benutzer
                • 08.01.2003
                • 28568

                Irgenwo hatte ich mal gelesen, dass in 90% der Fälle die Boxen nicht passen, alleine schon wegen des Raumeinflusses. Nimmt man noch den persönlichen Geschmack und Erwartungen dazu, sind es ohne voriges Anhören noch weniger Treffer.

                Auch bei mir hat es Jahre gedauert, bis ich von den Vox (die in meinem Raum viel zu viel Bass produzierten) zur Concorde kam. Selbst dann dauerte die Feinabstimmung fast ein Jahr, bis ich auf Dauer zufrieden war. Das ging auch nur mit (primitiver) Messtechnik, sonst wäre ich nie auf die Lösung gekommen.

                Daher finde ich den thread lehrreich und finde es super, wie sich alle engagiert haben.
                „Audiophile verwenden ihre Geräte nicht, um Ihre Musik zu hören. Audiophile verwenden Ihre Musik, um ihre Geräte zu hören.“

                Alan Parsons

                Kommentar

                • eltipo
                  Registrierter Benutzer
                  • 20.04.2001
                  • 705

                  Sodele, ich habe die Visatonmessung mal aufgearbeitet:



                  Hier noch einmal der kommentierte Bildausschnitt unserer Messung vor Ort.


                  Die Messgrenze aufgrund der Fensterung bei Arta liegt bei knapp 300 Hz, gerade noch so ausreichend für den 300Hz-Buckel. Alles darunter kann also ebenfalls weggedacht werden.
                  Wenn man jetzt die bei mir vorgenommene Glättung berücksichtigt, gibt es keinerlei Unterschiede zwischen den Messungen, trotz völlig unterschiedlicher Messumgebungen.
                  Lediglich die Interpretation war falsch, das sei uns verziehen, wir wollten ja auch nix dazu schreiben, ehe die Visatonmessung vollzogen war, es wäre im Prinzip nicht so hochgebauscht worden, wenn wir nicht so gegängelt worden wären.

                  Die heiße Luft wurde umsonst verballert, das ist klar, aber letztlich hat jeder etwas daraus gelernt....und darum gehts doch nur!
                  Zuletzt geändert von eltipo; 12.09.2009, 15:26.

                  Kommentar

                  • walwal
                    Registrierter Benutzer
                    • 08.01.2003
                    • 28568

                    Nach meinen Erfahrungen unhörbar.
                    „Audiophile verwenden ihre Geräte nicht, um Ihre Musik zu hören. Audiophile verwenden Ihre Musik, um ihre Geräte zu hören.“

                    Alan Parsons

                    Kommentar

                    • eltipo
                      Registrierter Benutzer
                      • 20.04.2001
                      • 705

                      Zitat von walwal Beitrag anzeigen
                      Nach meinen Erfahrungen unhörbar.
                      würde ich bei mir jetzt auch sagen, aber wenn du 2 Stunden Zeit hast, das dann in einer drastischen Auflösung siehst, dann glaubst du fest dran, dass es das ist....dass du nur eine grausame Auflösung gesehen hast, merkst du dann nicht mehr.....so schnell passieren Fehler.

                      Mir war es auch wichtig, klar zu stellen, dass ich nicht zu blöd zum messen war, nur zum interpretieren......
                      Es ist ja auch keinem von uns aufgefallen.....bis gestern.....und glaube mir,ich habe ganz schön geschwitzt bis dahin.....

                      Kommentar

                      • Pansen
                        Registrierter Benutzer
                        • 12.04.2009
                        • 1494

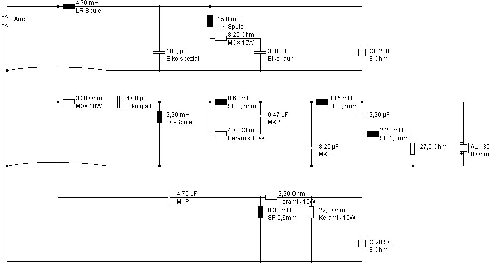
                        Nachdem das Problem der Messung geklärt wurde möchte ich mal ein Update geben.

                        Zur Zeit ist die Frequenzweiche außerhalb des Gehäuses. Friedemann hat mir gestern einen Vorschlag zur Änderung der Weiche geschickt. Ich konnte ihn heute umsetzen - in der Simulation sieht man jetzt einen Buckel um 5 Khz. Und den hört man auch (das sollte eigentlich daher kommen). Gitarren hören sich nun an, wie Kreissägen. Geändert wurde der Bereich um 2 Khz herum und damit einhergehend auch eine Hochtonabsenkung.

                        Ich weis nicht mehr, was ich tun soll - mittlerweile ist es in eine Bauteilschlacht ausgeartet.
                        Angehängte Dateien
                        boxsim-db.de - Datenbank für Boxsim-Projekte

                        Kommentar

                        • fabi
                          Registrierter Benutzer
                          • 05.01.2008
                          • 1472

                          Hallo,

                          freilich ist das ein Selbstbauforum und ich habe ja auch hier schon weiter vorn zu Eltipo geschrieben dass ich die Hilfe großartig finde. Mir ging es nur eben genauso wie Friedemann: Wenn die geschilderten Klangeindrücke irgendwann so heftig werden und dann auch noch 5dB Überhöhungen gemessen werden und von kaputter Neuware dir Rede ist, ist das doch etwas ganz anderes, als wenn jemandem mit - entschuldige Pansen - wahrscheinlich vergleichsweise geringer Hörerfahrung eine Box nicht auf Anhieb gefällt.

                          Als ich dann gestern die Messung gesehen habe wurde eben klar, dass - wie so oft in der Branche - furchtbar viel geredet wird und es letztlich um ganz schön wenig geht.

                          Eltipo, ich will jetzt auch wirklich nicht noch mehr herumpopeln aber man legt normalerweise einen Toleranzschlauch fest in dem sich die Kurve bewegen sollte. Die 84dB sind nicht der Mittelwert sondern es sind ziemlich genau 85dB, wenn man eine "Mittellinie" zieht und dann ist da wirklich keine Überhöhung. Bedenke, das ist eine Messung im reflexionsarmen Raum mit sehr geringer (oder gar keiner?) Glättung. Der minimale Anstieg wird sogar von einer minimalen Senke gefolgt und bei breitbandiger Musik wird das "Loch" dank spektraler Verdeckung unseres Ohres auch noch aufgefüllt.
                          Die 300Hz im Raum zu messen ist praktisch unmöglich. Bei der Fensterung ab 300Hz gibt es auch nur alle 300Hz eine Stützstelle für den Frequenzgang. Also einen bei 300Hz, dann einen bei 600Hz, 900Hz usw. Im interessierenden Bereich ist das Ergebnis mehr oder weniger Zufall. Hier ein paar dB Abweichung messen zu wollen würde ich mir nicht zutrauen.

                          Wenns allen nur ums lernen geht, nimmt mir hoffentlich auch diese Belehrung jetzt keiner übel.

                          fabi

                          edit: Gitarren wie Kreissägen!! Da ist es ja schon wieder. Mann, 3kHz -2dB.

                          Kommentar

                          • Pansen
                            Registrierter Benutzer
                            • 12.04.2009
                            • 1494

                            dass ich die Hilfe großartig finde.
                            Das kann ich nur unterschreiben. Großartig.

                            wahrscheinlich vergleichsweise geringer Hörerfahrung eine Box nicht auf Anhieb gefällt.
                            Auf Anhieb würde ich jetzt nicht sagen, denn die fast wöchentlichen Veränderungen an dieser Box betreibe ich schon seit 4 Monaten. Da wird jeder verstehen können, das man irgendwann die Flinte ins Korn wirft, wenn man nach 4 Monaten zu keinem vernünftigen Ergebnis kommt.

                            Mit Messequipment hätte ich sofort gemessen, und nicht erst im Forum spekulieren lassen, das dürfte auch jedem klar sein. Dann wäre das Problem viel eher geklärt gewesen.

                            Wenn die geschilderten Klangeindrücke irgendwann so heftig werden und dann auch noch 5dB Überhöhungen gemessen werden und von kaputter Neuware dir Rede ist, ist das doch etwas ganz anderes
                            Da hast du völlig recht. Aber auch dazu möchte ich etwas schreiben: ich hoffe du kannst verstehen, wenn du eine leicht nervige Box hast, das diese nach Stunden Hörsessions mit der Zeit immer nerviger wird und dich die Sache immer mehr stört. Zum zweiten: Fehler machen ist menschlich, eltipo und ich haben dann von einem aufs andere geschlossen und so kamen wir zu der Annahme, die ja zum Glück nicht gestimmt hat...

                            edit: Gitarren wie Kreissägen!! Da ist es ja schon wieder. Mann, 3kHz -2dB.
                            Man, der Bereich ist bereits abgesenkt!!!!

                            --> Fazit: mit den Boxen nach Visaton fahren und erneut hören, welche Box mir am meisten gefällt. Das probieren hat nicht mehr wirklich Sinn, das bringt nichts, trägt kaum was zur Problemlösung bei.
                            boxsim-db.de - Datenbank für Boxsim-Projekte

                            Kommentar

                            • eltipo
                              Registrierter Benutzer
                              • 20.04.2001
                              • 705

                              Zitat von fabi Beitrag anzeigen

                              Eltipo, ich will jetzt auch wirklich nicht noch mehr herumpopeln ....
                              Ich werde den Eindruck nicht los, dass es nur darum geht, irgendwas zu kritisieren.

                              Ich habe keinen Mittelwert festgelegt, sondern einen Bezugspunkt festgelegt, wie bitteschön soll man denn sonst solche Messungen vergleichen?
                              Übereinander legen konnte ich die Kurven nicht, sonst wären die Übereinstimmungen noch deutlicher zu sehen.
                              Wenn ich diese Bezugsachse festlege, dann halte ich mich über den gesamten Bereich daran....darum habe ich sie festgelegt.

                              An dieser habe ich jetzt die Messungen verglichen und bin zu Übereinstimmungen gekommen, zu extrem genauen Übereinstimmungen.
                              Für mich war es wichtig, den Eindruck loszuwerden, dass ich, ich zitiere dich mal "irgendwas gemessen" habe.
                              Ich habe nicht irgendwas gemessen, sondern exakt die "Auffälligkeiten", die Visaton auch gemessen hat.
                              Falls es dir nicht aufgefallen ist, dein Gebären wirkt abwertend auf mich, und das ist sicherlich nicht nur bei mir der Fall, aber mich betrifft es in diesem Moment.
                              Im Gegensatz zu seinen Aussagen scheint es sehr wohl möglich, in Wohnraumumgebungen genaue Messungen zu machen, sonst wären die Übereinstimmungen nicht möglich.


                              Die Schlussfolgerungen aus den Messungen und Höreindrücke daraus sind mir erstmal völlig Schnuppe, an Aussagen zu Höreindrücken habe ich mich nicht beteiligt, das sehe ich sicherlich ähnlich, wie du.

                              Im interessierenden Bereich ist das Ergebnis mehr oder weniger Zufall. Hier ein paar dB Abweichung messen zu wollen würde ich mir nicht zutrauen.

                              tut mir leid, absoluter Blödsinn....Nein, nicht absoluter Blödsinn, aber die Suggestion dahinter, der zu vermittelnde Eindruck durch diese Aussage, das ist Blödsinn.

                              Ich bin mit dem Thema fertig.
                              Zuletzt geändert von eltipo; 12.09.2009, 18:07.

                              Kommentar

                              • Pansen
                                Registrierter Benutzer
                                • 12.04.2009
                                • 1494

                                Hey, bitte beruhigt euch wieder.

                                Fabi, du magst recht haben - der Werdegang der ganzen Sache war etwas unprofessionell, aber aufgrund meiner Möglichkeiten nicht anders zu realisieren.

                                Man sollte eltipo nichts übel nehmen, denn er hat im Gegensatz zu den "Kritisierern" wirklich was zur Lösung beigetragen, als nur zu bezweifeln, das richtig gemessen wurde oder das die Weiche nicht richtig aufgebaut war. Das Chaos der Bauteile, gepostet einige Beiträge früher, funktioniert nämlich einwandfrei.
                                boxsim-db.de - Datenbank für Boxsim-Projekte

                                Kommentar

                                Lädt...
                                X