Es sind auch nicht alle Chassis drin... kann man die irgendwie einfügen oder war das nur über dieses SPL Trace !?
Ankündigung
Einklappen
Keine Ankündigung bisher.
Soundbar ala Beosound Stage machbar?
Einklappen
X
-
Hallo Patrick,
bitte nicht wundern, dass das so niemand kommentieren möchte.
Wenn du über deine Simulation diskutieren möchtest, dann lade die Projektdatei hier hoch, nicht nur ein irgendwie erzeugtes Bild.
Wenn Du Hinweise zur Benutzung von Boxsim für Anfänger suchst, schau mal da: Anleitung zu Boxsim bei Hifi-Selbstbau
Wie Du beim Lesen anderer Threads mitbekommen haben magst, kann Boxsim wesentlich mehr als so eine Kurve anzeigen.Boxsim ... wenn Lautsprechersimulation gelingen soll.
Kommentar
-
2.0 Soundbar
hallo Patrick,
scheint du kommst nicht so recht weiter.
Wenn du das Gehäuse gebaut bekommst dann nimm doch einfach 2 Stk. HX10
Das Visaton Chassis ist ein Koax, als mit Hochtöner im Basschassis .
Das beste daran ist, die Frequenzweiche ist schon eingebaut.
Wenn du zwei Boxen baust und die nebeneinander legst hast du eine Soundbar, kannst die aber auch links und rechts neben den TV stellen.
Zu beachten ist, wenn du ein 35mm Bassreflexrohr nimmst muss das etwa 11cm lang sein,
je nach Gehäusetiefe evt. besser an einer Seite (nach oben in der Soundbar ).
Das Gehäuse sollte je Chassis so 6-8 Liter netto haben.
Kommentar
-
Stimmt. Der HX 10 wird oft übersehen, ist aber ein guter Lautsprecher.
Dazu noch ein kleiner Subwoofer, und die HX 10 im Tiefbass entlasten, und fertig wäre das ganze.Mit Freundlichem Gruß,
Ubix
__________________________________________________ ____
Spielt der Bass zu tief, kommt der Nachbar und droht mit Krieg.
Kommentar
-
Wirklich erstaunlich. Nicht ein Weichenbauteil und das könnte man für einen Fernseher gerade so lassen wie es sich simuliert.
Ich glaube allerdings, wenn da sowieso ein AVR ist, würde ich der Soundbar noch einen Sub gönnen und dann CB bauen. Vielleicht sogar noch eine Kleinigkeit kleiner.Boxsim ... wenn Lautsprechersimulation gelingen soll.
Kommentar
-
Also konnte bisher leider nur etwas rum testen .
Nun bin ich leider unterwegs und boxsim läuft ja leider nicht auf MAC .
Ich möchte schon irgendwie an den besagten Lautsprechern festhalten ...
Ein AVR ist noch nicht da und ob es eine Option ist ?!? . Keine Ahnung .
Dachte ja das dass 3118 modul . Sollte doch klappen ?
Evtl noch ein wandler ?wenn man eine Sat box hat wo von hdmi das Audio Signal abgegriffen wird und hdmi Bild weiter geleitet wird ?
Gruß
Kommentar
-
Klar läuft Boxsim auf dem Mac, und zwar mußt Du einfach Wine installieren....Zitat von MotD Beitrag anzeigenAlso konnte bisher leider nur etwas rum testen .
Nun bin ich leider unterwegs und boxsim läuft ja leider nicht auf MAC .
Ich möchte schon irgendwie an den besagten Lautsprechern festhalten ...
Ein AVR ist noch nicht da und ob es eine Option ist ?!? . Keine Ahnung .
Dachte ja das dass 3118 modul . Sollte doch klappen ?
Evtl noch ein wandler ?wenn man eine Sat box hat wo von hdmi das Audio Signal abgegriffen wird und hdmi Bild weiter geleitet wird ?
Gruß...Gruß Jörn
Kommentar
-
ok, danke. das werd ich gleich mal schauen.
Bin noch recht neu in den Mac anfängen. So viele anfänge auf einmal xD
Die Anleitung, die UweG verlinkt hat ist super. Die werde ich mir noch n paar mal durchlesen und durchspielen.
Aber wie bekomme ich die fehlenden Chassis in die Datenbank?
Da sind ja nicht alle Chassis gelistet.
Kommentar
-
Mehr und neue Chassisdaten gibt es unter http://forum.visaton.de/showthread.php?t=30361Mit Freundlichem Gruß,
Ubix
__________________________________________________ ____
Spielt der Bass zu tief, kommt der Nachbar und droht mit Krieg.
Kommentar
-
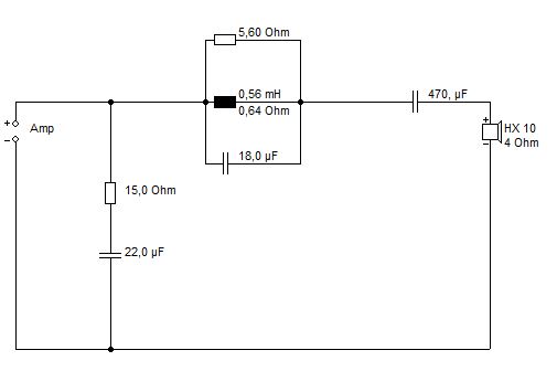
Hier noch eine etwas abgewandelte Simu vom HX 10, mit Bassreflex, da besser an einem Subwoofer koppelbar bei 70-100Hz
So, jetzt aber ins Bett.
Angehängte DateienMit Freundlichem Gruß,
Ubix
__________________________________________________ ____
Spielt der Bass zu tief, kommt der Nachbar und droht mit Krieg.
Kommentar
-
moin,
so ich habe mal etwas getestet , eine abgewandelte von DAUmino S , wobei ich da gerne den KT100V getestet hätte aber den finde ich nicht für die Datenbank
und den Asia UL94 , etwas natürlich geändert..
in meine Kiste grob eingeplant mit BR ... natürlich dann 2 mal nur spiegelverkehrt... was meint ihr?
Kommentar
-
Erst mal toll, das Du es geschafft hast, eine Boxsim Datei zu erstellen. Von da aus kann man dann nämlich weitersehen. Bei dem einen Frequenzgang mit dem DT 94 siehst Du wahrscheinlich eine tiefe Delle bei 3 khz im Frequenzgang, bei dem zweiten fällt der Frequenzgang stark in den Höhen ab. Da sind die Widerstände (unter anderem) falsch berechnet. Es ist jetzt für mich zu spät, um daran zu arbeiten, aber ein Tip, für den Anfang nicht gleich mit verschiedenen Hochtönern arbeiten.Mit Freundlichem Gruß,
Ubix
__________________________________________________ ____
Spielt der Bass zu tief, kommt der Nachbar und droht mit Krieg.
Kommentar
-
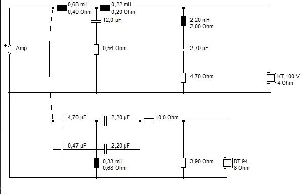
hier mit dem KT100V und DT94-8
ich hab die chassis leicht versetzt (besserer f-gang).• ’’Freiheit ist das Recht, anderen zu sagen, was sie nicht hören wollen. ‘‘ George Orwell
• „Niemand ist frei, der nicht über sich selbst Herr ist. ‘‘ Matthias Claudius.
deutsch ohne "sz" ABER mit fehler, tchüss! Jean-Marc.
Kommentar

Kommentar