Ich weiß halt nicht ob mir der B80 im HT gefällt - den B80 habe ich leider noch nciht gehört. Wobei mir der FR58 im Horn gut gefallen hatte - kam halt wie bereits erwähnt klanglich an den G20SC ran bzw. direkt so nichts vermisst.
Soll sich halt nicht "nasal" anhören bzw. nicht typisch breitbänderartig anhören. Die G20SC habe ich ja da was keine Zusatzkosten verursachen würde.
Zudem überlege ich ob die nicht sogar sinnvoll wären bei kurzen Hörabständen bei zwei Personen. max 2 Meter Abstand werden es ja irgendwann werden. Ggf. 1,5
Die HTs werden schon auf Ohrhöhe platziert.

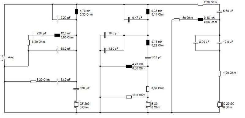
30 Bauteile... würde ich nie im leben so bauen auch wenn sonst alles super linear aussieht.
Original von Joogie gekauft
Kommentar