Ankündigung

Einklappen
Keine Ankündigung bisher.

Projekt: WSP 21 S (8 Ohm) + W 130 S (8 Ohm) + DT 94 (8 Ohm)

Einklappen
X
 
  • Filter
  • Zeit
  • Anzeigen
Alles löschen
neue Beiträge
  • Dieter1337
    Registrierter Benutzer
    • 11.05.2015
    • 113

    #31
    Nachdem ich den Übergang Tieftöner (TT) / Grundtöner (GT) im Griff hatte kam ich
    wieder zu der Baustelle GT / Hochtöner (HT).
    .

    Zitat von Dieter1337 Beitrag anzeigen
    Als nächstes steht der Übergang GT / HT an. Obwohl es die Simulation anders
    prophezeit … werde ich deswegen den Tiefpass des GT eine Nummer steiler wählen.
    .

    Da auch dieses Mal meine Versuche einen guten Übergang GT / HT hinzubekommen
    scheiterten, stellte für mich fest, dass der W130S (8 Ohm) für den von mir geplanten
    Einsatzzweck nichts taugt.

    .

    Also griff ich mir aus testzwecken das nächstbeste 13 cm Chassis meiner Sammlung
    und verbaute es anstelle des Visatöners. Das Ausweichmodell ist von Philips und
    stammt aus den Boxen dieser Anlage:
    http://www.areadvd.de/hardware/2008/..._MCD_708.shtml


    Als erstes fällt auf dass es leider ziemlich hässlich ist…
    und das liegt wohl nicht nur an der inversen Sicke… VOLL DOOF !



    Angehängte Dateien

    Kommentar

    • Dieter1337
      Registrierter Benutzer
      • 11.05.2015
      • 113

      #32
      Im Vergleich zu dem W 130 S ist der Philips Treiber etwas härter aufgehängt. Er hat
      ebenfalls eine Metall Schwingspule, deren Durchmesser aber nur ca. 1,5 cm beträgt,
      sodass die mit 50 Watt angegebene Belastbarkeit etwas geringer ist.

      .

      Den ersten Test führte ich mit der auf den W 130 S ausgelegten Weiche durch. Dabei
      wurde ich von dem Übergang GT / HT sehr positiv überrascht. Es hörte sich sogar fast
      schon gut an. Der Grundton war zwar viel zu laut, aber leiser geht ja immer.

      Um den Grundton in den Griff zu bekommen habe ich den Frequenzgang des 6 Ohm
      Chassis gemessenen und in die Simulation des W 130 S geladen. Obwohl alles andere
      unverändert blieb, lies sich das Philips Chassis auf Grundlage der Messung schon ganz
      vernünftig simulieren:



      Zufällig fand ich schon beim ersten Versuch einen ungewöhnlichen, aber hervorragenden
      Hochpassfilter für das Ausweichchassis. Hier ist die Summe der Pegel (jeweils kurz
      vor dem Chassis gemessen).




      Trotz vieler weiterer Versuche (siehe: Vergleich_Weichen) konnte ich die Klangqualität
      nicht mehr reproduzieren, sodass ich wieder auf die erste Schaltung zurückgriff. Der
      Gesamtfrequenzgang darf natürlich auch nicht fehlen:




      Tjoa der Einfluss des Raums ist wie schon erwähnt heftig, aber was soll ich tun….
      Eigentlich sollte der Peak bei 14 kHz meine recht jungen Ohren stören, doch finde ich
      ihn eher erfrischend.

      .

      Damit ist die grobe Entwicklungsarbeit der Weiche abgeschlossen. Beim Hören fällt mir
      Bestimmt noch die ein oder andere Kleinigkeit auf, die dann beim Feintuning optimiert
      Wird – und vllt finde ich ja doch noch eine günstigere Lösung für den Hochpass des GT.

      Generell bin ich mit dem Ergebnis zufrieden.

      Der seitlich angebrachte TT bringt auch ohne teuren Saugkreis ausreichend Tiefgang
      (siehe: TT_ueber_Eck). Die Abstimmung des Philips Treibers ist mir über seine gut drei
      Oktaven ziemlich linear gelungen und er leistet in dieser Konstellation hervorragende
      Arbeit. Der Übergang zum Hochtöner (bei ~ 3,5 kHz) ist ausgezeichnet. Die Phasen
      addieren sich Wunderbar und der DT 94 zeigt sich von seiner spritzigsten Seite.
      Angehängte Dateien

      Kommentar

      • Dieter1337
        Registrierter Benutzer
        • 11.05.2015
        • 113

        #33
        Update

        Technisch hat sich vor allem bei dem Hochtonzweig noch einiges getan!

        Dort ist jetzt einen Saugkreis (~ 2 kHz) parallel zum Treiber installiert. Der
        Hochtöner wird nun noch steiler getrennt (siehe: HT_Vergleich). Generell
        sind alle Chassis eher steil voneinander getrennt, wie aus dem Boxsim
        Screenshot entnommen werden kann:



        Die Bezeichnung "Pfuschi" hat das Bild aber nicht ganz grundlos. Die darin
        enthaltenen Nahfeldaufnahmen von GT und HT haben ab 2 kHz einen Phasen-
        winkel von 0 Grad, da ich nicht weiß, wie man den Winkel selber messen
        kann.




        Der "Cap Turm" des Grundtonzweigs fasst 130 µF. Er ist aus 4 Kondensatoren
        unterschiedlicher Qualität aufgebaut und auf der Innenseite des Terminals
        befestigt.



        Die restlichen Bauteile dieses Zweigs sind zwischen zwei Brettern eingeklemmt.
        Wie zu erkennen sind die Spulen in den meisten Fällen mit Messingschrauben
        befestigt. Bei genauem hingucken kann man bei der großen Spule aber eine
        Stahlschraube + Unterlegscheibe blitzen sehen. Dies liegt daran, dass ich kein
        2,7 mH Exemplar zur Hand hatte und mir mit der Schraube als ferromagnetischem
        Additiv eine 1,5 mH Spule gut auf den gewünschten Wert bringen konnte.

        Wer jetzt sagt: „das kann doch gar nicht klingen“ irrt. Wie ich im letzten Beitrag
        schon beschrieben habe, konnte ich mit dieser Schaltung die besten Ergebnisse
        erzielen.

        Zu dem TT gibt es eigentlich nicht viel zu sagen. Ich experimentiere noch mit
        unterschiedlich langen Bassreflexrohren, um ihn optimal abzustimmen (falls sich
        beim Vorletzten Bericht jemand gewundert hat warum das gerollte DIN A3 Papier
        das Bassreflexrohr verlängert).
        Angehängte Dateien

        Kommentar

        • ubix
          Registrierter Benutzer
          • 26.03.2008
          • 3732

          #34
          So rein optisch, etwas kreativ aufgebaut, die Weiche.
          Aber Strom hat ja keine Augen.

          Von daher, wenn es funktioniert ist es gut.
          Mit Freundlichem Gruß,

          Ubix
          __________________________________________________ ____

          Spielt der Bass zu tief, kommt der Nachbar und droht mit Krieg.

          Kommentar

          • Dieter1337
            Registrierter Benutzer
            • 11.05.2015
            • 113

            #35
            Hi Ubix, einen ähnlichen Beitrag hattest du schon mal hinterlassen:

            Zitat von ubix Beitrag anzeigen
            Du hast dort MKP mit 40 uF ?
            Woher?

            Alles in allem eine sehr gemischt bestückte Weiche
            __________________
            Mit Freundlichem Gruß,

            Ubix

            Ich bin meinem Multikulti Motto also treu geblieben. Hattest du
            dir eigentlich auch die 40 µF Kondensatoren gekauft?

            Bei dem Preis waren die ja das Must-have für jeden low-budget
            Bastler (wie mich).

            Ein schönes Wochenende an alle, die das lesen.
            Dieter

            Kommentar

            • ubix
              Registrierter Benutzer
              • 26.03.2008
              • 3732

              #36
              Zitat von Dieter1337 Beitrag anzeigen
              Hi Ubix, einen ähnlichen Beitrag hattest du schon mal hinterlassen

              Ein schönes Wochenende an alle, die das lesen.
              Dieter
              Stimmt.
              Mit Freundlichem Gruß,

              Ubix
              __________________________________________________ ____

              Spielt der Bass zu tief, kommt der Nachbar und droht mit Krieg.

              Kommentar

              • Dieter1337
                Registrierter Benutzer
                • 11.05.2015
                • 113

                #37
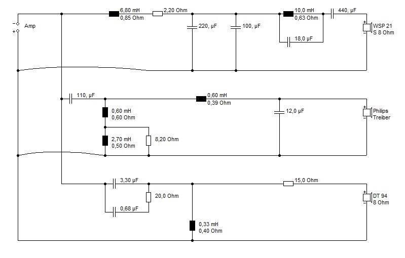
                Ich bin mit dem Feintuning nun deutlich weiter. Die aktuelle Weiche sieht so aus:




                Trotz des "Wald-und-Wiesen" HT habe ich mich nicht gescheut hochwertige MOX Wider-
                stände und gute Polypropylene Kondensatoren zu verbauen. Bei den kleinen Werten
                unterscheiden sich die Preise ja nur im zweistelligen Centbereich.

                Klanglich ausgewachsen, mit schlankem, aber für die Größe angemessenem Bass,
                ausgesprochen schönem Grundton, sowie guten Mitten. Lediglich die Höhen waren
                mir etwas zu fein gezeichnet.

                Auf der Suche nach einer einfachen und kostengünstigen Lösung schaute ich mir auch
                das simulierte Abstrahlverhalten unter kleinen Winkeln an:




                Ok, mehr muss ich dazu wohl kaum sagen :-)


                Mit leichter Schieflage der Lautsprecher führte ich den Vergleich mit meinen großen
                Marmorlautsprechern durch (deren Frequenzweiche ist mittlerweile ganz anders).

                Aufgrund des immensen "Hubraumuntwerschieds" ( 33 vs. 68 l ) war der Fairness
                halber ein Hochpassfilter aktiv.

                Bei dem Test wurden die Vorzüge der jeweiligen Boxen hörbar, so klingen verzerrte
                Gitarren auf den kleineren Boxen hervorragend. Durch die immer noch leicht angehobenen
                Höhen rocken Queens of the Stoneage mit Songs wie Little Sister ordentlich. Auch
                bei düsteren Grunge Songs wie Rape Me von Nirvana führte die überspitzte Darstellung
                zu einem aufregenden Klangerlebnis.

                Die großen Marmors sind da deutlich bodenständiger. Ihre Stärke liegt bei der Stimmen-
                wiedergabe, sehr luftigen Superhöhen (und normalerweise einem abgrundtiefen Bass).
                So geht Rafikis Totenklage (Der König der Löwen) mächtig unter die Haut. Auch
                fröhliche Songs wie Ich Hab Geträumt von den Wise Guys klingen phänomenal.

                Gemessen an dem Wert der Komponenten bin ich mit dem Ergebnis zufrieden, doch
                vermisse ich bereits bei der Abstimmfrequenz des BR Rohrs ~ 5 dB Pegel, sodass
                ich wirklich verlockt bin auf die Experimente mit dem Saugkreis im TT Zweig zurück-
                zukommen.

                .

                Mal schauen wie es mit dem Projekt weitergeht.

                Euch allen einen schönen Brückentag! Und an alle die morgen nicht frei haben – Durchhalten!

                Grüße
                Dieter
                Angehängte Dateien

                Kommentar

                • ubix
                  Registrierter Benutzer
                  • 26.03.2008
                  • 3732

                  #38
                  Wie sieht es den mit dem Impedanzverlauf aus? Der Frequenzgang ist ja ganz ordentlich.
                  Mit Freundlichem Gruß,

                  Ubix
                  __________________________________________________ ____

                  Spielt der Bass zu tief, kommt der Nachbar und droht mit Krieg.

                  Kommentar

                  • Dieter1337
                    Registrierter Benutzer
                    • 11.05.2015
                    • 113

                    #39
                    Ich baue nicht meine erste Box, also passt das schon. Den genauen Impedanzgang
                    des 6 Ohm Philips Treibers kenne ich eh nicht...
                    .
                    Simuliert mit einem 4 Ohm Chassis spielt sich alles zwischen 2,9 und 12 Ohm ab.
                    Beim B200 (6 Ohm) zwischen 3,3 und 12 Ohm und mit einem 8 Ohm Chassis zwischen
                    3,8 und 12 Ohm.
                    .
                    Da das Minimum zwischen 500 und 600 Hz liegt ist mir der genaue Wert herzlich egal.
                    Im Bassbereich würde ich die Geschichte genauer untersuchen, was ich bei einer älteren
                    Version der Weiche auch getan haben siehe hier:
                    .
                    Zitat von Dieter1337 Beitrag anzeigen
                    Leider fällt die Impedanz des TT auf lediglich 2,3 Ohm (laut Simulation).
                    Glücklicherweise zeigt die Messung ein Impedanzminimum von 2,9 Ohm:.
                    .
                    Das ganze sah bei 80 Hz dann in etwa so aus:

                    .
                    Die Stelle ist mittlerweile natürlich behoben.
                    .
                    MfG

                    Kommentar

                    • Dieter1337
                      Registrierter Benutzer
                      • 11.05.2015
                      • 113

                      #40
                      Hallo liebe Bastelfreunde!

                      Einige Tage sind vergangen und viele neue Weichenschaltungen abgearbeitet.
                      Neue Weichenschaltungen? Warum denn das? War ich nicht eigentlich beinahe
                      zufrieden? Ja, aber erst beinahe…

                      Im Vorfeld hatte ich mit meinen Lautsprechern einen Freund besucht, um diese
                      in seinen Räumlichkeiten mit anderen Exemplaren vergleichen zu können. Dabei
                      musste ich feststellen, dass der Tiefbass meiner Konstruktion recht niedrig ausfiel,
                      sodass die etwa gleichgroßen 2,5 Wegler meines Freundes bei basslastigeren
                      Songs überzeugender klangen.

                      "Größer bauen" war keine Option - also musste ich doch die Widerstände durch
                      den bereits vorgeschlagenen Saugkreis [SK] ersetzen. Die Simulation zeigte, dass
                      sich die Position zwischen den Spulen (Trennung 3. Ordnung) gut eignete, um
                      durch den Einsatz einer Kombination aus L = 22 mH , C = 220 µF und R = 2,2 Ohm
                      etwas mehr Tiefbass zu generieren.

                      Außerdem wollte ich auch noch den Klang des Hochtons verbessern, was ich aber
                      nicht durch Änderungen an der Weiche erreichen konnte, sodass ich einfach einen
                      anderen Treiber verbaute. Einige von euch werden ihn sicher kennen:




                      IMHO passt er auch optisch besser auf die Schallwand (im Zuge des Finishs wird
                      er natürlich noch waagerecht eingebaut - das wird sicher sehr schön).

                      Um den DTS 10 AW und den geänderten Übergang von TT auf GT in den Griff zu
                      bekommen benötigte ich erst mal einige Stunden, um Boxsim von meinen neuen
                      Vorhaben überzeugen zu können und musste schlussendlich beinahe die komplette
                      Weiche überarbeiten…

                      Was man nicht alles tut…

                      .

                      Obwohl ich bei der Entwicklung und Archivierung der Weichenschaltungen eine
                      klare Struktur aus Haupt - und Nebenversionsnummer verfolge, fehlt mir mittler-
                      weile etwas der Überblick.
                      Hier die Bedeutungen der Hauptversionsnummern:

                      1: WSP21S + W130S + DT94
                      2: WSP21S + Philips + DT94
                      3: WSP21S + Philips + DTS10AW
                      Des Weiteren ist hier ein Auszug der Historie abgebildet:




                      Ich habe bereits alle Simulationen mit den online verfügbaren Frequenzgängen
                      gelöscht. Die verbleibenden basieren auf den Daten "wirklicher" Messungen.
                      Warum ich davon noch knapp 40 habe, weiß ich aber selber nicht.



                      Auf folgendem Bild müssten Version 2.4 (WSP21S + Philips + DT94 ohne SK)
                      und Version 2.8 (WSP21S + Philips + DT94 mit SK [zur Übersichtlichkeit um
                      2 dB abgesenkt]) miteinander verglichen werden:




                      Es war gar nicht so einfach die Auswirkungen des Saugkreises zu erfassen und
                      auszuwerten. Darum habe ich den Übergang TT / GT auch noch bei späteren 3.X
                      Versionen weiter optimiert, obwohl dort eigentlich der HT-Zweig im Vordergrund
                      stehen sollte.

                      Dem Übergang GT / HT den letzten Schliff zu geben gestaltete sich als schwierig.
                      Da ich nur Simulationen der Frequenzgänge und nicht der Phase erstellen konnte,
                      machten mir die kurzen Wellenlängen bei dem Übergang (~ 9 cm) ganz schön zu
                      schaffen. Dies verdeutliche ich mit den drei folgenden Bildern.
                      Die erste Messung zeigt die Nahfeldmessungen der Chassis (jeweils ~ 2 cm davor),
                      sowie die Addition ihrer Frequenzgänge:




                      Ein ganz anderes Bild ergibt sich bei einer Messung des kompletten Lautsprechers,
                      mit dem Mikrofon auf der Höhe des GT, im Abstand von 40 cm:



                      Wo nun die Wahrheit liegt kann ich nicht beurteilen. Jedoch legt der Lautsprecher
                      bei der Fernfeldmessung aus ca. 3 Meter Entfernung wieder ein ähnliches Verhalten
                      wie bei der Nahfeldmessungen an den Tag:




                      Zur Analyse:
                      Die 8 kHz Delle im Frequenzgang des HT ist schon im Visaton-Katalog abgebildet.
                      Merkwürdigerweise ist sie bei der Nahfeldmessung etwas kleiner…
                      Der Übergang zum GT lässt sich in der Messung nur erahnen – und klingt auch in
                      Wirklichkeit sehr erfreulich. Zusätzlich spielt beide GT wie bereits erwähnt äußerst
                      Linear. Die Ursache für den Einbruch zwischen 200 und 300 Hz ist die, sich durch
                      das kleine Gehäuse stark ändernde, Phase des GT, sodass sich die bereits getroffene
                      Aussage:

                      Zitat von Dieter1337 Beitrag anzeigen
                      „Ich habe […] festgestellt, dass er extrem kritisch in der Aufstellung ist.“
                      bestätigt, aber leider doch nicht auf den Raum schieben lässt.


                      Ich war gestern ein weiteres Mal bei besagtem Freund und konnte nur positive
                      Auswirkungen meiner Änderungen detektieren, die ich später ausfüheren werde.
                      Angehängte Dateien
                      Zuletzt geändert von Dieter1337; 12.07.2018, 19:13.

                      Kommentar

                      • Dieter1337
                        Registrierter Benutzer
                        • 11.05.2015
                        • 113

                        #41
                        Eigentlich bin ich mit den Lautsprechern fertig, doch klingen die Teile neuerdings seltsam.

                        Eine Messung der Tieftöner bestätigte meine Vermutung. Diese ist angehängt (linker / rechter Kanal, sowie Summe)

                        Ich dachte zuerst, dass die Kondensatoren ausgetrocknet sein, doch haben alle noch die ursprüngliche Kapazität.

                        Habt ihr eine Idee was da passiert sein könnte?
                        Angehängte Dateien
                        Zuletzt geändert von Dieter1337; 03.04.2019, 14:04.

                        Kommentar

                        • pulsar99
                          Registrierter Benutzer
                          • 03.12.2007
                          • 851

                          #42
                          Hallo Dieter,

                          was genau stimmt an der Messung deiner Meinung nach nicht?

                          Sieht im Bassbereich genau so aus wie eine Nahfeldmessung dicht vor dem TT bei einer auf 35Hz abgestimmten BR-Box aussehen muss.
                          Die Unterschiede oberhalb 100Hz sind Serienstreuungen von Chassis/Frequenzweiche/Messung.

                          Kommentar

                          • Dieter1337
                            Registrierter Benutzer
                            • 11.05.2015
                            • 113

                            #43
                            Hallo liebes Forum,

                            man könnte meinen, ich hätte meinen eigenen Thread vergessen, doch habe ich in den letzten 18 Monaten noch einiges an den Lautsprechern verändert, was man auf folgenden Fotos erkennen kann:






                            Zu dem Grund warum ich die Berichterstattung einstellt habe:
                            Auf den ersten Blick würde vermutlich jeder zweite Nutzer dieses Forums den schwarzen Hochtöner als G 25 FFL identifizieren. Wäre dem so, hätte ich auch fleißig weitergeschrieben.
                            In Wirklichkeit handelt es sich bei den abgebildeten Hochtonkalotten des Typs H0519 25TFFC aber um Produkte von SEAS. Genau wie die eben erwähnten Visatöner haben sie eine 25 mm Kalotte und ebenfalls einen Außendurchmesser von 104 mm. Optisch sind sie also wirklich schwer auseinanderzuhalten. Bei der Haptik sind die Unterscheide dann aber groß, da der H0519 25TFFC einen Korb aus Plastik hat. Schade.

                            Ich hatte zwischendurch immer wieder Lust Beiträge zu schreiben, doch wusste ich nicht, wie gut diese hier ankämen, da jetzt nur noch die Tieftöner von Visaton sind. IMHO (in my humble opinion) gibt es genug andere Foren, in denen Ausführungen von Lautsprechern mit einer Visaton-Bestückung von weniger als 50 % besser beherbergt wären. Um also nicht in Misskritik zu geraten habe ich auf die Veröffentlichung aller durchgeführten Änderungen verzichtet.

                            .

                            Zum finalen Setup:
                            Wie auf den Fotos gut zu erkennen ist habe ich die Gehäuse mit zwei verschiedenen Folien überzogen. Durch die zusätzlich aufgesetzte Front haben die generell recht stabil konstruierten Gehäuse weiter an Stabilität gewonnen. So beträgt die Materialstärke nun auch vorne 20 mm. Teile der Seitenwände weisen sogar eine Stärke von 30 mm auf (zuzüglich diverser Versteifungselemente). Die Maße belaufen sich auf 97 x 18 x 28 (h [cm] x b [cm] x t [cm]). Inklusive Bestückung und Weiche beträgt das Gewicht von einem Stück etwas mehr als 20 kg.
                            Die Hochtöner sind nicht eingefräst. Dafür fehlt mir Geschick. Interessanter ist da die Installation der Mitteltöner, da die neue Schallwand mit einem Radius ausgefräst ist (der in meiner Vorstellung als Waveguide funktioniert). Die Tieftöner sind 10 mm versenkt, sodass die Zierringe etwa bündig mit dem Holz sind.

                            "etwa bündig"…
                            Beim WSP 21 S reicht die Sicke sehr nah an die 4 Befestigungsbohrungen im Korb, sodass Schrauben diese beim Ein- und Ausschrauben leicht beschädigen / vom Korb schaben könnten. Um dies zu verhindern hat sich wohl jemand überlegt, dass bei diesem 100 Watt Tieftöner die Schrauben einen Plastik- Zierring auf den Korb drücken, um auf diese Weise als gigantische Unterlegscheibe zu dienen, sodass die Sicke vor der Rotation der Schrauben geschützt wird. Blöd nur, dass Plastik nicht unbedingt das stabilste Material ist. Verformungen sind daher vorprogrammiert.


                            Good to know:
                            Da ~ 67 % der Chassis gleichgeblieben sind gab es keine nennenswerte Entwicklung bei der Frequenzweiche, sodass sie im Großen und Ganzen vergleichbar mit älteren Versionen bleibt.
                            Hochtöner: SEAS H0519 25TFFC (Hochpass 3. Ordnung)
                            Mitteltöner: Philips (1,5 l geschlossen, Hochpass 3. Ordnung, Tiefpass ~ 2. Ordnung)
                            Tieftöner: WSP 21 S (27 l Bassreflex [33 Hz], Tiefpass 3. Ordnung, Saugkreis)


                            Frequenzgang:
                            Da die Versicherung sich ordentlich Mühe gegeben zu haben leider kein überzeugendes Merkmal ist, kommt hier eine Messung im Fernfeld:



                            Und im Nahfeld:



                            Zu der Messung des Nahfelds muss ich etwas anmerken. Da Hoch- und Mitteltöner über dieselbe Klemme des Bi-Wiring-Terminals laufen, war es mir leider nur bei dem Übergang von Tief- auf Mitteltöner möglich separate Messungen durchzuführen und deren Pegelsumme im pinken Graphen darzustellen. Wie bereits erwähnt, lief der Hochtöner bei der Nahfeldmessung des Mitteltöners mit. Bei der Türkisen Nahfeldmessung des Hochtöners sieht es so aus, als ob alle Treiber laufen. Anmerkungen diesbezüglich fehlen natürlich in den Aufzeichnungen…


                            Klanglich:
                            Alles Notwendige sollten die Frequenzgänge bereits verraten haben, jedoch geht daraus nicht hervor, wie sehr mir die Tieftöner gefällt. Bei meinem letzten Projekt (knapp 40 l ) war mir klar, dass ordentlich Krawall zu erwarten ist. Hier (unter 30 l ) bin ich umso beeindruckter, wie mühelos diese Chassis Druck aufbauen. Bei den Songs "Ich schieß ihn auf die Füße lass sie Tanzen" (Namika) oder "Let's Get Retarded" (Black Eyed Peas) könnte man meinen es würde ein Subwoofer mitlaufen. Der Wahnsinn.
                            Klänge im Grundton-, sowie unteren Mitteltonbereich kommen durchschnittlich. Richtig gut geht es dann bei dem Übergang vom Mitteltöner auf den Hochtöner weiter. Ob es die Fasen der aufgesetzten Front, die leicht versatzte Position des Mitteltöners, oder sein "Waveguide" verursacht hat weiß ich nicht, doch lösen sich die beiden Treiber gegenseitig sehr schön ab.


                            Alles in Allem:
                            Habe ich ein paar solide Lautsprecher entwickelt, die nun meinen Anforderungen entsprechen. Ich könnte mir vorstellen, dass die Optik des versenkten Mitteltöners nicht jedem gefällt – war mir anfangs selber nicht ganz sicher wie mir das gefällt, doch entwickelte sich alles zum Positiven. Im Vergleich mit der gruseligen Front aus Post #31 dürfte aber so gut wie alles als Verbesserung durchgehen.



                            Und damit ein schönes Wochenende

                            .
                            Angehängte Dateien
                            Zuletzt geändert von Dieter1337; 24.10.2020, 12:11.

                            Kommentar

                            • ubix
                              Registrierter Benutzer
                              • 26.03.2008
                              • 3732

                              #44
                              Ist natürlich viel zu spät , trotzdem einfach noch eine Variante . Das problem an der Sache ist der zu geringe Wirkungsgrad des Mitteltöners. Final_WSP_Seite.BPJ
                              Mit Freundlichem Gruß,

                              Ubix
                              __________________________________________________ ____

                              Spielt der Bass zu tief, kommt der Nachbar und droht mit Krieg.

                              Kommentar

                              Lädt...
                              X