Ankündigung

Einklappen
Keine Ankündigung bisher.

Boxsim Chassis-Daten

Einklappen
X
 
  • Filter
  • Zeit
  • Anzeigen
Alles löschen
neue Beiträge
  • Bluebox
    Registrierter Benutzer
    • 14.12.2009
    • 8

    #31
    @pulsar99, hab Vielen Dank!

    Das sieht sehr gut aus, glaube die Frequenzgänge von DMR und RHT hab ich schemenhaft so in Erinnerung.

    Damals hatte ich nichts weiter als Stark's Lautsprecherhandbuch, da geht sicher noch was zu optimieren. Mal sehen ob ich die Weichen ausgebaut bekomme. Unterlagen hab ich keine mehr. Weichen sind Eigenbau mit selbstgebauten Luftspulen.

    Ich mach wenn möglich mal Bilder davon.

    Kommentar

    • -Fabio-
      Registrierter Benutzer
      • 11.12.2009
      • 154

      #32
      Schön, dass es hier endlich nochmal was weiter geht

      Komisch, dass bis jetzt UweG oder Visaton noch nicht geantwortet haben.
      Ich hoffe das ändert sich noch

      Kommentar

      • Bluebox
        Registrierter Benutzer
        • 14.12.2009
        • 8

        #33
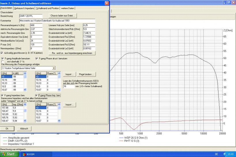
        Also ich hab jetzt mal bischen genauer geschaut, irgendwas paßt mit dem Frequenz- und Impedanzgang der DMR120 nicht.

        Visaton hat im Archiv noch das Diagramm der 4Ohm Version. Wenn ich nicht irre unterschieden sich die 4 und 8 Ohm Versionen bei den Kurven nur kaum.

        http://www.visaton.de/bilder/frequen.../dmr120_fs.gif

        Wenn ich bei boxsim nur die DMR120 direkt an den Amp hänge kommt folgende Kurve zu stande, siehe Anhang. Ist ja ganzschön 'anders'
        Mein Gehäusevolumen sollte ja keinen großen Einfluß haben, ist ja eine Kalotte.
        Der 'Berg' vor 1kHz ist natürlich extrem, auch die Impedanz runter bis auf 1 Ohm.

        Da paßt was nicht.

        Links hab ich mal die Chassiseinstellungen mit aufgemacht. Ist da manchmal ein Haken verkehrt gesetzt?
        Angehängte Dateien

        Kommentar

        • pulsar99
          Registrierter Benutzer
          • 03.12.2007
          • 845

          #34
          Hallo Bluebox,

          der Schalldruck-Frequenzgang ist so schon ok, denn da wird ja der Schallwandeinfluss mit eingerechnet. Ich hab unten mal die DMR120/8 von mir (gestrichelt) und die DMR120/4 aus der Boxsim-Archiv-Datenbank (durchgezogen) übereinandergelegt, jeweils unendliche Schallwand. Das ist schon sehr ähnlich. Mehr wundert mich der Impedanzgang, den kann ich nicht nachvollziehen. Bei mir sieht der ordentlich aus. Hab extra die Datei aus dem Anhang oben selbst noch mal runtergeladen, sogar mit Boxsim1.04 funktionierts bei mir.
          Angehängte Dateien

          Kommentar

          • knork
            Registrierter Benutzer
            • 18.09.2008
            • 1896

            #35
            huhu
            ...

            Kommentar

            Lädt...
            X