Ankündigung

Einklappen
Keine Ankündigung bisher.

Vib Extra II

Einklappen
X
 
  • Filter
  • Zeit
  • Anzeigen
Alles löschen
neue Beiträge
  • tinitus
    Registrierter Benutzer
    • 10.12.2017
    • 37

    #16
    Das sieht schon gut aus
    Wie ich sehe hast du die Dämpfung der 25 und 50 er weggelassen.

    Ich werde mit deinen Daten mal weitere Test machen.

    Wie verlässlich ist Boxsim?
    Kann ich nach den Berechnungen die Weichenteile kaufen und davon
    ausgehen das es stimmig ist.

    Mein Problem ist das sich die Boxen im Ausland befinden und ich nicht mal eben
    andere Austauschteile bekomme.

    Danke für eure Hilfe

    Kommentar

    • jama
      Registrierter Benutzer
      • 19.07.2009
      • 4888

      #17
      und noch "à la walwal" trennung 747Hz und 4171 Hz

      boxsim ist zuverllässig


      Angehängte Dateien
      • ’’Freiheit ist das Recht, anderen zu sagen, was sie nicht hören wollen. ‘‘ George Orwell
      • „Niemand ist frei, der nicht über sich selbst Herr ist. ‘‘ Matthias Claudius.

      deutsch ohne "sz" ABER mit fehler, tchüss! Jean-Marc.

      Kommentar

      • tinitus
        Registrierter Benutzer
        • 10.12.2017
        • 37

        #18
        Super danke
        Kriegst du den Tieftöner noch angehoben ?

        Kommentar

        • jama
          Registrierter Benutzer
          • 19.07.2009
          • 4888

          #19
          Zitat von tinitus Beitrag anzeigen
          Super danke
          Kriegst du den Tieftöner noch angehoben ?
          leider nein !

          die 3,3 ohms in rot muss noch dazu um den verstärker vor schwingungen zu schützen

          Angehängte Dateien
          • ’’Freiheit ist das Recht, anderen zu sagen, was sie nicht hören wollen. ‘‘ George Orwell
          • „Niemand ist frei, der nicht über sich selbst Herr ist. ‘‘ Matthias Claudius.

          deutsch ohne "sz" ABER mit fehler, tchüss! Jean-Marc.

          Kommentar

          • ubix
            Registrierter Benutzer
            • 26.03.2008
            • 3709

            #20
            Nochne Variante
            Angehängte Dateien
            Mit Freundlichem Gruß,

            Ubix
            __________________________________________________ ____

            Spielt der Bass zu tief, kommt der Nachbar und droht mit Krieg.

            Kommentar

            • jama
              Registrierter Benutzer
              • 19.07.2009
              • 4888

              #21
              gute simu ubix !
              guter f-gang und gute bündelung
              ich hab sie leicht geändert (in rot)
              gestrichelt deine simu
              der ef-gang ist besser so


              Angehängte Dateien
              • ’’Freiheit ist das Recht, anderen zu sagen, was sie nicht hören wollen. ‘‘ George Orwell
              • „Niemand ist frei, der nicht über sich selbst Herr ist. ‘‘ Matthias Claudius.

              deutsch ohne "sz" ABER mit fehler, tchüss! Jean-Marc.

              Kommentar

              • tinitus
                Registrierter Benutzer
                • 10.12.2017
                • 37

                #22
                Danke für eure super Unterstützung klasse Forum!

                Frage zu den Wiederständen im Mitte und Hochtonbereich.

                Ich habe eine Software für die Berechnung von Spannungsteiler gefunden,
                komme aber nicht an die dafür vorgesehenen Werte zueinander.

                Welche Auswirkungen hat das wenn ich die Weiche nach euren letzten
                Vorschlag aufbaue und die Werte des spannungteilers ignoriere ?


                http://www.jobst-audio.de/tools-frequenzweiche/l-pad

                Gruß
                Martin

                Kommentar

                • walwal
                  Registrierter Benutzer
                  • 08.01.2003
                  • 28802

                  #23
                  Unabhängig von der endgültigen Weiche sollte eine Möglichkeit vorgesehen werden, den Pegel im Mittelhochton mit Widerständen im Hörraum anzupassen, denn Kalotten strahlen breit und daher hat der Raum großen Einfluss auf den Klang.

                  Du kannst Anschlüsse zur Rückseite der Box leiten und dort zumindest den R in Reihe tauschen, dann nach Gehör am Hörplatz abstimmen. Die Pegelsteller waren daher sinnvoll, leider auch anfällig für Störungen.
                  „Audiophile verwenden ihre Geräte nicht, um Ihre Musik zu hören. Audiophile verwenden Ihre Musik, um ihre Geräte zu hören.“

                  Alan Parsons

                  Kommentar

                  • tinitus
                    Registrierter Benutzer
                    • 10.12.2017
                    • 37

                    #24
                    Ich kann die Kabel durch das Bassreflexrohr aus der
                    Box rausführen und mit den Weichen außerhalb testen.
                    Sollte also kein Problem sein.

                    Gibt es keine Pegelsteller mit festen
                    Abstufungen ohne Schleifkontakte ??
                    Zuletzt geändert von tinitus; 21.11.2019, 09:04.

                    Kommentar

                    • goofy_ac
                      Registrierter Benutzer
                      • 17.02.2018
                      • 1239

                      #25
                      Zitat von jama Beitrag anzeigen
                      die 3,3 ohms in rot muss noch dazu um den verstärker vor schwingungen zu schützen
                      Gleicher Widerstand an gleicher Stelle wie in meiner Weiche - damit hast Du dann auch meine Frage beantwortet - Danke jama

                      Viele Grüße - Axel

                      Kommentar

                      • walwal
                        Registrierter Benutzer
                        • 08.01.2003
                        • 28802

                        #26
                        Zitat von tinitus Beitrag anzeigen
                        ,,,,
                        Gibt es keine Pegelsteller mit festen
                        Abstufungen ohne Schleifkontakte ??

                        Sicher gibt es die, aber da verbaust du viele Widerstände für alle möglichen Werte.
                        „Audiophile verwenden ihre Geräte nicht, um Ihre Musik zu hören. Audiophile verwenden Ihre Musik, um ihre Geräte zu hören.“

                        Alan Parsons

                        Kommentar

                        • jama
                          Registrierter Benutzer
                          • 19.07.2009
                          • 4888

                          #27
                          fixiere deine weiche ausser der box auf die hinterwand

                          verlasse dich eher auf boxsim fuer den spannungsteiler
                          • ’’Freiheit ist das Recht, anderen zu sagen, was sie nicht hören wollen. ‘‘ George Orwell
                          • „Niemand ist frei, der nicht über sich selbst Herr ist. ‘‘ Matthias Claudius.

                          deutsch ohne "sz" ABER mit fehler, tchüss! Jean-Marc.

                          Kommentar

                          • walwal
                            Registrierter Benutzer
                            • 08.01.2003
                            • 28802

                            #28
                            Im Prinzip hat Jama Recht, nimm zuerst die Boxsim-Werte, dann höre mal. Mitteltonkalotten werden meist etwas leiser abgestimmt, sonst klingt es zu hart wegen der breiten Abstrahlung.

                            Die Bündelung im MT-Bereich ist etwa 2 dB geringer, das klingt dann im Raum lauter.
                            Zuletzt geändert von walwal; 21.11.2019, 12:03.
                            „Audiophile verwenden ihre Geräte nicht, um Ihre Musik zu hören. Audiophile verwenden Ihre Musik, um ihre Geräte zu hören.“

                            Alan Parsons

                            Kommentar

                            • walwal
                              Registrierter Benutzer
                              • 08.01.2003
                              • 28802

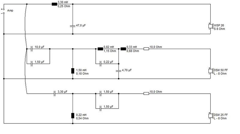
                              #29
                              Hier mein Vorschlag, er basiert auf der Ubix-Weiche. Durch je einen Vorwiderstand (10 Watt oder mehr) kann der Pegel im MT und HT einfach gesenkt werden, die kann man testweise zuschalten, dann einlöten.

                              Der DSM 50 sollte nicht tiefer als 1000 getrennt werden. Bündelung ist noch etwas gleichmäßiger jetzt. Die DSM 50 ist bewusst leiser gestellt.
                              Angehängte Dateien
                              „Audiophile verwenden ihre Geräte nicht, um Ihre Musik zu hören. Audiophile verwenden Ihre Musik, um ihre Geräte zu hören.“

                              Alan Parsons

                              Kommentar

                              • ubix
                                Registrierter Benutzer
                                • 26.03.2008
                                • 3709

                                #30
                                Zitat von walwal Beitrag anzeigen
                                Der DSM 50 sollte nicht tiefer als 1000 getrennt werden. Bündelung ist noch etwas gleichmäßiger jetzt. Die DSM 50 ist bewusst leiser gestellt.
                                Ja, die etwas höhere Trennfrequenz scheint dem DSM 50 wohl besser zu liegen.
                                Mit Freundlichem Gruß,

                                Ubix
                                __________________________________________________ ____

                                Spielt der Bass zu tief, kommt der Nachbar und droht mit Krieg.

                                Kommentar

                                Lädt...
                                X