Ankündigung

Einklappen
Keine Ankündigung bisher.

Boxsim 2.0 ist erschienen

Einklappen
X
 
  • Filter
  • Zeit
  • Anzeigen
Alles löschen
neue Beiträge
  • UweG
    Registrierter Benutzer
    • 29.07.2003
    • 5687

    #31
    @andi_m und alle:
    Einen MKT-A 15µF hat meine Bauteilkiste nich hergegeben, aber eien MKT 15 µF. Ich gehe mal davon aus, dass sie zumindest sehr ähnlich sind. Den 15 µF MKT misst mein Arta mit 14,4 µF und 65 mOhm bei 1000 Hz. Das bewirkt tatsächlich 0,1 dB niedrigeren Pegel in der Simulation .
    Hat jemand noch eine Hypothese?
    Boxsim ... wenn Lautsprechersimulation gelingen soll.

    Kommentar

    • jama
      Registrierter Benutzer
      • 19.07.2009
      • 4888

      #32
      deine messung hängt von der frequenz ab --> 100hz # 1khz # 10khz

      das equivalent schema eines condo
      L kommt von den kabeln, Rc von den connection, Rd vom dielektrikum,


      und auch von der Qualität der Wicklungen
      Angehängte Dateien
      • ’’Freiheit ist das Recht, anderen zu sagen, was sie nicht hören wollen. ‘‘ George Orwell
      • „Niemand ist frei, der nicht über sich selbst Herr ist. ‘‘ Matthias Claudius.

      deutsch ohne "sz" ABER mit fehler, tchüss! Jean-Marc.

      Kommentar

      • jama
        Registrierter Benutzer
        • 19.07.2009
        • 4888

        #33
        default ohne buckel
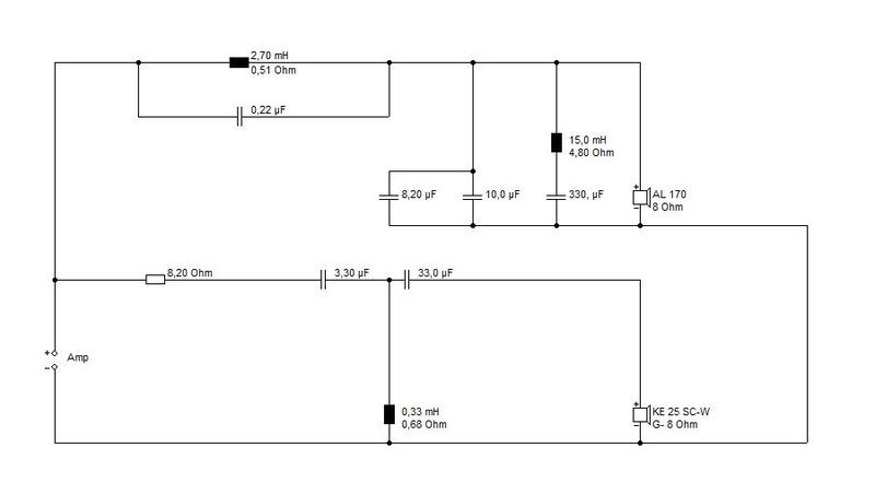
        2,7mH spule von Mundorf 1,4 mmm und 0,51 ohms oder eine LR 1mm 0,24 ohms

        0,22 microF mkp kostet ca 0,57 euros
        Angehängte Dateien
        • ’’Freiheit ist das Recht, anderen zu sagen, was sie nicht hören wollen. ‘‘ George Orwell
        • „Niemand ist frei, der nicht über sich selbst Herr ist. ‘‘ Matthias Claudius.

        deutsch ohne "sz" ABER mit fehler, tchüss! Jean-Marc.

        Kommentar

        • UweG
          Registrierter Benutzer
          • 29.07.2003
          • 5687

          #34
          @jama:
          Ich habe den Kondi bei 1000Hz gemessen und bei 1300Hz tritt der Buckel auf. Da ist nichts was ihn erklären kann.
          Klar kann man die Simu begradigen, aber die Messung der Box hat den Buckel nicht.

          Meine Frage ist: Was ist an der realen Bijou 170 WG oder an der Messung der Box anders als es simuliert wird. Die Simulationsdaten können es meiner Meinung nach nicht sein und die Simulation rechnet wohl auch nicht falsch, aber sie berücksichtigt etwas nicht.

          Mal so als Erfahrung: Ich habe mal einen W170S in ein Gehäuse gebaut, dass noch etwas schmaler war als das der Bijou 170. Da gab es ein unerklärliches Loch bei 1400Hz im Frequenzgang. Ich habe die Messung nicht mehr, aber ich meine, es wären noch mehr als 2 dB gewesen.
          Boxsim ... wenn Lautsprechersimulation gelingen soll.

          Kommentar

          • ubix
            Registrierter Benutzer
            • 26.03.2008
            • 3730

            #35
            Zitat von jama Beitrag anzeigen
            default ohne buckel
            2,7mH spule von Mundorf 1,4 mmm und 0,51 ohms oder eine LR 1mm 0,24 ohms

            0,22 microF mkp kostet ca 0,57 euros
            So geht`s auch.
            Ich hatte noch bei der Bassentzerrung 15mH und 330 uF ein 3,3 Ohm Widerstand reingesetzt, damit die Impedanzsenke zwischen 50 und 100 Hz weg ist.
            Mit Freundlichem Gruß,

            Ubix
            __________________________________________________ ____

            Spielt der Bass zu tief, kommt der Nachbar und droht mit Krieg.

            Kommentar

            • ubix
              Registrierter Benutzer
              • 26.03.2008
              • 3730

              #36
              Zitat von UweG Beitrag anzeigen
              @jama:
              Ich habe den Kondi bei 1000Hz gemessen und bei 1300Hz tritt der Buckel auf. Da ist nichts was ihn erklären kann.
              Klar kann man die Simu begradigen, aber die Messung der Box hat den Buckel nicht.

              Meine Frage ist: Was ist an der realen Bijou 170 WG oder an der Messung der Box anders als es simuliert wird. Die Simulationsdaten können es meiner Meinung nach nicht sein und die Simulation rechnet wohl auch nicht falsch, aber sie berücksichtigt etwas nicht.
              Ja, das ist wirklich ein seltsames Phänomen. Ist die Frage, ob dies jetzt nur zufällig bei der Bijou auftritt, oder auch bei anderen Situationen, bzw. Weichenschaltungen.
              Manoman, heute bin ich aber spät dran.. bis später.
              Mit Freundlichem Gruß,

              Ubix
              __________________________________________________ ____

              Spielt der Bass zu tief, kommt der Nachbar und droht mit Krieg.

              Kommentar

              • jama
                Registrierter Benutzer
                • 19.07.2009
                • 4888

                #37
                mit den daten vom Al170-8 von boxsim 1.2 ist der buckel auch vorhanden
                Angehängte Dateien
                • ’’Freiheit ist das Recht, anderen zu sagen, was sie nicht hören wollen. ‘‘ George Orwell
                • „Niemand ist frei, der nicht über sich selbst Herr ist. ‘‘ Matthias Claudius.

                deutsch ohne "sz" ABER mit fehler, tchüss! Jean-Marc.

                Kommentar

                • Sv.n.K
                  Registrierter Benutzer
                  • 26.09.2017
                  • 334

                  #38
                  Zu der Differenz zwischen Simulation und Messung bei der B170WG.
                  Könnte es das WG sein?
                  Ich habe mal an diesem Testlautsprecher statt dem WG eine 3mm MDF-Platte gesetzt und verglichen (siehe hier). Der Effekt ist minimal. Aber der AL170 ist ja auch zwei Nummern größer als der TI100...?

                  Grüße
                  Sven

                  Kommentar

                  • „Q“
                    Registrierter Benutzer
                    • 16.07.2017
                    • 866

                    #39
                    Guten Morgen,

                    erstmal auch von mir vielen Dank für diese neue tolle Version.

                    Wegen des Buckels, genau die Vermutung des WG‘s hab ich gerade auch dran gedacht. Könnte es das wirklich sein? Bei meinen Versuchen mit der Studio1 light Version sind mir ähnliche Buckel bei 1.9 aufgefallen die so in der Messung nicht vorhanden waren. Ich dachte immer ich messe da was falsch.
                    meine Kreationen: ProjectX (bald fertig)
                    Studio1 light Version & Pacto aus übertriebenem 19mm MDF & BlueOne Bluetooth Box
                    Ein paar vor urzeiten gebaute simple Surround rears: 2-Wege Surrounds mit WS13BF & DTW95NG
                    Hiermit fing alles an: 3-Wege Box Überarbeitung mit GF250, AL130 & DSM25FFL im WG (vielen vielen Dank für die Hilfe )

                    Kommentar

                    • Azrael
                      Registrierter Benutzer
                      • 16.07.2004
                      • 491

                      #40
                      Zitat von UweG Beitrag anzeigen
                      Das kann man nicht, aber mich würde trotzdem interessieren, wofür das unverzichtbar ist und wie Du dir das vorstellen würdest. Daten von der unendlichen Schallwand wirst Du ja wohl nicht haben.
                      Meine Vorgehensweise ist die, dass ich die Treiber in das vorgesehene Gehäuse einbaue und dann messe, auch unter Winkel. Die so gewonnen, nicht gerade wenigen FG-Messungen importiere ich dann in ein geeignetes Simulationsprogramm und entwickele dann meine Weiche. Alle Änderungen an der Weiche werden dann vom Simulationsprogramm auch auf die Winkelmessungen angewendet. Ich brauche also eigentlich gar keine Messdaten von Treibern in unendlicher Schallwand, außer vielleicht für eine Vorauswahl geeigneter Treiber für ein Projekt.

                      Die Simulationsergebnisse stimmen so dann auch erstaunlich genau mit den Messergebnissen des fertigen Aufbaus überein.

                      Als ich noch nicht so viel um Winkelmessungen gegeben habe, habe ich gerne das alte Boxsim benutzt, die Bedienung war mir recht eingängig. Dort war es kein Problem, eigene Messungen einzupflegen, wenngleich es bei dieser alten Version eben nur mit einer FG-Messung pro beteiligtem Treiber ging. Andere Simulationsprogramme zeigen aber, dass auch das Importieren und Hantieren mit mehreren FG-Messungen pro Treiber kein Problem darstellen muss.

                      Aber es kann natürlich sein, dass das kein gewünschtes Feature ist, obwohl ich eigentlich dachte, meine oben kurz beschriebene Vorgehensweise wäre die übliche.

                      Viele Grüße,
                      Azrael

                      Kommentar

                      • jama
                        Registrierter Benutzer
                        • 19.07.2009
                        • 4888

                        #41
                        ich hab die daten vom Al170-8 nachgeprüft , stimmt alles ausser der BL
                        6,35 fuer boxsim 2 gegen 6,9 fuer visaton

                        das ändert nix in der simu
                        • ’’Freiheit ist das Recht, anderen zu sagen, was sie nicht hören wollen. ‘‘ George Orwell
                        • „Niemand ist frei, der nicht über sich selbst Herr ist. ‘‘ Matthias Claudius.

                        deutsch ohne "sz" ABER mit fehler, tchüss! Jean-Marc.

                        Kommentar

                        • walwal
                          Registrierter Benutzer
                          • 08.01.2003
                          • 28840

                          #42
                          Mal ein Beispiel, was alles mit dem neuen Boxsim und WG machbar ist.

                          Katja (Al 200 + Al 130 + KeWg) oben mit 5 cm Fasen oben
                          Katja (...........................Ke) mit 1cm Fase seitlich
                          Angehängte Dateien
                          „Audiophile verwenden ihre Geräte nicht, um Ihre Musik zu hören. Audiophile verwenden Ihre Musik, um ihre Geräte zu hören.“

                          Alan Parsons

                          Kommentar

                          • Burns
                            Registrierter Benutzer
                            • 08.12.2008
                            • 1367

                            #43
                            Mächtiges DANKESCHÖN für die Weiterentwickliung von Boxsim!!!
                            Hab schon einiges durchprobiert und bin sehhr begeistert

                            Div Simus (Vox200, Experience V20,..) sind noch etwas üppig auch mit den neuen Messungen, dafür triffts andere wieder sehr genau

                            lg Burns

                            Kommentar

                            • UweG
                              Registrierter Benutzer
                              • 29.07.2003
                              • 5687

                              #44
                              Könnte es das WG sein?
                              Daran hatte ich noch gar nicht gedacht. Das hätte ich tatsächlich auch nicht ausschließen wollen. Deine Messungen zeigen aber, dass es wohl nicht das WG ist. Der AL170 sitzt mit seinem Zentrum sicher etwas weiter weg als der TI in deiner Testbox und zudem fängt er bei 1300Hz schon an zu richten. Da wird die Beeinflussung durch Objekte auf der Schallwand eher noch geringer sein.

                              Meine Vorgehensweise ist die, dass ich die Treiber in das vorgesehene Gehäuse einbaue und dann messe, auch unter Winkel. Die so gewonnen, nicht gerade wenigen FG-Messungen importiere ich dann in ein geeignetes Simulationsprogramm und entwickele dann meine Weiche. Alle Änderungen an der Weiche werden dann vom Simulationsprogramm auch auf die Winkelmessungen angewendet.
                              Das ist natürlich in der Tat eine sehr professionelle Vorgehensweise, allerdings auch eine sehr aufwändige. Schließlich muss jedes Gehäuse, das simuliert werden soll, auch physisch vorhanden sein und, wie wir spätestens aus dem Arta-Ringversuch-Thread wissen, fallen gute Messungen auch nicht vom Himmel.

                              Andere Simulationsprogramme zeigen aber, dass ...
                              Ich kenne nur ein Programm, das Frequenzgänge in Winkeln einlesen kann, nämlich VituixCAD. VituixCAD basiert auf einem völlig anderen Konzept als Boxsim, ist aber zweifelsfrei ein sehr leistungsfähiges Simulationsprogramm für Lautsprecherboxen.
                              Boxsim ... wenn Lautsprechersimulation gelingen soll.

                              Kommentar

                              • S. Brandt
                                Registrierter Benutzer
                                • 12.05.2003
                                • 150

                                #45
                                Wow, tolles Programm. Riesige Spielwiese.
                                Danke!
                                Grüße
                                Steffen

                                Kommentar

                                Lädt...
                                X