Ankündigung

Einklappen
Keine Ankündigung bisher.

"Ultra" Light Conga

Einklappen
X
 
  • Filter
  • Zeit
  • Anzeigen
Alles löschen
neue Beiträge
  • Timo
    Registrierter Benutzer
    • 22.06.2004
    • 10883

    #16
    Hallo buddha,
    der dt ist ein nicht schlechter hochton, allerdings macht er auch einiges "falscher" als etwas teurere Höchtöner von Visaton:
    http://timo.boxsim-db.de/_PDF/Treffe...menfassung.pdf

    Im Karlsruher Treffen dieses Jahr war es deutlich dass der DT zwar gut ist aber die anderen beiden Treiber des Vergleichstests um längen besser waren, kann man in der angehängten Zusammenfassung nachlesen.

    sollte man zwar hier im forum nicht schreiben, aber bei seas und tangband gibt es fürs gleiche Geld ausgesprochen gute Hochtöner, speziell bei den Hochtöneren vemisse ich noch das eine oder andere Highlight, eine NEO KE zum Beispiel oder ein 19ner Metaller evtl auch NEO (kleine Bauform), usw. wenn man diese hier nicht bekommt sollte man woanders schauen.

    Gruß Timo

    Kommentar

    • buddha
      Registrierter Benutzer
      • 07.02.2011
      • 27

      #17
      Ahha, Danke Timo.

      dem nächsten treffen werd ich wohl auch mal beiwohnen.
      Da kann ich mir die einzelnen Hochtöner im Direktvergleich anhören. (Mich mit anderen Boxennarren austauschen)

      Ich bin am überlegen mir mal ein paar G20sc zu bestellen die Weiche anzupassen und dann mal zu hören. Der Frequenzgang sagt mir sehr zu.

      Ich werd aber erst eine Messung mit ARTA machen.

      P.S. Der Bericht ist sehr gut über das treffen. Endlich mal ein paar Aussagen über die Pentaton. Das ist wie ich finde auch ne fette Männerbox.

      Kommentar

      • bili
        Registrierter Benutzer
        • 04.01.2005
        • 1019

        #18
        Beim DT94 gibt es ja durchaus gespaltene Meinungen.
        Ich (der Besitzer der VIB Micro SE, dessen G25FFL auf dem Treffen erstaunlich gut weg gekommen ist) muss ganz ehrlich sagen, dass ich der Meinung bin, dass es lediglich eine Frage der Abstimmung ist. Ich verbaue die DT94 eigentlich gerne. Wenn man sich mal so Dinge anschaut wie Klirr, Rundstrahlverhalten und Wirkungsgrad, dann macht die DT94 garnicht soooooviel falsch sondern sogar sehr viel richtig in dieser Preisklasse.
        Das einzige was man ihr anlasten kann ist eine deutliche Spitze im Frequenzgang im Superhochton (und vielleicht, dass man sie nicht sehr tief ankoppeln kann).

        Diese Spitze empfinden manche als "scharf" und unangenehm, andere wiederum als "spritzig" und frisch.
        Nichtsdestotrotz kann man diese Spitze mit einem sehr billigen Saugkreis in der Weiche einbremsen, wenn man denn will, und dann ist das ein sehr linearer Hochtöner, der bei korrektem Einsatz NICHTS mehr falsch macht.

        Den Unterschied zur G20 würdest du wohl deutlich hören.
        Den Unterschied zur G20, wenn du deine DT94 vorher mit dem Saugkreis linearisierst behaupte ich jedoch, wirst du als deutlich weniger krass empfinden
        Viele Grüße,
        Sebastian


        Onkyo TX9031RDS + Onkyo DX7355 + Dual CS 704 (mein Schätzchen ) + VIB Micro SE

        Kommentar

        • excysyr
          Registrierter Benutzer
          • 29.12.2010
          • 276

          #19
          ich kann mich bili nur anschliessen, ich hab beide ausgiebig gehört...

          von besser oder schlechter würd ich nicht sprechen.

          wenn du das mit der g20 machst, sorg dafür das die trennfrequenz so bei 3000 Hz liegt, so hat sie mir am besten gefallen
          Breitband-Günstig-Hörner-Papier und PP - alles klar?

          Kommentar

          • Timo
            Registrierter Benutzer
            • 22.06.2004
            • 10883

            #20
            dem nächsten treffen werd ich wohl auch mal beiwohnen.
            ungefähr die gleiche Strecke bist du nach Haan unterwegs.
            Dresden nach Karlsruhe bin ich immer 5 Stunden unterwegs gewesen,
            ungefähr die gleiche Zeit dürftest du nach Haan benötigen.

            Gruß Timo

            Kommentar

            • buddha
              Registrierter Benutzer
              • 07.02.2011
              • 27

              #21
              Gemessen hab ich mit:
              ->Kondensator Mikrofon (Niere) mit Kalibrierdatei
              --> Direkt rein ins Mischpult
              ---> Durchs integrierte Interface via USB zum Rechner/ARTA Software.

              Abstand zur Box 44cm
              Das Mikrofon wurde zwischen den Mittel und Hochtöner positionert.
              Angehängte Dateien
              Zuletzt geändert von buddha; 12.02.2012, 21:23.

              Kommentar

              • buddha
                Registrierter Benutzer
                • 07.02.2011
                • 27

                #22
                Ich hab das nochmal gemessen. Ich hab da ein Fehler in meiner Messkette gehabt. Die Frequenzgang hab ich ersetzt.

                Geholfen hat das ARTA Kompendium.

                Hatte leider kein Messmikro und ein Freund hatte ein Studiomikrofon. Ich denke immer noch besser als ein 10Euro Dynamisches Mikrofon.

                Kommentar

                • buddha
                  Registrierter Benutzer
                  • 07.02.2011
                  • 27

                  #23
                  Es ist wieder so weit...

                  Moin,

                  8 Jahre später! Ich bin soweit und spiele mit dem Gedanken die G20SC in die Ultra Light Conga einzubauen
                  Ich bin seit drei Tage am Simulieren, meine Freundin schlägt mich bald.
                  Zwei favoriten haben sich rausgebildet.

                  Die Idee bleibt gleich, eine Conga, etwas kleiner aber mit guten klanglichen Eigenschaften.
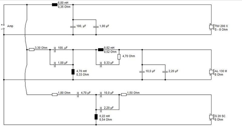
                  Die Bandpassfilterung vom AL130m ist mir aber unklar. Bei der Conga wird zum HT extrem Steilflankig gefiltert!? Muss das so? Ich hab noch ein lässigeres Filter simuliert, aber schaut selbst und gebt reichlich eure Meinungen.
                  Phase hab ich versucht zu beachten. Impedanz hab ich auch versucht nie unter 4 Ohm zu würgen.

                  - Gehäuse hat 53 Liter
                  - Abstimmfrequenz ist 40hz
                  - Al 130m hat kein eigenes Gehäuse.
                  - DT94 8 Ohm wird gegen G20 ausgetauscht.
                  - Alle großen Kondensatoren bekommen ein kleinen Kondensator parallel.
                  geschaltet.

                  Viele Grüße Buddha
                  Angehängte Dateien

                  Kommentar

                  • jama
                    Registrierter Benutzer
                    • 19.07.2009
                    • 4888

                    #24
                    es war ein unsinn in deiner weiche, ich hab es korrigiert

                    - Alle großen Kondensatoren bekommen ein kleinen Kondensator parallel.

                    ist schon in der weiche drin...
                    Angehängte Dateien
                    • ’’Freiheit ist das Recht, anderen zu sagen, was sie nicht hören wollen. ‘‘ George Orwell
                    • „Niemand ist frei, der nicht über sich selbst Herr ist. ‘‘ Matthias Claudius.

                    deutsch ohne "sz" ABER mit fehler, tchüss! Jean-Marc.

                    Kommentar

                    • buddha
                      Registrierter Benutzer
                      • 07.02.2011
                      • 27

                      #25
                      Vielen Dank Jama.
                      Frequenzgang sieht gut aus. Schön wie der HT bei 30° ab 10k glatt wird.
                      Was meinst du zum Phasengang? Gibt es deiner Meinung nach Probleme?
                      Nach meiner leihenhaften Einschätzung laufen alle Phasengleich.

                      Gruß Buddha
                      Angehängte Dateien

                      Kommentar

                      • studiowork
                        Registrierter Benutzer
                        • 21.11.2002
                        • 374

                        #26
                        Mitteltöner im Bassreflex? Abstimmfrequenz bei 67Hz?

                        Hat das einen bestimmten Hintergrund?

                        lg Hubert

                        Kommentar

                        • buddha
                          Registrierter Benutzer
                          • 07.02.2011
                          • 27

                          #27
                          Der Al130m ist im Bassreflexgehäuse ohne eigenes geschlossenes verbaut. Welche Abstimmfrequenz wäre sinnvoll?

                          Kommentar

                          • nlcarbon
                            Registrierter Benutzer
                            • 15.02.2012
                            • 1526

                            #28
                            Das geht nicht! Der braucht sein eigens abgeschlossenes Volumen! Als Mitteltöner natürlich ohne Bassrefex.

                            Wie kann das sein das das seit 2011 keiner bemängelt hat Man sieht es ja auf den Bildern im 1. Post das du das ohne Mitteltongehäuse gebaut hast.
                            Angehängte Dateien
                            Zuletzt geändert von nlcarbon; 22.02.2019, 18:08.

                            Kommentar

                            • buddha
                              Registrierter Benutzer
                              • 07.02.2011
                              • 27

                              #29
                              Schlecht klingt die Box jetzt nicht. Aber gut, der MT muss in ein Gehäuse, wenn er muss!?

                              Kommentar

                              • squeeze
                                Registrierter Benutzer
                                • 10.07.2006
                                • 2333

                                #30
                                Das auf den Bildern ist doch von hinten gezeigt. Das hätte auch nicht gunktioniert, der AL wäre ihm doch entgegen gesprungen.
                                Freundliche Grüße
                                Vision BS, B200 Orgue, Solo75, Disub12, Fiesta25, Studio 1 KE+ BR25.50, Topas KE
                                Heimkino CT Main200, CT Center 170, CT Dipol 130, TL SUB

                                Kommentar

                                Lädt...
                                X