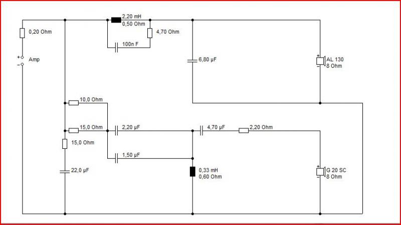
Habbse noch leicht angepasst, ausgehend von den Vorschlägen aus diesem Thread. Ist jetzt als CB ausgeführt.
MfG

aber wat mut, dat mut!
Beim Besuch unseres Forums werden Cookies gesetzt. Dies sind kleine Textdateien, die lokal auf Ihrem Rechner in den Browserverlauf gespeichert werden. Die auf unserer Forums-Website eingesetzten Cookies sind technisch erforderlich und gewährleisten den Betrieb und die Komfort-Funktionalitäten des Forums.
Während Ihres Forum-Besuchs werden keine Cookies zu Marketingzwecken oder für Statistiken und Analysen gesetzt. Auch werden keine Daten an Dritte übermittelt.
Detaillierte Informationen zu unserer Verarbeitung von personenbezogenen Informationen erhalten Sie in unserer Datenschutzerklärung.
Wenn Sie auf „Einverstanden“ klicken, stimmen Sie unserer Datenschutzerklärung und dem Einsatz von technisch erforderlichen Cookies zu.
Kommentar