Ankündigung

Einklappen
Keine Ankündigung bisher.

Wandlautsprecher Direktstrahler AL130 + G20 SC

Einklappen
X
 
  • Filter
  • Zeit
  • Anzeigen
Alles löschen
neue Beiträge
  • Nesi
    Registrierter Benutzer
    • 10.08.2020
    • 61

    Wandlautsprecher Direktstrahler AL130 + G20 SC

    Hallo zusammen,
    ich habe nach dem ich die Frontlautsprecher vor 2 Jahren fertig gemacht habe endlich Zeit gefunden mich an die Wandlausprecher herangewagt.
    Jürgen hatte für mich die Weiche berechnet.

    Die Schwarze Box hatte ich als Vorlage genommen.

    Als Receiver habe ich den Denon 4800h.
    Hinten habe ich 2x visaton couplet ke
    Vorne DSM 25 FF+AL 130 M+TIW 300
    Center ist von Ruark Dialogue 2



    Wenn ich es fertig habe mit lakieren usw. melde ich mich erneut.
    Zuletzt geändert von Nesi; 07.08.2023, 22:29.
  • Nesi
    Registrierter Benutzer
    • 10.08.2020
    • 61

    #2
    Ich habe noch 2 von den couplet davon nehme ich die Lautsprecher und dazu habe ich die Weichenteile + 2 Hochtöner gekauft, jetzt habe ich alle 4 Gehäuse zusammen.
    Kann dann bald mit dem Lackieren los gehen.

    Wenn die Center kaputt gehen baue ich wieder neue Lautsprecher in das Couplet Gehäuse und benutze es als Center.
    Extra Subwoofer habe ich nicht weil die TIW300 schon sehr tiefen Bass erzeugen und es mir reicht.
    Jetzt kann ich auch alle 9 Kanäle vom Denon nutzen.
    Angehängte Dateien

    Kommentar

    • Nesi
      Registrierter Benutzer
      • 10.08.2020
      • 61

      #3
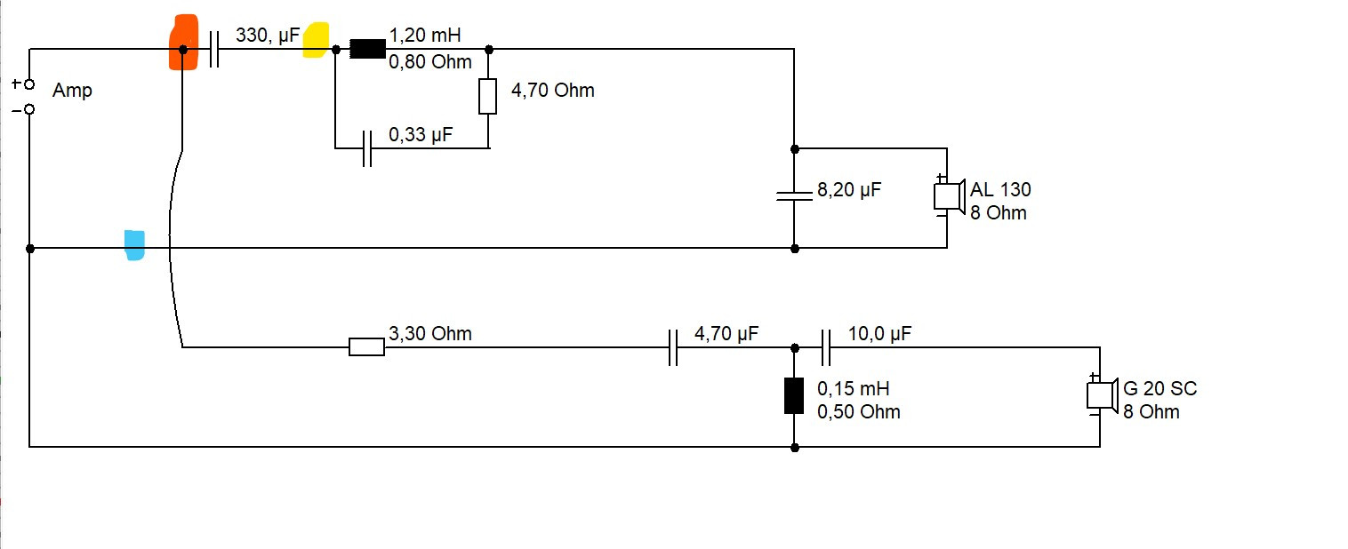
      Klicke auf die Grafik für eine vergrößerte Ansicht  Name: image_54336.jpg Ansichten: 3 Größe: 313,2 KB ID: 715364 Klicke auf die Grafik für eine vergrößerte Ansicht  Name: image_54334.jpg Ansichten: 3 Größe: 74,2 KB ID: 715365
      Hallo zusamen, ich bin gerade die Weiche am löten und habe eine Frage.

      Ich habe nur den AL 130 Strang aufgebaut und wenn ich daran den Widerstand messe bekomme ich keinen Wert Angezeigt, wenn ich nach dem 330 Kondensator messe bekommen ich den Widerstand von 6,7 Ohm angezeigt ist das normal?

      Siehe Anhang, Rot zu Blau nix und Gelb zu Blau 6,7 Ohm. Es ist ein GHP

      Wenn ich 9V Block Batterie kurz dran mache, schlägt es ganz kurz aus ohne das der AL130 richtig auschlägt, dahinter macht es das. Habe den Kondensator gemessen der ist nicht defekt und liefert den richtigen Wert.
      Angehängte Dateien

      Kommentar

      • goofy_ac
        Registrierter Benutzer
        • 17.02.2018
        • 1200

        #4
        Hi Nesi

        das Ohmmeter sendet eine Gleichspannung aus - der Kondensator arbeitet als Filter (Trennung) für Gleichspannung - insofern ist ein Wert Null richtig…

        Im Betrieb mit Ton / Wechselspannung schauts anders aus - die wird durchgelassen

        Viele Grüße - Axel

        Kommentar

        • Nesi
          Registrierter Benutzer
          • 10.08.2020
          • 61

          #5
          Alles klar, dann löte ich mal weiter :-) Hatte schon Angst das ich etwas falsch mache.

          Kommentar

          • Nesi
            Registrierter Benutzer
            • 10.08.2020
            • 61

            #6
            Hier noch das Bild von den Couplet die habe ich in der selben Farbe jetzt.

            . Klicke auf die Grafik für eine vergrößerte Ansicht  Name: WhatsApp Bild 2023-12-22 um 22.19.07_bedc5668.jpg Ansichten: 0 Größe: 304,3 KB ID: 715369

            Kommentar

            • walwal
              Registrierter Benutzer
              • 08.01.2003
              • 28591

              #7
              Im Netz gibt es jede Menge Sinusgeneratoren, damit kannst du testen. Aber brauchst du nicht. Wenn die Box fertig ist, leise Musik spielen, ob teif aus tief und hoch aus Hochton kommt, dann lauter anhören, ohne Wand wird es dünn klingen. Das wird schon.
              „Audiophile verwenden ihre Geräte nicht, um Ihre Musik zu hören. Audiophile verwenden Ihre Musik, um ihre Geräte zu hören.“

              Alan Parsons

              Kommentar

              • goofy_ac
                Registrierter Benutzer
                • 17.02.2018
                • 1200

                #8
                Zitat von Nesi Beitrag anzeigen
                Klicke auf die Grafik für eine vergrößerte Ansicht Name: image_54336.jpg Ansichten: 3 Größe: 313,2 KB ID: 715364
                Ich hab mal eine Frage zu Deinem Direktstrahler - hatte mir auch den Aufbau von Reims, den Du glaube ich als Vorlage genommen hast, angeschaut, bin derzeit an etwas ähnlichem dran

                Auf dem Bild Deiner rohen MDF-Gehäuse sieht es aus, als wenn Du Seiten und Front auf Gehrung geschnitten hättest? Gab das bei Winkeln von 22,5Grad auf der Säge keine Probleme mit der Masshaltigkeit? An solchen „krummen“ Winkeln habe ich mich bisher nur einmal versucht - mit extrem mässigem Erfolg…

                Viele Grüße - Axel

                Kommentar

                • Nesi
                  Registrierter Benutzer
                  • 10.08.2020
                  • 61

                  #9
                  Das habe ich nicht selber gemacht, würde ich nie hinbekommen mit dem was ich zuhause habe. Mein Nachbar hat ein Graveur Betrieb, ich habe ihm nur das Pap Model gegeben und die Lautsprecher, dann hat er es glaube ich mit CNC Maschienen gemacht. Ich kann den wenn ich ihn sehe mal Fragen.
                  walwal hatte mir dieses Model rausgesucht, noch mal tausend dank!! und habe es dann versucht nachzubauen, mal schauen wie es wird.
                  Es soll ja nur als Efektlautsprecher funktionieren.

                  Eben habe ich einen komplett fertig bekommen, morgen kommen die nächsten 3 dran. Bin seid heute 10:00 Uhr dran...
                  Meine Frau bekommt die Krise weil ich es im Wohnzimmer baue :-) ich denke später beim Filme schauen wird sie mir verzeihen.

                  Schon bei dem 5.1 war es Klasse, denke das die 4 Wandlautsprecher eine Schüpe drauf legen wird.

                  Kommentar

                  • goofy_ac
                    Registrierter Benutzer
                    • 17.02.2018
                    • 1200

                    #10
                    Zitat von Nesi Beitrag anzeigen
                    …mit CNC…
                    Ok das erklärt dann alles Danke für die Info!

                    Viele Grüße - Axel

                    Kommentar

                    • yoogie
                      Registrierter Benutzer
                      • 16.03.2009
                      • 5899

                      #11
                      Moin.
                      Frohes Fest.
                      Die 22,5 Grad habe ich an dem Reim Nachbau auch geschnitten, an vielen Querbelle auch. Das geht auch ohne CNC. Diese Wandlautsprecher gefallen mir gut, ich denke auch, daß Deine Frau den Bau im Wohnzimmer vergisst, wenn sie erst mal laufen.
                      Viel Erfolg
                      Viele Grüße aus dem Bergischen Land
                      Jörg

                      Ab jetzt auch wieder Yamaha, ohne Kickstarter und breitem Lenker

                      Kommentar

                      • walwal
                        Registrierter Benutzer
                        • 08.01.2003
                        • 28591

                        #12
                        Gutes Werkzeug - gutes Ergebnis....
                        „Audiophile verwenden ihre Geräte nicht, um Ihre Musik zu hören. Audiophile verwenden Ihre Musik, um ihre Geräte zu hören.“

                        Alan Parsons

                        Kommentar

                        • Nesi
                          Registrierter Benutzer
                          • 10.08.2020
                          • 61

                          #13
                          Lieben Dank und ein frohes Fest, LIebe Grüße an alle!!

                          Kommentar

                          • Kay*
                            Registrierter Benutzer
                            • 13.11.2002
                            • 943

                            #14
                            Zitat von goofy_ac Beitrag anzeigen
                            Hi Nesi

                            das Ohmmeter sendet eine Gleichspannung aus - der Kondensator arbeitet als Filter (Trennung) für Gleichspannung - insofern ist ein Wert Null richtig…
                            ich weiss, was du sagen willst, aber,
                            nein,
                            nicht Null, sondern keine Anzeige, bzw. "unendlich"
                            best regards
                            Kay

                            Kommentar

                            • Nesi
                              Registrierter Benutzer
                              • 10.08.2020
                              • 61

                              #15
                              Habt ihr ein Link zum Orginal LS/Projekt von Reim?

                              Kommentar

                              Lädt...
                              X