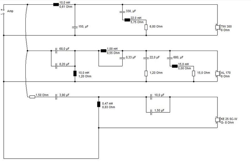
mit der ke25-wg in der mitte trennung bei ca 1,8 Khz
Ankündigung
Einklappen
Keine Ankündigung bisher.
Fuerte Standlautsprecher aus K+T 6/2015
Einklappen
X
-
mir ist aber die Ke25 ohne Wg lieber (der sweetspot ist breiter)
deswegen version 3 , trennung 1800 Hz• ’’Freiheit ist das Recht, anderen zu sagen, was sie nicht hören wollen. ‘‘ George Orwell
• „Niemand ist frei, der nicht über sich selbst Herr ist. ‘‘ Matthias Claudius.
deutsch ohne "sz" ABER mit fehler, tchüss! Jean-Marc.
Kommentar
-
Sehr gut gemacht, jama.
Hier sieht man, was das WG besser macht bei der Abstrahlung. Mir klang sowas immer zu hart. Ob das WG wirklich den sweetspot verschlechtert, bezweifle ich. Und zwar aus Erfahrung.Angehängte DateienZuletzt geändert von walwal; 20.06.2019, 17:48.„Audiophile verwenden ihre Geräte nicht, um Ihre Musik zu hören. Audiophile verwenden Ihre Musik, um ihre Geräte zu hören.“
Alan Parsons
Kommentar
-
ganz deiner meinung !!Zitat von laguna 0294 Beitrag anzeigenWenn schon Quadral Nachbau,dann Mitteltöner mittig,sieht optisch
einfach besser aus,nur meine Meinung.
Bau mir auch bald ein Testgehäuse mit W 300S,AL 170,DSM 25,auch ähnlich
der Titan mit ca 100 Liter.
Gruß
• ’’Freiheit ist das Recht, anderen zu sagen, was sie nicht hören wollen. ‘‘ George Orwell
• „Niemand ist frei, der nicht über sich selbst Herr ist. ‘‘ Matthias Claudius.
deutsch ohne "sz" ABER mit fehler, tchüss! Jean-Marc.
Kommentar
-
Ich möchte noch auf eine Problematik hinweisen, die alle hohen Boxen haben, wenn der TT oben angeordnet ist. Es gibt eine Stehwelle, die etwas oberhalb 100Hz dem TT den Pegel reduzieren wird. Bei der großen Atlas war das der Grund für den Innentreiber.
Andere Ansätze wären- massive Packung Schaumstoff auf halber Höhe, dann aber unbedingt einen Reflexkanal oben und einen unten, sonst ist der BR-Effekt kaputt.
- IHHR - wenn jemand das Ding gescheit auslegen kann, also nicht nur die Resonanzfrequenz
- TT doch auf etwa halbe Höhe
- 2 TTs, einer oben und einer unten, wie bei der Concorde
- CB bauen und massiv bedämfen, wobei ich keinen Treiber kenne, der von den Parametern her so passt, dass es passiv funktioniert.
- Eine TML versuchen. Vielleicht kann ja jemand mit AJ-Horn mal ...
Boxsim ... wenn Lautsprechersimulation gelingen soll.
Kommentar
-
Wie gesagt, warum schwierig, wenn es auch einfach geht: Audimax TL 28.3 mit AL170 und KE25(WG)Zitat von UweG Beitrag anzeigen.....[*]Eine TML versuchen. Vielleicht kann ja jemand mit AJ-Horn mal ...[/LIST]
.....jetzt könnte man noch einen Schritt weiter gehen: Statt TIW250 in einen TL TIW300 in CB mit allen Freiheitsgraden und der Restriktion MaxPegel.....das ist der Preis!Ich stimme ansonsten dafür, deinen Nick in "Cato" zu ändern; derjenige, der im Senat immer mit "...im übrigen bin ich der Meinung, dass MEG gehört werden muss!" geschlossen hat
. (copyright by mechanic)
Kommentar
-
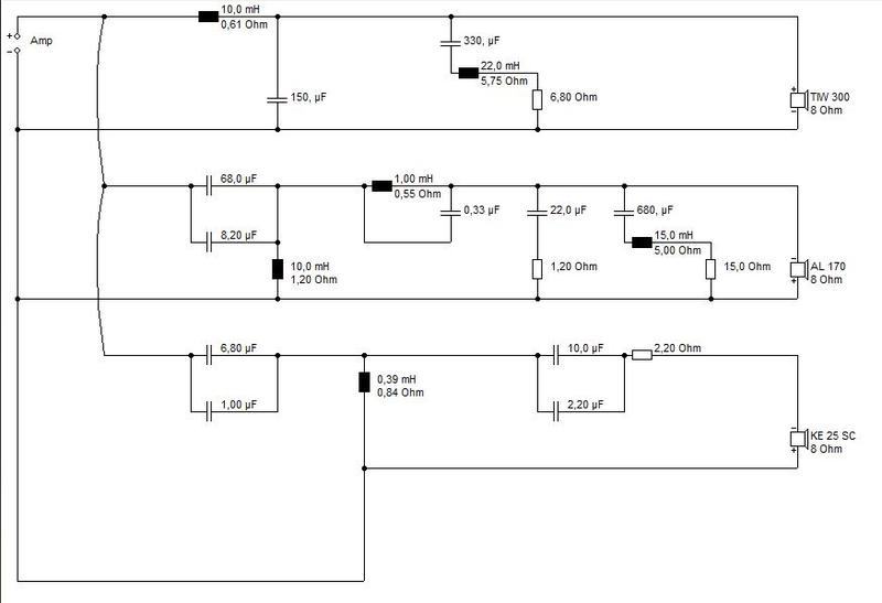
geschlossen mit hochpassfilter fuer den TI 300
was die stehenden wellen betrifft: die lösung von Guido Wasser aus Elektor-spezial vom 04/1986
https://www.hifi-selbstbau.de/bauvor...nu-76/34-flise• ’’Freiheit ist das Recht, anderen zu sagen, was sie nicht hören wollen. ‘‘ George Orwell
• „Niemand ist frei, der nicht über sich selbst Herr ist. ‘‘ Matthias Claudius.
deutsch ohne "sz" ABER mit fehler, tchüss! Jean-Marc.
Kommentar
-
Jama...noch mal etwas Kritik...ich weiß 3-Wegeriche sind (vor allem passiv!) kein Kinderspiel. Der Tiefpass vom TT und der Hochpass vom HT "treffen" sich beim tiefsten Punkt gerade mal bei -35dB. Ab -40dB fangen wir an das beim Klirr kritisch zu sehen......Ich stimme ansonsten dafür, deinen Nick in "Cato" zu ändern; derjenige, der im Senat immer mit "...im übrigen bin ich der Meinung, dass MEG gehört werden muss!" geschlossen hat
. (copyright by mechanic)
Kommentar
-
dann hat visaton mit ihre 3 wege auch schlecht gespielt...
https://boxsim-db.de/concorde-wg/
oder walwal mit seiner sonja
https://boxsim-db.de/classic-sonja/
und du musst dann nur 2 weger mit subwoofer bauen oder 24db linkwitz-filter einsetzen...• ’’Freiheit ist das Recht, anderen zu sagen, was sie nicht hören wollen. ‘‘ George Orwell
• „Niemand ist frei, der nicht über sich selbst Herr ist. ‘‘ Matthias Claudius.
deutsch ohne "sz" ABER mit fehler, tchüss! Jean-Marc.
Kommentar
-
Jama, die Classic-Sonja ist nicht meine Entwicklung.
Nur die Chasis wurden von meiner Sonja übernommen.
Die echte Sonja wird anders getrennt.
Bei der Concorde bzw Concorde WG brachte die steilere (aktiv, LR4) Trennung eine Klangverbesserung.„Audiophile verwenden ihre Geräte nicht, um Ihre Musik zu hören. Audiophile verwenden Ihre Musik, um ihre Geräte zu hören.“
Alan Parsons
Kommentar
-
Hallo,
auch von meiner Seite eine kleine "Spielkritik" zur Weiche in Post#39. Ziel vom Thread-Ersteller ist "mit den Visaton LS den besseren Lautsprecher zubekommen", denke da sollte man beim LP des AL170 die massiven Membranresonazen besser abfangen.
Vermute die Zielkurve ist LR4@3kHz. Die Resonanzen sind als Stufe in der Filterflanke gut zu erkennen und liegen (trotz erheblicher Glättung der FG) nur bei -14dB. Das wird messbare Ausschwingverzögerungen verursachen und dürfte auch (problemlos?) hörbar sein.
Gruß Armin
Kommentar
-
Hallo,
Sehe da kein Problem. Die Filterflanke des TT passt doch sehr gut zu LR2@200Hz. Die TT/TMT Trennung mit LR 2.Ordnung wird eigentlich gerne verwendet - auch von mir (was natürlich kein Qualitätskriterium istDer Tiefpass vom TT und der Hochpass vom HT "treffen" sich beim tiefsten Punkt gerade mal bei -35dB.
).
Beim HP des AL170 passt es nicht ganz so gut, ist passiv aber meist nicht einfach.
Gruß Armin
Kommentar
Kommentar