Ankündigung

Einklappen
Keine Ankündigung bisher.

Concorde

Einklappen
X
 
  • Filter
  • Zeit
  • Anzeigen
Alles löschen
neue Beiträge
  • kboe
    Registrierter Benutzer
    • 28.09.2003
    • 1914

    #16
    Zitat von walwal Beitrag anzeigen
    Die 12 kHz sind nicht hörbar. .......
    Dafür würd ich meine Hand ( Ohren ) nicht ins Feuer legen.
    Speziell Leute unter 40 dürften da sehr wohl noch ordentlich empfindlich sein.....

    Gruß
    kboe
    Mir kommt kein HiRes in die Anlage. Ich brauch meine Hochtöner noch länger.

    Kommentar

    • walwal
      Registrierter Benutzer
      • 08.01.2003
      • 28815

      #17
      Gut, dann definiere ich es anders. Dieser Peak bei 12 kHz ist relativ leise, nur direkt auf Achse vorhanden und daher nicht störend.OK?

      Ich höre übrigens 12 kHz auch noch.
      „Audiophile verwenden ihre Geräte nicht, um Ihre Musik zu hören. Audiophile verwenden Ihre Musik, um ihre Geräte zu hören.“

      Alan Parsons

      Kommentar

      • norbi
        Registrierter Benutzer
        • 06.09.2015
        • 124

        #18
        Hallo Hobbykollegen!

        Hab ein wenig Zeit mit meinen Concordes verbracht:

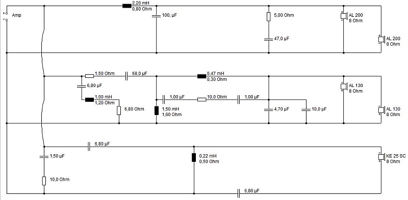
        1. Bestandsaufnahme.
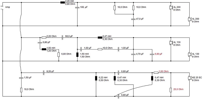
        Ich habe eine Version 1, leicht abgeändert, siehe rote Bauteile:



        2. Änderung
        Da die Bauteile an der Weiche verklebt sind, wollte ich so wenig als möglich ändern. Das ist dabei heraus gekommen:



        3. Messung
        Hab eine provisorische Messung mit einer Profi Sounkarte und mit einem Behringer Messmikrofon durchgeführt, der Buckel bei 150Hz ist auch da sichtbar:



        Im Vergleich dazu die Simulation:




        Was haltet ihr davon?
        Bitte um Kritiken.

        Anbei auch die Boxsim Dateien:
        Angehängte Dateien

        Kommentar

        • walwal
          Registrierter Benutzer
          • 08.01.2003
          • 28815

          #19
          Wie wurde gemessen? Abstand, Box links, rechts oder beide? Bei dem 150 Hz-Peak würde ich auf Raumeinfluss tippen. Auch die Einbrüche bei 100 + 200 Hz passen dazu. Wie ist der Abstand zur Rück/Seitenwand?
          Zuletzt geändert von walwal; 26.11.2017, 15:32.
          „Audiophile verwenden ihre Geräte nicht, um Ihre Musik zu hören. Audiophile verwenden Ihre Musik, um ihre Geräte zu hören.“

          Alan Parsons

          Kommentar

          • walwal
            Registrierter Benutzer
            • 08.01.2003
            • 28815

            #20
            Ich rate mal: die Front der C steht etwa 90 cm vor einer Wand und/oder Seite?
            „Audiophile verwenden ihre Geräte nicht, um Ihre Musik zu hören. Audiophile verwenden Ihre Musik, um ihre Geräte zu hören.“

            Alan Parsons

            Kommentar

            • norbi
              Registrierter Benutzer
              • 06.09.2015
              • 124

              #21
              Hallo Jürgen,

              ja der Abstand zur Wand wird in etwa passen, Mikrofonabstand war ca. 1 Meter.

              Kommentar

              • walwal
                Registrierter Benutzer
                • 08.01.2003
                • 28815

                #22
                Mr. Allison lässt grüßen.

                Das ist eine Interferenz mit dem von der Wand reflektierten Schall. Müsste an jedem Messort auftreten. Kannst du ignorieren, hat nichts mit der Connie zu tun, die ist sauber.
                Mit Absorbern hinter den LS kann man das mildern, wenn man sich das optisch antun will. Ich mache das, da muss aber Frauchen aus dem Haus sein.
                Wandeinbau verhindert das völlig...

                Bei 1 m Messabstand stören die großen Chassisabstände etwas, miss mal am Hörplatz, da sind zwar die Raumeinflüsse größer, aber dort sollte der FGang zu den Höhen hin fallen, 5-10 dB. So wird allgemein die Zielkurve beschrieben.
                „Audiophile verwenden ihre Geräte nicht, um Ihre Musik zu hören. Audiophile verwenden Ihre Musik, um ihre Geräte zu hören.“

                Alan Parsons

                Kommentar

                • norbi
                  Registrierter Benutzer
                  • 06.09.2015
                  • 124

                  #23
                  Na jetzt messe ich nix mehr...
                  Alles wieder abgebaut und aus dem Wohnzimmer entfernt.

                  Aber was sagst du jetzt allgemein zur Simu?

                  LG

                  Kommentar

                  • walwal
                    Registrierter Benutzer
                    • 08.01.2003
                    • 28815

                    #24
                    Die Simu ist ok, man sollte es auch nicht übertreiben mit der Genauigkeit, die Realität ist anders. Mich stört der Buckel im Energiefrequenzgang, der sollte nach meinen Erfahrungen mit einem Saugkreis gemildert werden.

                    Miss ruhig, du erhältst wertvolle Hinweise, wo Verbesserungen möglich sind. Speziell bei der Messung am Hörplatz.
                    „Audiophile verwenden ihre Geräte nicht, um Ihre Musik zu hören. Audiophile verwenden Ihre Musik, um ihre Geräte zu hören.“

                    Alan Parsons

                    Kommentar

                    • norbi
                      Registrierter Benutzer
                      • 06.09.2015
                      • 124

                      #25
                      Welcher Buckel, bei 100 Hz oder zwischen 3000 und 6000 Hz?

                      Diese 2 Buckel gibt es auch in der MkIII, sogar noch ausgeprägter...
                      Zuletzt geändert von norbi; 26.11.2017, 21:24.

                      Kommentar

                      • walwal
                        Registrierter Benutzer
                        • 08.01.2003
                        • 28815

                        #26
                        Der 100 Hz-Buckel ist ein Fehler in der Simu, der andere real und störend bei allen Concordes ohne das Waveguide. Das war exakt der Anlass, die Concorde mit dem WG zu bauen, weil der Saugkreis nur eine Notlösung ist.

                        Hier der Beweis:
                        http://www.visaton.de/vb/showpost.ph...&postcount=377

                        Lies mal hier
                        http://www.visaton.de/vb/showpost.ph...57&postcount=1
                        Zuletzt geändert von walwal; 26.11.2017, 22:12.
                        „Audiophile verwenden ihre Geräte nicht, um Ihre Musik zu hören. Audiophile verwenden Ihre Musik, um ihre Geräte zu hören.“

                        Alan Parsons

                        Kommentar

                        • norbi
                          Registrierter Benutzer
                          • 06.09.2015
                          • 124

                          #27
                          Danke für die Info!

                          Messen tue ich nicht mehr, nur mehr genießen und hören...

                          Kommentar

                          • norbi
                            Registrierter Benutzer
                            • 06.09.2015
                            • 124

                            #28
                            Es hat sich definitiv seit dem Umbau klanglich etwas verändert, obwohl der Frequenzschrieb sehr ähnlich zur Urversion zu sein scheint.
                            Da ich über diese Boxen auch fernsehe, ist die Sprachverständlichkeit auch bei leise hören jetzt besser geworden.

                            Liebe Grüße

                            Kommentar

                            • walwal
                              Registrierter Benutzer
                              • 08.01.2003
                              • 28815

                              #29
                              Das kann an der veränderten Abstrahlung liegen.
                              „Audiophile verwenden ihre Geräte nicht, um Ihre Musik zu hören. Audiophile verwenden Ihre Musik, um ihre Geräte zu hören.“

                              Alan Parsons

                              Kommentar

                              • norbi
                                Registrierter Benutzer
                                • 06.09.2015
                                • 124

                                #30
                                Abstrahlung Concorde Mk1-2

                                Hallo Allerseits!

                                Wollte noch einmal berichten, die Abstrahlung hat sich insofern verändert,
                                dass bei Monosignalen auf einen Centerspeaker verzichtet werden kann.

                                Der Fernsehsprecher spricht quasi direkt aus dem Fernseher.
                                Allerdings ist der Sweetspot eher klein.

                                Liebe Grüße

                                Kommentar

                                Lädt...
                                X