
Da geht bei Visaton auch was mit Dipol. Allerdings nicht wie a la NoBox, sondern etwas raffinierter:
Man nehme ein Brett von 30 cm Breite und 110 cm Höhe und montiere darauf untereinander einen B200 und drei parallel geschaltete W 250 8 Ohm. Im Bereich der Tieftöner sollte die Schallwand akustisch breiter werden. Etwa durch eine trapezförmige Schallwand oder per H- oder U-frame. In der Simulation habe ich die Schallwand rund um die Tieftöner 60 cm breit gemacht. Das entspräche einem U frame von 15 cm Tiefe.
Dann trenne man das Ganze im Stil einer Two-and-One bei ca. 500 Hz akustisch. Heraus kommt folgender Frequenzgang:
Mit ein bisschen Subwoofer-Unterstützung also 95 dB. Wegen der schmalen Schallwand ist der Energiefrequenzgang krass besser als bei einer NoBox.
So passt das Ganze zusammen:
Das Impedanzminimum liegt übrigens an der gleichen Stelle und beim gleichen Wert (3 Ohm) wie in der NoBox.
Diese Geschichte kann sich rund um sehen lassen:
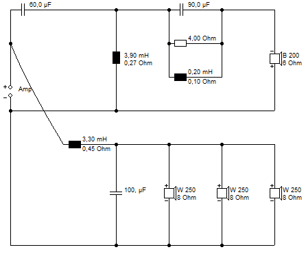
Das erschreckendste ist die simple und vergleichsweise billige Weiche:
Der Sperrkreis wird gebraucht, um den Dipolpeak bei 1-2 kHz wegzubügeln.
Diese "NoBox light" kann übrigens (nach Simulation) genau so laut wie die große (bei max. lin. Auslenkung), das dann aber mit weniger als 20 W. Dummerweise habe ich hier nur genug W 250 liegen, aber keinen B 200. Deshalb bleibt es vorerst ein Gedankenexperiment.
Wer jetzt einwendet, so etwas könne man mit dem B 200 nicht simulieren: Bis mindestens 1 kHz kann man das sehr wohl. Und darüber verhält sich der B 200 auch hier fast wie in einer unendlichen Schallwand - zumindest nach vorn.

) + 
Kommentar