Ein Bildschirmfoto würde genügen. Vielleicht habe ich Fehler bei meiner Simulation mit eingebaut...
Ankündigung
Einklappen
Keine Ankündigung bisher.
Doppelsub 12 Zoll, Diskussion ob sinnvoll, wie simuliere ich diesen SUB?
Einklappen
X
-
zxl
Christoph, könntest du mir bitte deine Einstellungen im AJ Horn Programm durchgeben?
Ein Bildschirmfoto würde genügen. Vielleicht habe ich Fehler bei meiner Simulation mit eingebaut...
-
Edit: Timo hat Recht. Ich habe Hals und Mund vertauscht. Die Simulationen sind wertlos. Ich nehme meine Anmerkungen hiermit zurück.
Gruß, ChristophZuletzt geändert von Schimanski; 13.12.2010, 16:55.
Kommentar
-
deine simulationen sind von mir leider nicht nachzuvollziehen, ...
... nur so viel dass ich die Hornreflexsimu anzweifle, AH ist für mich die Fläche am Übergang Innenvolumen zum Hornanfang, und die beiden Zahlen H und B sind für mich der Auslassquerschnitt am Hornende. oder bin ich falsch, ...
meine Simu habe ich nochmals angehängt,
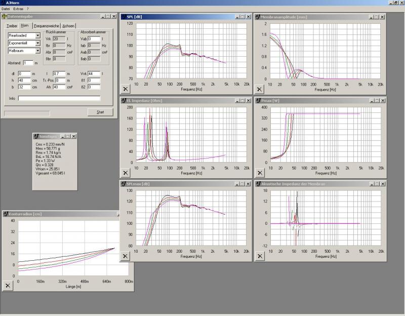
1: Bassreflex 65 Liter 0,5 Lang und 320 cm2 und H10 mal B32
2. Horn 40 Liter 0,7 320 cm2 und H32 mal B32
das Innenvolumen meiner Konzeption ist 50 mal 50 mal 32
1 und 2 sind jeweils so konzipiert dass das innenvolumen voll ausgefüllt wird
Gruß TimoAngehängte Dateien
Kommentar
-
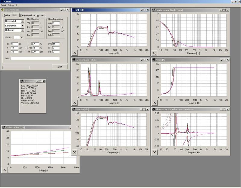
ich stelle mal meine Simus zur Diskussion ein
Ich habe jeweils immer nur ein Parameter geändert
ich komme bei dem Expokurzhorn auf sehr interessante Ergebnisse.
Der Maxpegel steigt enorm an wenn die Länge größer wird, allerdings wird die Abstimmung höher. somit gilt entweder laut oder tief, ... um die tiefe abstimmung wieder zu erhalten muss das Innenvolumen wieder steigen. somit wird der Sub insgesamt sehr viel größer.
ein ultimativer Sub wäre der Exposub mit 77 Liter (alles mit meinem Beymatreiber simuliert), Simu hängt dran, nur wird der Sub für den Wohnraum viel zu groß.
Gruß Timo
Bild 1: 22, 33, 44, 55, 66 Liter
Bild 2: 10, 20, 30, 40 cm
Bild 3: 320, 160, 80, 40 cm2
Bild 4: 0.2, 0.4, 0.6, 0.8, 1 m
Kommentar
-
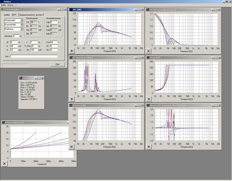
möchte nochmals den Direktvergleich anhängen
60 Liter BR und 80 Liter Expo
was man sieht ist dass die Expoversion ungefähr doppelt so groß wird,
76 liter zu 160 Liter, der Maxpegel steigt im Bereich 60 - 100 Hz NICHT an, ...
man gewinnt zwischen 40 und 60 Hz ca. 10 dB.
So, jetzt meine überlegungen, da ich diese Maxpegel eh nicht ausfahren kann denke ich über eine "NORMALE" Bassreflexbox nach. natürlich aktiv entzerrt sodass ich gleich tief komme wie die Expoversion.
Mir gefällt die Inverse Konstruktionsweise des Chassis, kann ich klein bauen und gleichzeitig den Bass invers verbauen, ... da denke ich drüber nach, ... und was kommt raus, ein Treiber, der im Bassreflexkanal sitzt, bin gespannt wie ich dies konstruktiv hinbekomme.
Gruß TimoAngehängte Dateien
Kommentar
-
gute Frage, ohne dass ich es untersucht habe, würde ich sagen, dass sie eher eine schwere Membran haben sollen, um schon in kleinen BR sehr tief kommen.Zitat von Thiel Beitrag anzeigenWas für Parameter sollten die Chassis für so eine Art Konstrukt aufweisen ? Ähnlich wie bei Bassreflex ?
Aber die Frage stellt sich bei mir nicht denn meine Treiber liegen schon zuhause
http://profesional.beyma.com/pdf/12MW%20NdE.pdf
Mein Konstrukt stelle ich mal zur Diskussion
Innenmaß 100 mal 50 mal 32
die Treiber sind gegenüber angeordnet und haben ca. 2 bis 3 cm gegenseitig platz. der BR- kanal wird sehr leicht geöffnet, der Anfangsquerschnitt ist 320 cm2.
Das innenvolumen ist jeweils ca. 60 Liter.
Gruß TimoAngehängte Dateien
Kommentar
-
zxl
Hi Timo,
sehr interessant deine Simulationen. Dazu hätte ich aber ein paar Punkte:
Den Pegelgewinn von 10 dB kann ich leider nicht in der Simu entdecken. Ich sehe hier nur etwa 5 dB Gewinn (wenn auch 5 dB nicht zu verachten sind).was man sieht ist dass die Expoversion ungefähr doppelt so groß wird,
76 liter zu 160 Liter, der Maxpegel steigt im Bereich 60 - 100 Hz NICHT an, ...
man gewinnt zwischen 40 und 60 Hz ca. 10 dB.
Jedoch frage ich mich, was geschehen würde, wenn man den Lautsprecher in ein gleich abgestimmtes Bassreflexgehäuse bauen würde. Das BR Gehäuse scheint auf etwa 47 Hz, das Hybridgehäuse auf 40 Hz abgestimmt zu sein. Der Unterschied ist zwar jetzt nicht gerade die Welt, aber manchmal kann sich so etwas stark auswirken
Zu deinem Aufbau: Meine bisherigen Erfahrungen sagen mir, dass der Hornverlauf deutlich länger werden müsste, um überhaupt Auswirkungen im Nutzbereich aufzuweisen...
Ich denke, die echten Vorteile liegen bei:
- Bestmögliche Belüftung
- Vermeidung von Strömungsgeräuschen, da der Kanal sich erweitert
- Anregung der Raummoden höher verlagert
Des Weiteren möchte ich Bedenken äußern, was die beiden äußerst naheliegenden Magnete betrifft. Könnte hier eine Beeinflussung untereinander statt finden?
Genaueres wird aber nur eine Messung liefern. Ich bleibe weiter am Ball
Kommentar
-
Leider geht bei einer solchen Lösung ein wenig der optische Reiz verloren, gerade die Hornform hat da was für sich
Ich vermute mal schwer, dass man wirklich einen Testaufbau machen muss, um die Unterschiede zu einer normalen BR-Box erkennen zu können.
Wenn man sich mal die Aussenmasse des Subwoofers des ersten Links (das PDF) in diesem Thread anschaut, sieht man trotz der ungeheuren Membrandurchmesser (21") der Treiber sich das Ganze gehäusemässig im Rahmen hält. Okay, der SPLmax von 145dB ist der Gesamtleistung von 3kW/Treiber geschuldet, aber für so eine (relativ gesehen) kompakte Konstruktion finde ich das bemerkenswert.
Auch wenn das Teil ausschliesslich nur die von Lebrichon vermuteten Vorteile hat, gefällt mir es mir ausserordentlich
Gruss
Andi
"Ohne Musik wäre das Leben ein Irrtum" (Friedrich Nietzsche)
"You can blow out a candle, but you can't blow out a fire" (aus "Biko" v. Peter Gabriel)
Kommentar
-
ja es sind 5 dB, hab nicht genau hingeschaut, ...Zitat von Lebrichon Beitrag anzeigenDen Pegelgewinn von 10 dB kann ich leider nicht in der Simu entdecken. Ich sehe hier nur etwa 5 dB Gewinn (wenn auch 5 dB nicht zu verachten sind).
Kommentar
-
zxl
Das ist eben gerade dass, was mir noch etwas zu denken gibt. So wie ich Fabi einschätze und beim Forumstreffen kennengelernt habe, weiß er sehr genau, was er tut und das die Messungen Hand und Fuß haben. Sprich, irgendeinen gravierenden Vorteil muss dieser Aufbau haben, sonst hätten die Seeburger diesen Lautsprecher anders aufgebaut.Okay, der SPLmax von 145dB ist der Gesamtleistung von 3kW/Treiber geschuldet, aber für so eine (relativ gesehen) kompakte Konstruktion finde ich das bemerkenswert.
Auch wenn das Teil ausschliesslich nur die von Lebrichon vermuteten Vorteile hat, gefällt mir es mir ausserordentlich
Gruß
Sebastian
Kommentar
-
ich bin nach den Simulationen tatsächlich weg davon, einen Expoaufbau zu machen.Zu deinem Aufbau: Meine bisherigen Erfahrungen sagen mir, dass der Hornverlauf deutlich länger werden müsste, um überhaupt Auswirkungen im Nutzbereich aufzuweisen...
Ich denke, die echten Vorteile liegen bei:
- Bestmögliche Belüftung
- Vermeidung von Strömungsgeräuschen, da der Kanal sich erweitert
- Anregung der Raummoden höher verlagert
ich möchte aber auf die Vorteile, die du beschrieben hast, nicht verzichten, Stichwort: inverser Verbau der Chassis und sehr großer Tunnelquerschnitt, immerhin 2/3 von Treiber minimal und geht auf Treiberquerschnitt auf.
Gruß Timo
Kommentar
-
Ja, das ist auch meine Sorge, ... und ich habe einen Ausweichplan.Des Weiteren möchte ich Bedenken äußern, was die beiden äußerst naheliegenden Magnete betrifft. Könnte hier eine Beeinflussung untereinander statt finden?
ich baue es auf und teste den Doppelsub, wenn's nichts wird, schneide ich ihn in der Mitte durch und mache einen Einfachsub draus.
Gruß Timo
Kommentar
-
Wieso schneiden, kleben ist die Devise
Ich würde 2 Einzelsubs bauen, den "Deckel" vorerst noch weglassen, dann mal zusammenbauen, wenn's gefällt, zusammenkleben
Wenn nicht, dann den Deckel auf die Einzelsubs kleben
Gruss
Andi
"Ohne Musik wäre das Leben ein Irrtum" (Friedrich Nietzsche)
"You can blow out a candle, but you can't blow out a fire" (aus "Biko" v. Peter Gabriel)
Kommentar
Kommentar