Ankündigung
Einklappen
Keine Ankündigung bisher.
Bijou 170
Einklappen
X
-
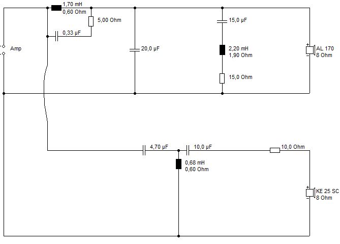
Etwas heller abgestimmt, also Höhenbetonung gefällt mir persönlich auch. Werde mal alles durch arbeiten ...Gruß! Lee
-----------------------------------------------
Lautsprecher:
VIB 170 BP halbaktiv
Vehemence 8.3
Stella light XS
MB 208/H und 120 Liter Sub mit BGS40
------------------------------------------------
-
Falls du meine Weiche testen willst und Höhen zu wenig sind, einfach den Widerstand andern, von 10 auf 8 oder 6 bzw. die übliche Pegeländerung mit 2 R machen. Der Hochtöner hat noch Reserven, bis Blut aus den Ohren läuft.
„Audiophile verwenden ihre Geräte nicht, um Ihre Musik zu hören. Audiophile verwenden Ihre Musik, um ihre Geräte zu hören.“
Alan Parsons
Kommentar
-
Oder hier posten. Danke !Zitat von LeePriest Beitrag anzeigenKönntest Du mir bitte Deine Weiche per PN schicken?Gruß Rainer
Kommentar
-
Hallo Jürgen,
ich bekomme diese Dateien nicht geöffnet, obwohl ich Boxsim herunter geladen habe, auch mit Rechtsklick usw. nicht.Gruß! Lee
-----------------------------------------------
Lautsprecher:
VIB 170 BP halbaktiv
Vehemence 8.3
Stella light XS
MB 208/H und 120 Liter Sub mit BGS40
------------------------------------------------
Kommentar
-
Rechtsclick
Ziel speichern unter
Boxsim Projekte
Wenn es nicht geht, nimmst du die Visatondatei aus der Datenbank und trägst meine Weiche ein.Angehängte DateienZuletzt geändert von walwal; 01.02.2016, 09:30.„Audiophile verwenden ihre Geräte nicht, um Ihre Musik zu hören. Audiophile verwenden Ihre Musik, um ihre Geräte zu hören.“
Alan Parsons
Kommentar
-
Danke Jürgen, jetzt hab ich die Weiche.
Eine andere Frage noch: Die VIB 170 BP hat ja eine viel höhere Trennung der KE, erst bei 8THz. Das soll wohl sehr "breitbandig" klingen.
Wäre so eine Trennung auch bei der B170 als Satellit möglich?Gruß! Lee
-----------------------------------------------
Lautsprecher:
VIB 170 BP halbaktiv
Vehemence 8.3
Stella light XS
MB 208/H und 120 Liter Sub mit BGS40
------------------------------------------------
Kommentar
-
Lee,
die BP habe ich schon gehört und fand sie nicht gut. Natürlich gibt es andere Meinungen, aber warum sollte man eine Metaller so weit hinauf quälen?
Schau die mal die Simu an.
Hier wurde das mal diskutiert:
http://www.visaton.de/vb/showthread.php?t=14963
Wenn du es wirklich wissen willst, baust du die B 170 und testest die verschiedenen Weichen, mit und ohne WG. Alles andere ist wie in der Kristallkugel lesen.„Audiophile verwenden ihre Geräte nicht, um Ihre Musik zu hören. Audiophile verwenden Ihre Musik, um ihre Geräte zu hören.“
Alan Parsons
Kommentar
-
Ok, hatte nur gedacht, weil es in der Beschreibung der VIB 170 BP heißt:
"Was wir zu hören bekamen, hätten wir aber niemals erwartet: einen enorm plastischen Mitteltonbereich, sehr griffig und direkt, wie man es von sehr guten Breitbändern kennt. Der Hochtöner spielt dank der hohen Trennfrequenz noch luftiger, als wir das ohnehin schon von ihm gewöhnt sind. Wie machen sich nun die Materialresonanzen bemerkbar? Dieser Bereich klingt keinesfalls unangenehm oder scharf, wahrscheinlich weil er so schnell ausschwingt und schmalbändig genug ist. Die S-Laute von Stimmen kommen völlig natürlich und in angemessener Lautstärke. Was man aber wahrnimmt, ist, dass dieser Bereich ungemein energiereich ist, ohne zu nerven. Er wird halt von viel Membranfläche abgestrahlt und nicht von einer vergleichsweise winzigen Kalotte."Gruß! Lee
-----------------------------------------------
Lautsprecher:
VIB 170 BP halbaktiv
Vehemence 8.3
Stella light XS
MB 208/H und 120 Liter Sub mit BGS40
------------------------------------------------
Kommentar
-
Da wäre der Titel "Vib 170 BP teilaktiv" zutreffender.
Habe aber keinen "offiziellen" Thread zur Vib 170 BP gefunden.Gruß! Lee
-----------------------------------------------
Lautsprecher:
VIB 170 BP halbaktiv
Vehemence 8.3
Stella light XS
MB 208/H und 120 Liter Sub mit BGS40
------------------------------------------------
Kommentar

Kommentar