Das sieht gar nicht schlecht aus, besser wie das was ich auf die schnelle versucht habe.
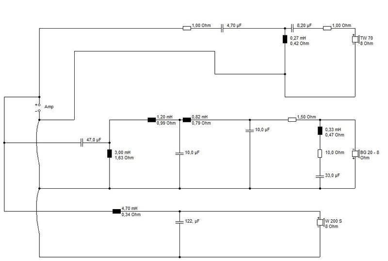
Nur an der Phase vom BG20 zu TW70 würde ich noch ein bisschen arbeiten. Sie muss nur im Bereich der Trennfrequenzen passen, also von 1500Hz bis ca 4000Hz, und am optimalsten sollte sie bei 2500 Hz sein.
Aber du hast verdammt viele Bauteile eingeplant, ich würde mir die Zeit nehmen und noch etwas herum probieren, vielleicht erreichst du ja das gleich mit weniger Bauteilen und sparst etwas Geld.
Edit: Wobei so schlecht ist die Trennung BG20 und TW70 nicht, sieht wirklich solide aus, also wenn du diese ganzen Bauteile da hast, könntest du die Weiche mal testen.



Kommentar