Ankündigung
Einklappen
Keine Ankündigung bisher.
W200S + BG 20 + G20SC ....Ergibt das einen Sinn?
Einklappen
X
-
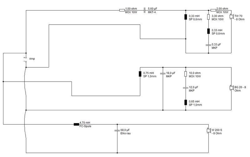
Ich habe 3 Designs mit verschiedenen Frequenzweichen ... das erste ist für maximale Spleißung, aber es ist nicht gleich ... und im Moment höre ich dieses Set.
Die Lautsprecher sind neu und sonnen sich immer noch, aber ich kann bereits schreiben, dass der Klang sehr offen ist ... TW 70 + BG 20 funktioniert hervorragend ... sauber und dynamisch im Durchmesser ... interessanterweise ist der Klang nicht absolut scharf ... während Wenn es um den Bass geht, ist er etwas locker ... es gibt auch keine Auswirkungen ... aber ich denke, dies ist ein Problem bei 200s und Filtration oder zu langem Bassreflex ... der jetzt 68 mm FI und eine Länge von 15 cm beträgt ... sollte ungefähr 11 sein -12 cm..und Gehäuse..nei ist gedämpft..warte auf Wolle
Kommentar
-
Meine Lautsprecher haben ein 2,5-Wege-Design. Das habe ich gewählt. BG 20 arbeitet als Mid-Woofer und W200S als Basswoofer, der bis zu 500-700 Hz arbeitet und die Wiedergabe dort beendet.Zitat von nlcarbon Beitrag anzeigenWarum 35liter für dem BG20? 7-8 Liter wäre völlig ausreichend gewesen.Angehängte Dateien
Kommentar
-
Ja, Sie haben Recht ... ich sehe es und ... ich höre ... die Höhen und Mitten sind großartig ... während der Bass ... die Kombination von BG und W200 in diesem Konzept ... etwas stimmt nicht mit der Phase, es gibt nicht genug Bass ... aber wenn ich es mit einem Knie verbinde, gibt es viel mehr ... ich verstehe es nicht ... nur die Polarität umkehren. Vielleicht lohnt es sich, 3-Wege-Konstruktionen durchzuführen ... Was denkst du? Ich sende meine Dateien an Boxsim.Zitat von Hiege Beitrag anzeigenWenn die Phasenlage von BG20 und W200S nicht gleich sind, hast du Interferenzen und Auslöschungen. Denke ein 2,5wege Designe ist nicht sehr einfach was die Frequenzweiche angeht, da BG20 und w200s sehr unterschiedliche Lautsprecher sind.Angehängte Dateien
Kommentar
-
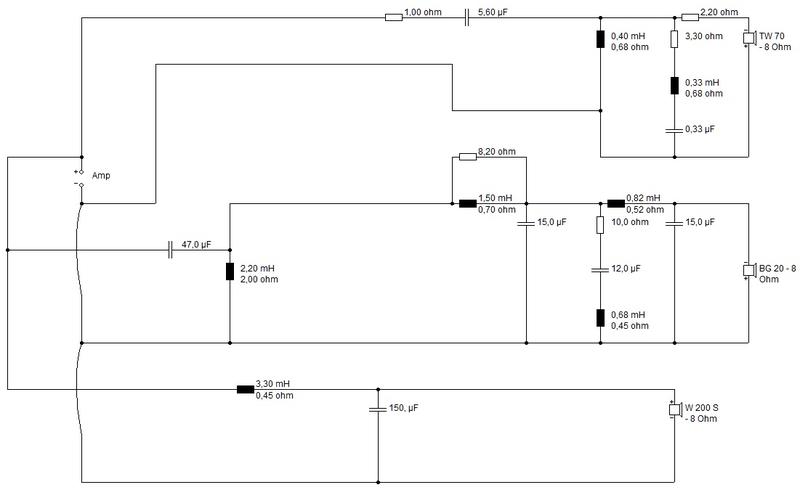
Wenn die Phase falsch ist löschen sich die Schallwellen gegenseitig aus, wenn alles Stimmt verstärken sie sich. Hier mal ein Beispiel für eine 3 Wege variante, aber da ist der Wirkungsgrad geringer, was aber egal ist, weil der mögliche Maximalpegel gleich ist, der wird von dem maximalen Hub vom W200S begrenzt, welcher im Tiefbass irgendwann schwächelt, der BG20 schafft da nicht so viel.Zitat von front247 Beitrag anzeigenStandbild- und Charakteristikdiagramm.
Vielleicht haben Sie einige Vorschläge für eine bessere Frequenzweiche ... für 2,5 Straßen ... oder für eine komplette Neugestaltung der Frequenzweiche für 3 Straßen ...
Wie gesagt ist nur ein beispiel für eine 3 Wege Version.Angehängte Dateien
Kommentar
-
Ich habe schnell ein 3-Wege-Crossover-Projekt durchgeführt ... was denkst du ..?Zitat von Hiege Beitrag anzeigenWenn die Phase falsch ist löschen sich die Schallwellen gegenseitig aus, wenn alles Stimmt verstärken sie sich. Hier mal ein Beispiel für eine 3 Wege variante, aber da ist der Wirkungsgrad geringer, was aber egal ist, weil der mögliche Maximalpegel gleich ist, der wird von dem maximalen Hub vom W200S begrenzt, welcher im Tiefbass irgendwann schwächelt, der BG20 schafft da nicht so viel.
Wie gesagt ist nur ein beispiel für eine 3 Wege Version.
Ich habe nur Probleme ... Ich weiß nicht, ob ich die Pole von BG20 und TW70 umkehren soll. Nur Verpolung W200S ..? Die Eigenschaften ändern sich in beiden Fällen nicht ... aber die Phase ändert sich ... und es scheint mir, dass die W200S-Polaritätsumkehr besser ist ...
Kommentar

Kommentar