diese 3 passen ungaublich gut zusammen! Auch mit der Moeglichekit einen perfekten PH-Gang sehr einfach, ohne (gehassten) Schallwand-Schritt zu machen.
Ueber der G20SC Kalotte hab ich gelesen, dass sie ähnlich als die alte Dynaudio Kalotten klingt, was der Grund ist warum ich sie noch immer im Design festhalte. Wie ist die SC10N bitte klanglich?
ps: Die SC20N war schon in deinem ursprunglichen (!) Conga Light Design

Hallo Walwal, Hallo Ubix,
es gibt kein Grund um nicht diskutieren zu wollen, speziell wenn das Thema erfolgreich erklärt war.
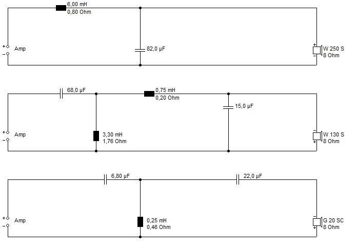
Ihre Kommentare sind sehr erwuenscht, weil nur dank Ihnen ist die Simulation soweit. Ihr habt mich schon so viel gelernt!Der Freund hat heute angerufen, dass Holz wurde aufgeschneidet.

Kommentar