Insgesamt ist der Frequenzgang trotzdem schon recht ausgeglichen, nur bei ca 500 und 2500 Hz habe ich eine Überhöhung. Die bei 2500 wundert mich sehr, da sie ziemlich deutlich ist auch wenn ich den Hochtöner alleine betreibe. Hier ist ja alles original wie bei der Studio. Das WG ist noch nicht bündig mit der Schallwand (nur aufgesetzt)...kann es daran liegen?
Ankündigung
Einklappen
Keine Ankündigung bisher.
Hilfe bei LS Wahl
Einklappen
X
-
Ich habe jetzt verschiedene Weichen ausprobiert, bin aber noch nicht zufrieden. Dieser starke Buckel ist auf jedenfall nicht da selbst wenn ich den Saugkreis ganz weg lasse. Der Übergang macht mir trotzdem Probleme, ob ich den Hochtöner verpole oder nicht, ich höre keinen/kaum einen Unterschied. Ich werde mal die 1er Spule durch 0,82 ersetzen und/oder den 47 Kondensator auf 2x22 oder sogar 33.
Insgesamt ist der Frequenzgang trotzdem schon recht ausgeglichen, nur bei ca 500 und 2500 Hz habe ich eine Überhöhung. Die bei 2500 wundert mich sehr, da sie ziemlich deutlich ist auch wenn ich den Hochtöner alleine betreibe. Hier ist ja alles original wie bei der Studio. Das WG ist noch nicht bündig mit der Schallwand (nur aufgesetzt)...kann es daran liegen?
-
Sind das gemessene oder empfundene Werte?Insgesamt ist der Frequenzgang trotzdem schon recht ausgeglichen, nur bei ca 500 und 2500 Hz habe ich eine Überhöhung.
Gut möglich, dass es am WG-Rand zu Kantenreflexionen kommt, die sich ungünstig auswirken. Irgendwann wurde mal die Alto II gemessen, und sicher noch andere LS, einmal mit und einmal ohne eingelassenem HT. Auch dort gab es, ich meine sogar hörbare Unterschiede, betraf allerdings mehr den Bereich um 6kHz.Das WG ist noch nicht bündig mit der Schallwand (nur aufgesetzt)...kann es daran liegen?
Wie sieht denn die aktuelle Weiche aus?
Kommentar
-
Das sind gehörte, also empfundene Werte. Ich bin mit Sinustönen durch den FG gegangen und habe mir Markierungen gemacht.
Anschließend habe ich auch eine "Messung" gemacht. Aber wie ich schon schrieb, habe ich nur ein einfaches Mikro direkt am PC angeschlossen. Es deckt sich aber tendenziell mit meiner gemalten Kurve.
(Siehe Bild: ohne_saug_verpolt, hier sieht man dass beide Kurven im Prinzip gleich sind, obwohl der HT einmal verpolt war.)
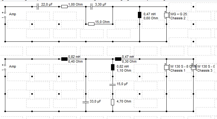
Das war die Weiche der Studio 1 ohne den Saugkreis im TT Zweig.
Ich habe jtzt noch ein paar Dinge ausprobiert und habe einen neuen Favorit. Ich habe die erste Spule im TT durch 0,82 ersetzt und einen Saugkreis vor die zweite Spule gesetzt.
Sowohl der FG vom Höreindruck ist besser als auch der Einbruch beim Verpolen stärker.
Die "Messungen" bitte mehr als Verdeutlichung verstehen und nicht darauf herumreiten, dass sie sehr amateurhaft sind
.
Kommentar
-
Rein von der Überlegung her, sollte der Abstand reichen, daß die Membran oder Sicke nicht die Abdeckung berührt. Andererseits sollte wohl keine Strebe oder Rahmen im Schallweg liegen.
Vielleicht weiß aber einer mehr, als ich mir überlege.
Viele Grüße aus dem Bergischen Land
Jörg
Ab jetzt auch wieder Yamaha, ohne Kickstarter und breitem Lenker
Kommentar
-
Mein Plan war es eine Box zu bauen abzustimmen und dann erst die zweite zu bauen. Inzwischen bin ich zwar ganz zufrieden mit dem Klang, aber ich bin etwas unsicher, ob ich das so überhaupt beurteilen kann. Bei Stereo nur mit einem LS fehlt eben was und ich kann nicht so wirklich mit dem was ich kenne vergleichen.
Also: Ein paar Titel nach Mono konvertiert. Aber das hört sich ehrlich gesagt auch nicht so an wie gewohnt. Ist das normal? Ich überlege, ob das Programm zum konvertieren vielleicht murks war, gefühlt fehlt etwas.
Testet ihr nur in Stereo? Habt ihr einen Tipp für ein Programm, mit dem ich anständig nach Mono konvertieren kann?
Kommentar
-
Das kann jeder Audio-Editor, zB. Audacity. Song einlesen, Menü Spuren -> Stereospur in Mono umwanden, abspeichern, fertigZitat von core Beitrag anzeigenHabt ihr einen Tipp für ein Programm, mit dem ich anständig nach Mono konvertieren kann?
Kommentar
-
Der aktuelle Stand:
Ich habe die Spitze bei 2 KHz mit einem 1,5 Ohm Widerstand nach der HT Spule abgesenkt.
Es kommt zwar anscheinend doch eher vom höher getrennten TT, da bekomme ich es aber nicht hin.
Wenn ich, wie bei der Studio1, 1mH Spule und 47 Kondensator nehme, ist die Spitze auch weg, aber ich habe ein Loch
bei der Übernahmefrequenz. Hab schon einiges an Kombinationen durch...
Beim Musik hören fällt mir jetzt nichts groß negativ auf, aber ich hätte es schon gerne korrekt.
Der Einbruch beim Verpolen des HTs ist so naja...aber wenn ich die Alto2 als Referenz nehme, höre ich es da auch nicht deutlicher.
Kann es sein, dass ich falsch sitze oder man das eher messen als hören kann? Sitze beim Testen ca 1 Meter entfernt, Kopf auf HT Höhe.
Ist die Phase eigentlich wichtig, wenn der Frequenzgang stimmt? Und wenn ja, wie äußert sich das?
Ingesamt ist das potenzial aber Erkennbar. Ein Vergleich zur Alto 2 fällt so aus:
Der LS hört sich in Pure Direct in etwa so an, wie die Alto 2 nach Korrektur durch den AVR.
Nur mit mehr Tiefgang (ok, liegt wohl am größeren Gehäuse), noch etwas klarer und unangestrengter im Bass, und nicht so scharf im Hochton(s Laute).
Das sind nur erste Eindrücke beim Hören mit einer Box, aber ich überlege schon, ob ich überhaupt noch einen Subwoofer bauen soll...
Ich finde es beachtlich was so zwei kleine W130S leisten. Wenn ich hier so manche Berichte lese, höre ich anscheinend nur sehr leise Musik :-D.
Wenn ich irgendwann mal einen finalen Stand der Weiche habe, werde ich ihn als Boxsim einstellen.
Das wird aber wohl noch dauern...
Kommentar
-
Denke ich auch.
Vergiß nicht bei der ganzen Messerei, dass die Messung mit relativ wenig Abstand nicht richtig ist für die Hörposition, alleine schon wegen den anderen Winkeln Mikro - Chassis. Da verschiebt sich die Phase und somit Frequenzgang.
Wegen Phase bei D'Appo: Wird immer wieder gerne diskutiert, was richtig ist:
1. Exakte Phasenübereinstimmung und beim Verpolen scharfer Einbruch
2. Phase um 90 Grad versetzt .............................................keine Änderung (so die Vorgabe von J. Dappo)
3. Irgendwas dazwischen
Es scheint relativ wurscht zu sein, wie Hörversuche gezeigt haben.„Audiophile verwenden ihre Geräte nicht, um Ihre Musik zu hören. Audiophile verwenden Ihre Musik, um ihre Geräte zu hören.“
Alan Parsons
Kommentar
Kommentar