
Hier wurde schon ein bisschen diskutiert:
http://www.visaton.de/vb/showthread.php?t=25246&page=3
Leider hat sich der zukünftige Besitzer nicht für einen OTTO 60Litter BR überreden lassen.
Die Box soll zusätzlich mit einem abnehmbaren, mit Stoff bespanntem Rahmen versehen werden. Dazu bekommt die 50cm breite Box links und rechts einen vertikalen Massivholzanleimer ca 60x60mm (Abgerundet R40mm). Die Anleimer stehen 2cm von der Schallwand vor. Insgesamt hat die Frontplatte dann ca 38cm Breite. Den Rahmen möchte ich mit Aluwinkeln 20/20 bauen.
Welche Auswirkungen haben Vorstehende Gehäusekanten. Wie könnte man das simulieren?
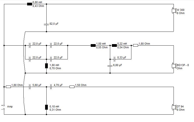
Easy StandBox4 Gregor.BPJ (Simu ohne Brücksichtigung der Gehäusekannten) Mit 38cm Schallwandbreite sieht die Simu auch gut aus
lg Burns







Kommentar