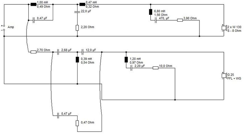
Hab hier mal ein Boxsim-Projekt ausgearbeitet, um dies zu kompensieren, vielleicht hilfts weiter.
Sonst poste mal die Messung in Boxsim
w130S+DT94.BPJ
lg Burns
sehr schöne Box übrigens. Hab´s mir grade angesehen.
)
Nur leider momentan nicht umsetzbar.
)
Evtl. muß ich da bei 100Hz das noch etwas absenken um dröhnen vorzubeugen. Alles andere folgt.
)
)
Heute konnte endlich die andere Version getestet werden.
Ist ja auch wie gesagt bei der Originalversion so. Und ne deftige Überhöhung is ja bekanntlich schlimmer. Welche der beide Versionen jetzt aber besser ist...?
Muß da noch etwas hören. Beide klingen gut, die jetzt aktuelle hat den Vorteil das der Hochpass genau gleich (außer die beiden Widerstände) dem der Originalen Studio1 entspricht und dadurch auch die etwas tiefere Trennung.
)
da häng ich mich immer noch dran auf...auch wenn´s in der Originalversion wie schon geschrieben auch so ist) allerdings hat die Q2 auch die höhere Trennung und die Impedanz im Hochton ist etwas unruhiger) Nun mal wieder testen wie es Klanglich mit der Q_x4 so ist. Erster Eindruck etwas luftiger. Allerdings ist der Hochton auch etwas spitzer wo ich sehr Empfindlich drauf reagiere. Das war bei der höheren Trennung überhaupt kein Problem.
)
Ich mag ja so simple Weichen. Je weniger Bauteile umso schöner. Interessant finde ich die Pegelanpassung beim Hochton. Das hab ich mal irgendwo bei ner Weiche gesehen. 
Der Hochton ist sehr aufdringlich im unteren Bereich. Wahrscheinlich damit zu erklären, das der Energiefrequenzgang im Hochton bei der Box recht kritisch zu sein scheint. Oder ich reagier einfach auf alles viel zu Überempfindlich...
Den Energiefrequenzgang (auch Winkel, Bündelung...) kann man mit der vorliegenden Datei leider nicht simulieren und muß außer Acht gelassen werden weil es die speziellen Messdaten sind.
)
)
Du fährst in die gleiche Richtung wie ich, hatte das WG auch mal mit dem AL170 in Betrieb, ich bin auf das gleiche Ergebnis wie du gekommen, lieber etwas höher trennen wo das WG auch Bündelungsmässig da ist. Kam glaube ich auch bei 2,5 kHz am besten klanglich damit zurecht. Darunter verliert das WG an Bündelungsgrad und nähert sich dem normalen Hochtöner ohne WG. Bei 2,5 kHz war alles in Butter. Zwar nicht perfekt weil ein 17er schon zu groß ist und obenrum zu stark bündelt, es war aber nur ein Sprung von nur noch 2 dB vorhanden, sonst kommt da, je nach Kantenbrechung auch mal ne 5dB Stufe hin. Eine Verbesserung ist es allemal. Aber interessant zu sehen das andere auf selbe Ergebnisse kommen. Mach einfach mal Messungen unter größeren Winkeln um zu sehen wie die Energieverteiung da aussieht. Und als "Drehteller" eignet sich auch ein Geodreieck, ein Strich am Boden, ein Fixpunkt an Box und Boden und alles ist i.o.
Deine Winkel-Messvorrichtung ist echt klasse. Schon im anderen Thread bewundert. Total simpel und funktioniert. 
Die ist ja, sagen wir mal "Speziell" im Vergleich zu normalen Boxen. Wurde ja auch schon im Ur-Studio1-Thread von manchen schon bemängelt. Eigentlich wollte ich solchen Chassisanordnungen auch in Zukunft aus dem Weg gehen, da ich sowas schon in meiner damaligen Box hatte (HT/MT nebeneinander) die mittlerweile umgebaut ist. Das war ja mein erstes Umbauprojekt in der "Neuzeit" (nach all den Jahren Stillstand) das ich dank Walwal´s Unterstützung umgebaut bekommen habe. 
)Beim Besuch unseres Forums werden Cookies gesetzt. Dies sind kleine Textdateien, die lokal auf Ihrem Rechner in den Browserverlauf gespeichert werden. Die auf unserer Forums-Website eingesetzten Cookies sind technisch erforderlich und gewährleisten den Betrieb und die Komfort-Funktionalitäten des Forums.
Während Ihres Forum-Besuchs werden keine Cookies zu Marketingzwecken oder für Statistiken und Analysen gesetzt. Auch werden keine Daten an Dritte übermittelt.
Detaillierte Informationen zu unserer Verarbeitung von personenbezogenen Informationen erhalten Sie in unserer Datenschutzerklärung.
Wenn Sie auf „Einverstanden“ klicken, stimmen Sie unserer Datenschutzerklärung und dem Einsatz von technisch erforderlichen Cookies zu.
Kommentar