Ankündigung
Einklappen
Keine Ankündigung bisher.
Standbox Couplet WG
Einklappen
X
-
Doch horr hatte recht der Link war falsch gesetzt, ist korrigiert. Danke!
boxsim-db.de - Datenbank für Boxsim-Projekte
-
Weil ich bei deiner Abspielhardware nicht ganz durchblicke, noch zwei Fragen:Zitat von Pansen Beitrag anzeigenJetzt muss ich nochmal ne Lanze für das ganze Geraffel brechen.
Mit dem Lautsprecher bin ich rundum zufrieden, da gibt es nix mehr zu meckern. In der Abspielkette hat sich dennoch was geändert. Nervig war immer die Lautstärkeregelung der RME Fireface UC, die bei mir bekanntlich als USB-DA Wandler und Vorstufe arbeitet. Die Lautstärke kann nur am PC geregelt werden, was immer recht nervig war.
Ich benutze JRiver als Abspielsoftware, dessen Lautstärke sich mit der App Gizmo per Android im WLAN steuern lässt. Jriver spielt per ASIO ab, zur Lautstärkeeinstellung müsste man demzufolge die RME voll aufreißen und die Lautstärke intern durch JRiver regeln lassen. Meiner Meinung nach verliert die Musik allerdings im niedrigen Bereich an Auflösung in Jriver. Die Lautstärkeregelung steht der Regelung in der RME rein gehörtechnisch in der Qualität nach.
Nun kann in Jriver eingestellt werden, welche Lautstärke geregelt werden soll. So kann man auch einstellen, dass sich der Lautstärkeregler in Jriver auf die Windows Lautstärke bezieht und eben nicht intern geregelt und bearbeitet wird. Mit einer kleinen Software aus der RME Community kann man allerdings die Windows Lautstärkeregelung abfragen und per MIDI Befehl an die RME weiterreichen.
-->
Der Clou: Jriver spielt über ASIO ab, regelt den Windows Lautstärkeregler, der wiederum per Midi direkt an die RME weiter geleitet wird. Ergo: mit Gizmo lässt sich die Lautstärke der RME steuern!
Zur Steuerung benutze ich seit neuestem ein Nexus 7 2013 Tablet. Mit der Full HD Auflösung und gedimmtem Display ist die Steuerung per WLAN ein Genuss, ebenso die Lautstärkeeinstellung durch die Hardwaretasten des Nexus, die sich direkt auf die Ausgänge der RME beziehen.
Hast du jetzt die Chassis passiv angeschlossen?
Hast du den Frequenzgang noch mit einem DSP entzerrt?Kein Plan!
Kommentar
-
Die Lautsprecher werden passiv angesteuert, die Boxen hängen an einem HA Amp - pro Box 1 Kanal. Den Frequenzgang und Phase habe ich mit Acourate entzerrt.boxsim-db.de - Datenbank für Boxsim-Projekte
Kommentar
-
Ist Acourate in deinem Fall dafür da, dass Überhöhungen und Senken im Raum ausgeglichen werden?
Ich frage, weil ich für meinen Raum fünf kleine Lautsprecher mit je zwei AL130 und einem KE bauen möchte. Im Moment wäre da die Studio 1 geschlossen oder die Couplet WG KE in der engeren Wahl. Die Couplet täte sich besser in den Raum integrieren lassen, hätte aber 3dB weniger Schalldruck und ich müsste die runden WGs abfräsen.Kein Plan!
Kommentar
-
Ich denke, man muss nach seinem eigenen Hörgeschmack gehen. Für mich blieb immer D'appo übrig. Damit kann ich mit Abstand am entspanntesten hören und meiner Meinung nach ist die Wiedergabe am natürlichsten.
Acourate kann auch zur Aktivierung von Lautsprechern genutzt, sodass man mit der Software eine digitale Frequenzweiche erstellt. Ich nutze lediglich die "über-alles-Korrektur", die aus einer Messung unter Eingabe einer Zielkurve den Frequenzgang des gesamten Lautsprechers korrigiert. Die Software ist sehr mächtig. Man kann damit alles machen.
Die Messung wird zunächst unter Berücksichtigung psychoakustischer Phänomene mit einer von dir gewählten Einstellung geglättet (ich habe unten 20, oben 10 Messpunkte pro Periode eingegeben, dazwischen wird interpoliert). Je weniger geglättet wird, desto mehr ist man auf den Messplatz genagelt. Zielkurve: ich designe einen Wunschfrequenzgang. Den kann ich über der Messung in seiner Höhe verschieben. Alles was unter dem WunschFG ist wird nicht berührt, alles darüber abgesenkt. Zieht man den WunschFG nach unten, wird alles korrigiert. Zum Schluss kann man noch Einstellungen zur Phase in ähnlichem Umfang tätigen und die ausgerechnete Korrektur durch Simulation und Messung überprüfen. Mit ein bisschen Übung dauert eine brauchbare Korrektur mit Messung unter 5 Minuten Zeit.Angehängte Dateienboxsim-db.de - Datenbank für Boxsim-Projekte
Kommentar
-
Hi Pansen,
hast du eigentlich mal gemessen, was Acourate aus dem Eingangssignal macht?
Immerhin erstellt Acourate rudelweise Filter, auch FIR. FIR erzeugt mitunter Pre-Ringing. Oft wird behauptet, dass das menschliche Gehör gegenüber der Phase taub ist. (Das gilt jetzt nicht für nicht passende Phasen an Hoch- oder Tiefpässen).
Könnte es sein, dass man versucht, den Teufel mit dem Beelzebub auszutreiben, wenn man eine "falsche" Phase durch Pre-Ringing ersetzt?Kerze: "Wasser soll gefährlich sein!?!". Andere Kerze: "Kannste von ausgehen!"
Kommentar
-
Die Phase kann man durch Eingabe der Werte deutlich hörbar beeinflussen. Ich Messe die Lautsprecher danach mit Korrektur, um diese zu über prüfen. Pre ringing ist deutlich hörbar und entsteht bei starker Phasenkorrektur. Allerdings bietet Acourate eine Pre ringing compensation die wirksam funktioniert, was man an der Messung und Simulation, Evaluation der Sprungantwort sehen kann. Und hören tut mans dann auch, was Acourate alles richtig macht.
boxsim-db.de - Datenbank für Boxsim-Projekte
Kommentar
-
Ich bin jetzt komplett auf Linux umgestiegen. Nach einigen Wochen Betrieb kann ich sagen, dass mir das Betriebssystem wesentlich besser gefällt. Die RAM Auslastung ist viel niedriger als unter Windows (ca. die Hälfte) und es geht alles etwas schneller.
Leider gibt es für Linux i.d.R. wenige Treiber, vor allem nicht für hochpreisige Audiohardware, um den Computer als Abspielgerät zu benutzen. RME hat in seiner Fireface UCX jedoch einen Modus eingebaut, mit dem man das Gerät ohne Treiber an allen USB 2.0 Anschlüssen betreiben kann. Es wird der USB 2.0 Audio Standard genutzt. Unter Linux hat man damit 18 Ausgänge und 8 Eingänge über USB, soweit ich das gesehen habe. Die Latenz ist nur etwas höher, als mit dem proprietären Treiber unter Mac und Windows. Als Abspielsoftware verwende ich den mpd und als Faltsoftware den jconvolver mit JACK als Audioserver. Wie immer leistet Acourate hervorragende Dienste.
Nach der gesamten Umstellung klingt die Anlage wesentlich besser.
Vielleicht liegt es an Linux, vielleicht auch am Interface. So guter Sound kam jedenfalls noch nicht aus den Lautsprechern. Zu meiner Verwunderung sind die Ergebnisse mit Acourate viel besser.
Es zeigt sich wieder, wie sehr die KE von den Gerätschaften davor profitiert. Die Hochtonauflösung ist schier unglaublich. Im WG ist diese Kalotte in Sachen Auflösung und Ehrlichkeit bestimmt nicht zu toppen.
boxsim-db.de - Datenbank für Boxsim-Projekte
Kommentar
-
Kann man denn jetzt eigentlich die Couplet-WG ohne Acourate betreiben?
Ich höre inzwischen auch nur noch direkt digital über einen Mac mini und könnte auch Filter einschleifen. Am Besten hört sich aber der vom Betriebssystem unterstützte direkte Integermodus an. Deshalb möchte ich an dieser Stelle keine weitere Software haben. Zur Zeit höre ich mit 5 mal VOX 252 in Small mit potenter Sub Unterstützung.Kein Plan!
Kommentar
-
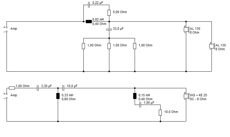
Klar, im Thread ist eine gute Boxsimdatei. Ich habe in meiner Version lediglich den Saugkreis weggelassen und korrigiere die HT-Überhöhung mit Acourate, da ich weniger Weichenbauteile einsetzen möchte. Acourate fungiert bei mir einfach wie ein DSP, ich betreibe die Lautsprecher ja weiterhin passiv.boxsim-db.de - Datenbank für Boxsim-Projekte
Kommentar
-
-
Kommt mir bekannt vor.
Wir hatten die bei der C+WG geklaut. Markus gefiel die Version mit 12 dB im MT besser, dann sollte aber der "übliche" C zur Spule geschaltet werden.
Norbert, wenn du willst, kannst du beide Versionen testen.
Jepp.Zitat von Pansen Beitrag anzeigen... Die Hochtonauflösung ist schier unglaublich. Im WG ist diese Kalotte in Sachen Auflösung und Ehrlichkeit bestimmt nicht zu toppen.
Bei meiner C+WG habe ich den HT auch etwas leiser (0,5 Ohm) gestellt.
„Audiophile verwenden ihre Geräte nicht, um Ihre Musik zu hören. Audiophile verwenden Ihre Musik, um ihre Geräte zu hören.“
Alan Parsons
Kommentar
-
Danke für den Vergleich Jürgen. Die KE im WG ist ganz sicher das Highlight.boxsim-db.de - Datenbank für Boxsim-Projekte
Kommentar
-
Hallo!
Ich habe zwei Fragen.
1.) Wenn ich den LS nachbauen möchte, wie würden die Änderungen für die G25FFL aussehen? Ich hänge mal einen Versuch an.
2.) Wenn ich die LS auch im Heimkino betreiben möchte, passt die Studio2 als Center? Ich würde mir da den 2. AL gerne sparen und den Platz von der Höhe habe ich auch nicht. Würde auch jeder andere LS als Center gehen, solange es ein 2- Weger ist oder ist das wegen WG kritisch?
Danke und viele GrüßeAngehängte Dateien
Kommentar
Kommentar