Ankündigung

Einklappen
Keine Ankündigung bisher.

La Belle Weiche Defekt

Einklappen
X
 
  • Filter
  • Zeit
  • Anzeigen
Alles löschen
neue Beiträge
  • Googler
    Registrierter Benutzer
    • 17.11.2015
    • 12

    La Belle Weiche Defekt

    Hallo,
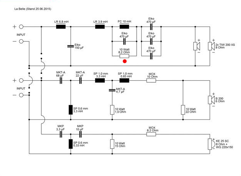
    bei meiner Schönen ist von einer Mitteltonweiche der VISATON Mox Widerstand 10 Watt 10 Ohm durchgebrannt.(Foto)

    Könnten da noch mehr teile kaputt gegangen sein oder könnte es das schon gewesen sein ????
    Der B200 ist ok denk ich (1,5volt Test)
    Ich bin leider nicht der Elektroniker und bin für jede Hilfe dankbar...

    Liebe Grüße Matthias...
    Angehängte Dateien
  • Mabo
    Registrierter Benutzer
    • 08.08.2015
    • 360

    #2
    Hallo
    Mit durchgebrannt meinst Du dass kein Durchgang mehr messbar ist ?
    Oder anders, es kommt kein Signal mehr am B200 an ?!
    Heiss war er auf jeden Fall

    Der 10 Ohm MOX sitzt in Reihe zum Spannungsteiler B200 und Parallelwiedrstand. Das heisst, nicht die ganze Leistung geht durch den B200 sondern ein guter Teil muss für Pegelanpassung im Parallelwiederstand verheizt werden. Die Chancen stehen also gut dass Dein B200 keinen weietern Schaden erlitten hat und die Funktion durch Tausch des MOX wieder herstellbar ist. Du hast ja schon den 1,5Volt Test gemacht, ist da ein rascheln oder kratzen hörbar ? wenn nicht ist die Schwingspule noch ganz .
    Die Weichenspulen in Reihe haben 1mm Draht, da ist nix hin.
    Grüsse
    Angehängte Dateien
    ehemals ANSELMO
    und davor auch schon
    ein paar andere Namen,
    seit 2004 dabei !
    Alles Gute Freunde,
    so geht es nicht mehr weiter,
    zuviel Frust hier,
    Euch ist wohl langweilig.
    Baut noch schöne Boxentürme,
    Bässe massieren Eure Seele.

    Kommentar

    • walwal
      Registrierter Benutzer
      • 08.01.2003
      • 28802

      #3
      Bei der Reparatur einen 20 Watt Widerstand nehmen oder 2 Widerstände verwenden. 2x 20 Ohm parallel oder 2 x 4,7 in Reihe. Nicht auf der Platine verkleben. Auch die 2. Box umbauen.
      „Audiophile verwenden ihre Geräte nicht, um Ihre Musik zu hören. Audiophile verwenden Ihre Musik, um ihre Geräte zu hören.“

      Alan Parsons

      Kommentar

      • Rainer_G
        Registrierter Benutzer
        • 13.08.2008
        • 691

        #4
        Wenn du einmal dran bist: Ich habe den 8,2 Ohm, 10 W – Widerstand parallel zur 10 mH Spule im TT-Zweig gegen einen Keramik-Widerstand 20 W getauscht. In der 10 W Ausführung wird der ebenfalls sehr heiß.

        Angehängte Dateien
        Gruß Rainer

        Kommentar

        • fox2206
          Registrierter Benutzer
          • 31.01.2013
          • 75

          #5
          Zitat von walwal Beitrag anzeigen
          Bei der Reparatur einen 20 Watt Widerstand nehmen oder 2 Widerstände verwenden. 2x 20 Ohm parallel oder 2 x 4,7 in Reihe. Nicht auf der Platine verkleben. Auch die 2. Box umbauen.
          Moin, also ich finde weder, Mox 20W, noch Mox 20Ohm 10Watt, alternativ Mundorf MResist SUPREME oder so 10Ohm 20w.
          Geht denn nicht auch 12 und 68 Parallel 10W ? macht 10,2Ohm, aus Platzmangel

          Und Strassacker macht beim Center folgende Aussage:
          Höhere Belastbarkeit

          Die Frequenzweiche von Hobby HiFi ist so ausgelegt, dass Visaton B200 höchstens 6Watt aufnehmen kann, da ansonsten R4, der in Reihe zum B200 liegt überhitzt.

          Daher empfehlen wir R4 (10 Ohm Metalloxidwiderstand) durch insgesamt 4 Stück 10 Ohm-Widerstände zu ersetzen. Es werden dazu je 2 Widerstände parallel geschaltet und beide Pärchen in Reihe. Für diese Änderung werden zusätzlich pro Lautsprecherbox 3 Stück 10 Ohm MOX 10 Widerstände benötigt.
          Hier liegen in Reihe zum B200 12,2 Ohm
          Kann ich doch durch 68/15 Ohm =12,29 Ohm ersetzen oder?

          Hatte da nicht Mr. Woofer schon mal drauf hingewiesen, bei der Standbelle ?

          Gruß Stefan
          Gruß Stefan

          Kommentar

          • Googler
            Registrierter Benutzer
            • 17.11.2015
            • 12

            #6
            Re:

            Moin moin,

            ihr seit echt Spitze vielen lieben Dank für die Unterstützung !!!

            Werde gleich bei 123... 2x 8,2ohm 20watt und 2x 10ohm 20watt als Keramik-Widerstand bestellen.

            Traurig das Visaton bei den Weichenpreis nicht gleich so etwas Verbaut !!!

            Melde mich wenn die Weichen wieder laufen...

            Nochmals vielen Dank euch allen...Liebe Grüße Matthias.

            Kommentar

            • walwal
              Registrierter Benutzer
              • 08.01.2003
              • 28802

              #7
              Hier gibt es Keramik in 20 W, die klingen nicht anders als Mox. Oder nimm 18 + 22 in Mox, 10 W.

              https://ehighend.de/shop/widerst%C3%...201a48baf2f5c4
              „Audiophile verwenden ihre Geräte nicht, um Ihre Musik zu hören. Audiophile verwenden Ihre Musik, um ihre Geräte zu hören.“

              Alan Parsons

              Kommentar

              • Googler
                Registrierter Benutzer
                • 17.11.2015
                • 12

                #8
                @walwal

                ...sind Mox besser als Keramik bei gleichen werten ???

                Kommentar

                • walwal
                  Registrierter Benutzer
                  • 08.01.2003
                  • 28802

                  #9
                  Konnte ich nie feststellen und niemand konnte Unterschiede belegen. Kommt aber auf die Konstruktion der Keramik-R an. Theoretisch ist MOX besser.

                  http://www.visaton.de/vb/showthread.php?t=13056
                  „Audiophile verwenden ihre Geräte nicht, um Ihre Musik zu hören. Audiophile verwenden Ihre Musik, um ihre Geräte zu hören.“

                  Alan Parsons

                  Kommentar

                  • fox2206
                    Registrierter Benutzer
                    • 31.01.2013
                    • 75

                    #10
                    Danke für den Hinweis der klingenden Widerstände , fast so gut wie die hochpreisigen Kabel, wo man dann keine Lsp mehr braucht, da diese dann auch schon so wunderbar klingen.
                    Hat Thel nicht mal Widerstände welche getestet
                    Gruß Stefan

                    Kommentar

                    • walwal
                      Registrierter Benutzer
                      • 08.01.2003
                      • 28802

                      #11
                      Hier Messung:

                      Zitat von F.A.Bi.A.N. Beitrag anzeigen
                      mox - rot; keramik - grün. jeweils ein nomineller 10ohmer.
                      weitere messungen habe ich (aus desinteresse) nicht gemacht.


                      Definitiv kein Unterschied hörbar.

                      Zitat aus Hifi Forum:
                      Fazit:
                      Für Passiv-Filter Anwendungen im Audiobereich sind selbst einfache Draht-Widerstände schon jenseits von gut und böse (-3 dB >100 kHz).
                      Und Metalloxid der pure Luxus.
                      Die Eigeninduktivität der LS-Kabelverbindung sowie der Endstufe selbst werden in der Praxis auch gegenüber Draht-Rs dominieren.
                      „Audiophile verwenden ihre Geräte nicht, um Ihre Musik zu hören. Audiophile verwenden Ihre Musik, um ihre Geräte zu hören.“

                      Alan Parsons

                      Kommentar

                      • Googler
                        Registrierter Benutzer
                        • 17.11.2015
                        • 12

                        #12
                        Re:

                        Also total Hupe !!!
                        Danke walwal... Lg. Matthias...

                        Kommentar

                        • the.Sandmann
                          Registrierter Benutzer
                          • 18.02.2011
                          • 579

                          #13
                          Zitat von fox2206 Beitrag anzeigen
                          ...

                          Geht denn nicht auch 12 und 68 Parallel 10W ? macht 10,2Ohm, aus Platzmangel

                          ...
                          Das funktioniert zwar, bringt aber leider auch nicht viel.
                          Dadurch, dass der Unterschied zwischen den Widerständen zu groß ist,
                          würden dann immer noch ca 85% des Stroms über den 12 Ohm Widerstand fließen.

                          Gruß,
                          Alexander
                          Aria 2 MHT Center, Aria 2 MHT, Aria MHT, TIW400 Dipol Sub,
                          Denon AVR-3313, Reckhorn A-404

                          Kommentar

                          • fox2206
                            Registrierter Benutzer
                            • 31.01.2013
                            • 75

                            #14
                            Stimmt nicht bedacht, aber wie ist das wenn nur der 10Ohm 20W ausgeführt wird und der 2,2 in 10w , Strassacker gibt es so an, macht das Sinn?
                            Gruß Stefan

                            Kommentar

                            • Rainer_G
                              Registrierter Benutzer
                              • 13.08.2008
                              • 691

                              #15
                              Du meinst den 22 Ohm Parallel-Widerstand ? Da sind 10 W ausreichend.
                              Gruß Rainer

                              Kommentar

                              Lädt...
                              X