Ankündigung

Einklappen
Keine Ankündigung bisher.

Projekt Classic 200

Einklappen
X
 
  • Filter
  • Zeit
  • Anzeigen
Alles löschen
neue Beiträge
  • Reim
    Registrierter Benutzer
    • 29.06.2001
    • 1504

    #16
    Hallo

    zum Thema Weiche:

    Ich habe die Classic gehört und mir war die Abstimmung zu bassschwach, daher habe ich eine andere leicht geänderte Abstimmung entwickelt und in meiner Selection eingesetzt.

    http://www.visaton.de/vb/showthread.php?t=11429

    Ich finde auch, dass der GF besser zum TI passt, daher habe ich den AL nicht in der Kombi verbaut.
    Viele Grüße

    vom Reim

    Kommentar

    • walwal
      Registrierter Benutzer
      • 08.01.2003
      • 28815

      #17
      Alternativ Katja bauen. Ist unter Projekte vollständig dokumentiert.

      Die Classic find ich schon auf Grund der Simu für nicht gut. Zu viel Höhen, zu wenig Grundton.
      Zuletzt geändert von walwal; 21.07.2010, 13:31.
      „Audiophile verwenden ihre Geräte nicht, um Ihre Musik zu hören. Audiophile verwenden Ihre Musik, um ihre Geräte zu hören.“

      Alan Parsons

      Kommentar

      • atbfrog
        Registrierter Benutzer
        • 14.07.2010
        • 95

        #18
        Bin wieder da :P

        Ich bin immernoch relativ unschlüssig beim Frequenzgang der Classic 200 sieht man schon, das sie eher Bassschwach ist...
        Würdet ihr eher die Selection empfehlen, ist sie wirklich ausgewogener?(logisch, ist individuell)
        Hast du Bilder des Frequenzgangs usw?

        walwal: warum meinst du "zuviel Höhen"? Anhand des Frequenzgangs kann ich das jetzt nicht nachvollziehen. (hab aber auch nicht viel Erfahrung)

        Ah! Du hast ja bei der Selection den Keramikhochtöner gar nicht eingesetzt!? Den würde ich aber gerne verbauen... das ist dann warscheinlich nicht mehr möglich ohne Weichenanpassung :C

        Kommentar

        • jama
          Registrierter Benutzer
          • 19.07.2009
          • 4888

          #19
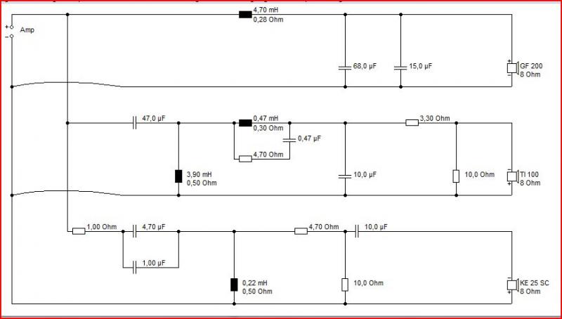
          ich habe die classic von reim an den ke25 angepasst.
          siehe hier:
          (masse bei reim nachprüfen)
          Angehängte Dateien
          • ’’Freiheit ist das Recht, anderen zu sagen, was sie nicht hören wollen. ‘‘ George Orwell
          • „Niemand ist frei, der nicht über sich selbst Herr ist. ‘‘ Matthias Claudius.

          deutsch ohne "sz" ABER mit fehler, tchüss! Jean-Marc.

          Kommentar

          • walwal
            Registrierter Benutzer
            • 08.01.2003
            • 28815

            #20
            Zitat von atbfrog Beitrag anzeigen
            Bin wieder da :P

            Ich bin immernoch relativ unschlüssig beim Frequenzgang der Classic 200 sieht man schon, das sie eher Bassschwach ist...
            Würdet ihr eher die Selection empfehlen, ist sie wirklich ausgewogener?(logisch, ist individuell)
            Hast du Bilder des Frequenzgangs usw?

            walwal: warum meinst du "zuviel Höhen"? Anhand des Frequenzgangs kann ich das jetzt nicht nachvollziehen. (hab aber auch nicht viel Erfahrung)

            Ah! Du hast ja bei der Selection den Keramikhochtöner gar nicht eingesetzt!? Den würde ich aber gerne verbauen... das ist dann warscheinlich nicht mehr möglich ohne Weichenanpassung :C
            Die Classic ist jetzt angenehmer als früher in den Höhen. Aber unter Winkel ist sie noch immer zu laut. Je nach Raum kann das zu viel sein. Der Effekt wird verstärkt durch wenig Grundton und schlanken Bass.

            Ob das bei dir passt, kann niemand sagen. Die Selection ist um 100 Hz zu laut, das kann günstig sein, aber auch nicht!
            Ich empfehle dir nochmal mein "Katja", die ist von der Optik schöner, preiswerter und du kannst sie etwas leichter an den Raum anpassen. Das geht natürlich auch mit der Classic. Lade dir Boxsim herunter und verändere die Weiche etwas, dann siehst du die Effekte.

            Egal, was du baust, eine Abstimmung im Raum ist meist nötig.
            „Audiophile verwenden ihre Geräte nicht, um Ihre Musik zu hören. Audiophile verwenden Ihre Musik, um ihre Geräte zu hören.“

            Alan Parsons

            Kommentar

            • jama
              Registrierter Benutzer
              • 19.07.2009
              • 4888

              #21
              ich hab den grundton leicht angehoben und die br abstimmung auf 40hz erhöht.
              so läuft der f-gang sanft ab von 100hz bis 2000hz;der energie-fgang ist dan auch regelmässiger.
              Angehängte Dateien
              • ’’Freiheit ist das Recht, anderen zu sagen, was sie nicht hören wollen. ‘‘ George Orwell
              • „Niemand ist frei, der nicht über sich selbst Herr ist. ‘‘ Matthias Claudius.

              deutsch ohne "sz" ABER mit fehler, tchüss! Jean-Marc.

              Kommentar

              • walwal
                Registrierter Benutzer
                • 08.01.2003
                • 28815

                #22
                Jetzt hilft nur noch bauen und testen.

                Im Anhang F-Gang Katja, auch da würde man vermuten: zu wenig Bass!
                Dazu Anhang 2: Katja am Hörort gemessen, da ist genug Bass. Die Schwankungen sind der Raumeinfluss, so was ist normal in üblichen Räumen, wenn die Akustik nicht optimiert ist.

                Ich vermute, dass man bei der Classic/Selection-Variante im Ober-Bass ersäuft, aber Versuch macht kluch.
                Sie hat auch durch die höhere Abstimmung weniger Tiefbass. Nach meinen Erfahrungen passt sowas nicht zum Raum. Da ist die Classic und Katja besser.

                Durch die Passivmembran ist bei Katja eine Anpassung an den Raum einfach. Sinustöne auf den Laptop laden, in den Verstärker einspeisen und hören (besser ist messen). Anschließend anpassen durch Gewichte. Der Raum hat soviel Einfluss im Bass, dass alle Simus (dort) völlig daneben liegen können.

                Noch einfacher geht es mit DSP und Aktivierung.

                Angehängte Dateien
                Zuletzt geändert von walwal; 08.08.2010, 09:41.
                „Audiophile verwenden ihre Geräte nicht, um Ihre Musik zu hören. Audiophile verwenden Ihre Musik, um ihre Geräte zu hören.“

                Alan Parsons

                Kommentar

                • jama
                  Registrierter Benutzer
                  • 19.07.2009
                  • 4888

                  #23
                  Sie hat auch durch die höhere Abstimmung weniger Tiefbass
                  so krass ist der unterschied wieder nicht.
                  (gestrichelt 40hz)br33hz

                  Die Classic ist jetzt angenehmer als früher in den Höhen. Aber unter Winkel ist sie noch immer zu laut. Je nach Raum kann das zu viel sein. Der Effekt wird verstärkt durch wenig Grundton und schlanken Bass.
                  Im Anhang F-Gang Katja, auch da würde man vermuten: zu wenig Bass!

                  Ich vermute, dass man bei der Classic/Selection-Variante im Ober-Bass ersäuft


                  ist das alles nicht etwa wiedersprechlich?...
                  Angehängte Dateien
                  Zuletzt geändert von jama; 08.08.2010, 10:34.
                  • ’’Freiheit ist das Recht, anderen zu sagen, was sie nicht hören wollen. ‘‘ George Orwell
                  • „Niemand ist frei, der nicht über sich selbst Herr ist. ‘‘ Matthias Claudius.

                  deutsch ohne "sz" ABER mit fehler, tchüss! Jean-Marc.

                  Kommentar

                  • walwal
                    Registrierter Benutzer
                    • 08.01.2003
                    • 28815

                    #24
                    Den Unterschied in der Abstimmung hört man deutlich.

                    Jama, ich rede von deiner Variante, die hat zuviel Bass.
                    Aber wie schon geschrieben, es hilft nur probieren. Da musste ich auch durch.
                    „Audiophile verwenden ihre Geräte nicht, um Ihre Musik zu hören. Audiophile verwenden Ihre Musik, um ihre Geräte zu hören.“

                    Alan Parsons

                    Kommentar

                    • jama
                      Registrierter Benutzer
                      • 19.07.2009
                      • 4888

                      #25
                      da der f-gang regelmässig abfält bis 2k würde sie (vermute ich...) eher warm klingen als zu viel bass.
                      aber wie du sagst: probieren!
                      Angehängte Dateien
                      • ’’Freiheit ist das Recht, anderen zu sagen, was sie nicht hören wollen. ‘‘ George Orwell
                      • „Niemand ist frei, der nicht über sich selbst Herr ist. ‘‘ Matthias Claudius.

                      deutsch ohne "sz" ABER mit fehler, tchüss! Jean-Marc.

                      Kommentar

                      • atbfrog
                        Registrierter Benutzer
                        • 14.07.2010
                        • 95

                        #26
                        Hmmm... erstmal danke für die infos!

                        Aaaber (auch wenn ihr die Augen verdreht ) ich will eine Box bauen die mindestens "theoretisch" gut ist, dh. ich werde sie nicht auf den Raum abstimmen, da ich noch einige male umziehen werde... zudem fehlt mir das know how. Wenn ich dann mal sesshaft geworden bin würde ich lieber versuchen die Raumakustik zu verbessern.
                        Am liebsten würde ich halt schon einen einfachen Bausatz mit Fertigweiche bauen und fürs gewissen das Gehäuse etwas verbessern.

                        Aber da die Classic doch einige Mängel aufweise, frage ich mich inzwischen, was ihr von anderen Boxen wie zB. der Conga haltet? Weist da der ke25 auch zu viel höhen auf? Also an den VIB 170 AL habe ich immernoch Freude.

                        Und wenn ich mir den Frequenzgang der Selection ansehe, dann ist ja die Classic im Tiefbass bzw. bei 50Hz besser??

                        Kommentar

                        • arnegger
                          Registrierter Benutzer
                          • 11.03.2004
                          • 937

                          #27
                          Zieh mal noch die Atlantis in die Auswahl mit ein. Mit diesem Lautsprecher wurden einige hier sehr glücklich. Zudem kannst du deine AL170 weiter verwenden, TI ist auch einsetzbar und sogar G25FFL kann anstelle der KE gebraucht werden, wenn diese noch nicht vorhanden ist.

                          Kommentar

                          • walwal
                            Registrierter Benutzer
                            • 08.01.2003
                            • 28815

                            #28
                            Die Abstimmung auf den Raum ändert ja nichts an der theoretisch guten Qualität, da sie veränderbar ist. Die Raumakustik im ganz tiefen Frequenzbereich deutlich zu verbessern, erfordert sehr viel Aufwand und ist in einem Wohnraum nicht zu machen.
                            Da muss man die Quelle anpassen, wie auch immer.

                            Die Atlantis mit Ti und G 25 ist eine Verschlechterung und es gibt keine Baupläne.

                            Die Conga habe ich noch nicht gehört, aber auch da kritisierten einige die zu helle Abstimmung. Aber das ist leicht veränderbar, indem ein - zwei Widerstände umgelötet werden, wie bei allen Boxen.

                            Nimm die Classic oder die Atlantis als Bausatz. Auch da kannst du etwas an den Raum anpassen.
                            Die Atlantis geht tiefer und sollte mehr Abstand zur Rückwand haben.
                            „Audiophile verwenden ihre Geräte nicht, um Ihre Musik zu hören. Audiophile verwenden Ihre Musik, um ihre Geräte zu hören.“

                            Alan Parsons

                            Kommentar

                            • CMrotzek
                              Registrierter Benutzer
                              • 24.01.2003
                              • 128

                              #29
                              Ich muss jetzt mal für die Classic in die Bresche springen. Ich kenne zwar nur die Version mit dem AL und die Classic GF, aber früher hatten beide Versionen zu wenig Bass. Die Weiche wurde auf Grund diverser Kritik angepasst. Jetzt finde ich sie schon sehr gut. Die Bassbetonung bekommt man auch ganz gut über die Wand hinter dem Lautsprecher hin. Näher dran = mehr Bass, weiter weg weniger. Ich denke, dass das auch ein Grund für die recht schlanke Abstimmung ist. Nicht jeder kann seine Lautsprecher frei in den Raum stellen. Die Conga sollte man sich vorher anhören!!!! War nicht wirklich begeistert. Für die Größe war ich schon etwas enttäuscht vom Bass und auch walwals Version hat nicht die Besserung gebracht. Allerdings bin ich auch ein Voxen FAN, von daher vielleicht etwas Bass verwöhnt.

                              Mit der Classic kann man nicht falsch machen und wenn es gar nicht passt, einfach noch ein TI und schon hast Du eine Vox200KE!
                              Aria, Aria light, AltoIIG, AltoIIIG, Bijou, Blue Sat2, Classic 200 AL, Classic 200GF, Clou, Concorde MK III, Conga, Couplet, Couplet light, Solitude, Solo50, Stella light, Sub T-20.39, Sub T-25.30, Symphonie, Topas, Vib 170 AL, Vox 200 light, Vox 200 MHT, Vox 253, Vox 253 MTI,

                              Kommentar

                              • walwal
                                Registrierter Benutzer
                                • 08.01.2003
                                • 28815

                                #30
                                Wobei ich die Version mit dem Al 130 bevorzugen würde, weil es besser aussieht und preiswerter ist ohne klangliche Nachteile.

                                Leider gibt es die nicht als Bausatz bei Visaton, aber bei meinem Vorposter sicher.

                                Abtfrog, frag mal hier:
                                http://www.sp-corner.de/index.html

                                Zitat von CMrotzek Beitrag anzeigen
                                .....

                                Mit der Classic kann man nicht falsch machen und wenn es gar nicht passt, einfach noch ein TI und schon hast Du eine Vox200KE!
                                Oder die Concorde 170:
                                http://www.visaton.de/vb/showthread.php?t=20923

                                M. Meinung nach besser als jede Vox, wenn man es nicht extrem laut will.
                                Wobei alle D'Appo konzentriertes Zuhören "bevorzugen", also nichts für Party oder Stehhörer und Nebenbei-Hörer.
                                „Audiophile verwenden ihre Geräte nicht, um Ihre Musik zu hören. Audiophile verwenden Ihre Musik, um ihre Geräte zu hören.“

                                Alan Parsons

                                Kommentar

                                Lädt...
                                X