First time poster! Be gentle...
Sorry about the English text, but my German is not top notch...
Anyway, I do understand written Deutsch!

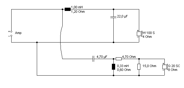
So, please help me to pair w100s4 with G20sc!
I'm having a difficult time to design a decent crossover. I've attached the Boxsim project which I've built, but I'm not happy with it. It sounds like I've switched on the loudness button constantly. Mids are recessed, bass and highs are prominent. And it lacks "speed".
Please, bitte, help me!
Danke!
Tschüss!
Peter
Kommentar