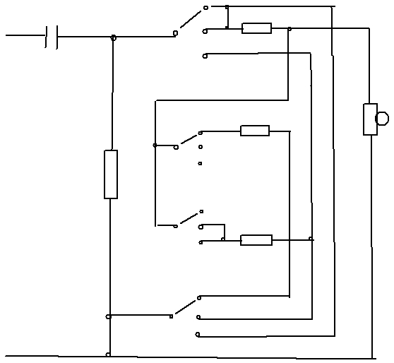
Vorneweg:
Der Drehschalter besteht aus 4 Umschaltern mit je 3 Schaltstellungen.
Die Kontakte befinden sich alle auf einer Ebene.
Am äußeren Rand sind die Abgänge, also 12, angeordnet.
Im Zentrum sind die 4 Zugänge.
In der Skizze sind die 4 Umschalter dargestellt mit links den 4 Zugängen und rechts davon die jeweils 3 Abgänge.
Links davon ist der Kondensator und die Spule.
Rechts außen das soll der HT sein.
Das Beste wird sein, wir verfolgen den Strompfad der 3 Schaltstellungen. Plus wird vom "obersten" umgeschaltet, Minus vom "untersten".
1.) Alle Kontakte oben:
(+) über den oberen Schalter zum 5,6 Ohm-Widerstand. Von dort zum Zugang des 2. Umschalters und weitergeleitet zum 2. Widerstand (10 Ohm). Danach auf den 1. Kontakt der 4. Ebene und dann auf Minus.
2.) Alle Kontakte in Mittelstellung:
Zunächst wie 1.) über die 5,6 Ohm, dann allerdings über den Zugang des 3. Umschalters zum 6,8 Ohm Widerstand und anschließend wiederum per 4. Schaltebene auf Minus.
3.) Alle Kontakte in unterer Stellung:
(+) geht jetzt zum unteren Widerstand (6,8 Ohm, rechts) und über den Zugang des 3. Schalters zum 5,6 Ohm Widerstand. Von dort aus geht die Verbindung zum unteren Abgang des 4. Schalters und zu (-).
Ich hoffe die Funktion ist jetzt deutlich geworden.
Bei dem Drehschalter ist darauf zu achten, daß man keine Ausführung bekommt, die beim Umschalten die benachbarten Abgänge kurzschließt. Denn dann werden in der 3. Stellung die beiden untersten Kontakte miteinander verbunden und demzufolge auch Kontakt 2 + 3 des obersten Umschalters, wodurch die Spule kurzgeschlossen werden würde.!
Bei der Bestellung einfach darauf achten.!
Oder vor dem Umschalten Verstärker ausschalten.


Kommentar