Ankündigung

Einklappen
Keine Ankündigung bisher.

Visaton Bijou im ScaMo 15 Gehäuse ?

Einklappen
X
 
  • Filter
  • Zeit
  • Anzeigen
Alles löschen
neue Beiträge
  • Audiofrank
    Registrierter Benutzer
    • 12.01.2011
    • 46

    Visaton Bijou im ScaMo 15 Gehäuse ?

    Hallo liebe Forumsmitglieder,

    Ich weiß nicht genau ob ich hier richtig bin? Falls nicht bitte ich den Admi um Verschiebung meines Beitrages.
    Nach einigem hin und her habe ich in den letzten Tagen zwei AL130 und zwei G25 FFL die bei mir noch herumlagen in ein ScaMo 15 Gehäuse eingebaut. ( optisch sieht das ganz nett aus ) Da wie erwähnt die G25 FFL zum Einsatz kam, habe ich das Konstrukt über die Frequenzweiche der "VIB Micro AL" beschaltet. Mit dem Klang bin ich allerdings noch nicht wirklich zufrieden. Zum einen ist der Grundton recht schwach. Möglicherweise bewirkt dieser Umstand auch, dass die räumliche Zuordnung nur mäßig funktioniert.
    Die Weiche der "VIB Micro AL" ist schließlich auf ein wesentlich kleineres Gehäuse ausgelegt.
    Mich würde interessieren ob sich die Situation durch Umstellung auf die Bijou ( Austausch der Frequenzweiche und des Hochtöner ) verbessern ließe?
    Da hier im Forum einige Nutzer viel erfahrener sind als ich, würde ich mich sehr freuen, wenn mir der ein oder andere seine Meinung bezüglich Machbarkeit mitteilen würde.

    Ich bedanke mich im voraus.
    Angehängte Dateien
  • walwal
    Registrierter Benutzer
    • 08.01.2003
    • 28802

    #2
    Verrate doch mal, wie die Weiche ist und das Volumen, geschlossen oder BR und ob ein Subwoofer mitspielt. So ist das etwas dürftig.
    „Audiophile verwenden ihre Geräte nicht, um Ihre Musik zu hören. Audiophile verwenden Ihre Musik, um ihre Geräte zu hören.“

    Alan Parsons

    Kommentar

    • Audiofrank
      Registrierter Benutzer
      • 12.01.2011
      • 46

      #3
      Hallo Walwal,
      Die Gehäuse wurden eins zu eins von der ScaMo übernommen. Außer dass der Bassreflexkanal vorsichtshalber auf der Rückwand eingebaut wurde. ( Für den Fall das er länger als bei der ScaMo werden muss )
      Die Frequenzweiche ist nach Bauplan Visaton "VIB Micro AL" ausschließlich mit original Bauteilen aufgebaut. ( alle Kondensatoren sind Visaton MKP's und durchgehend 10W Mox Wiederstände )
      Als BR Kanal kommt wie bei der ScaMo ein HP 50 zur Anwendung. ( im Moment mit voller Länge also 14,7 cm )
      Ich habe gerade noch einmal den Bauplan der Visaton VIB Micro AL aufgerufen und musste feststellen, dass die Micro AL auch 9 Liter Volumen hat. Das hatte ich anders in Erinnerung. ( war von 6 oder 7 Liter ausgegangen )
      Allerdings verstehe ich nun überhaupt nicht mehr, warum der Grundton so schwach ist?
      Ich habe vor kurzem einmal per DSP nach gesteuert ( +3dB bei 65 Hz und +2dB bei 90 Hz ) Jetzt passt es zwar im Grundton. Aber die Stereo Abbildung? Nicht falsch verstehen, links/ rechts und sehr weit nach hinten funktioniert. Aber die "nach vorne Ortung" ist unter aller Kanone. Wenn ich auf meine"Vision BS" umswitche ist der Unterschied gravierend.
      Ich hoffe ich konnte deine Fragen beantworten.
      Freut mich übrigens sehr, dass ausgerechnet du dich meiner Frage annimmst. Ich habe schon sehr viel von dir im Hifi Forum gelesen.

      Gruß Frank
      ​​​​​
      Zuletzt geändert von Audiofrank; 25.04.2022, 20:48.

      Kommentar

      • walwal
        Registrierter Benutzer
        • 08.01.2003
        • 28802

        #4
        Diese Weiche habe ich gefunden für die Vib M Al, ist das deine? Denn die taugt mM. nach nicht viel.....

        Wieso kann ich keine Bilder hochladen???

        Kannst du die Weiche zeigen? Kannst auch PN schicken
        „Audiophile verwenden ihre Geräte nicht, um Ihre Musik zu hören. Audiophile verwenden Ihre Musik, um ihre Geräte zu hören.“

        Alan Parsons

        Kommentar

        • Audiofrank
          Registrierter Benutzer
          • 12.01.2011
          • 46

          #5
          Die Weiche kann ich dir per PM senden.
          Muss nur erst einmal einen Screenshot davon machen.

          Kommentar

          • walwal
            Registrierter Benutzer
            • 08.01.2003
            • 28802

            #6
            ok
            „Audiophile verwenden ihre Geräte nicht, um Ihre Musik zu hören. Audiophile verwenden Ihre Musik, um ihre Geräte zu hören.“

            Alan Parsons

            Kommentar

            • Markus213
              Registrierter Benutzer
              • 11.03.2017
              • 886

              #7
              Das hört sich nach vertauschten Phasen an.
              Es ist meine Meinung, die ohne Angaben von Gründen geändert werden kann. Fehler oder Irrtümer vorbehalten! Für die Richtigkeit der Angaben kann keine Gewähr übernommen werden

              Kommentar

              • Audiofrank
                Registrierter Benutzer
                • 12.01.2011
                • 46

                #8
                Hallo Markus213,

                Also wenn du damit irgendwelche Verpolung ( Eingang, Frequenzweiche, Ausgang TMT und HT meinen solltest, habe ich auch zuerst gedacht.
                Zweimal überprüft. Alles richtig.
                Es funktioniert ja.
                Nur so eine richtige Mittenortung ( Nachrichtensprecher und so ) ist einfach nicht so wie ich es von meinen anderen Lautsprechern ( Vision BS, Skyline, Speedster ) kenne.
                Ob das an den breiten Fasen liegt? Ich weiß es nicht?

                Kommentar

                • walwal
                  Registrierter Benutzer
                  • 08.01.2003
                  • 28802

                  #9
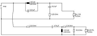
                  Klicke auf die Grafik für eine vergrößerte Ansicht  Name: scamo.jpg Ansichten: 0 Größe: 23,6 KB ID: 701158
                  Das ist die Weiche, und das der Phasengang, das kann nix werden. Ungünstig ist auch die Kombination G 25 mit der Schallwandbreite/Fasen, das macht den Frequenzgang buckelig.

                  Optimal wäre die Studio 2, aber das WG ist wohl zu groß für das jetzige Gehäuse.

                  Klicke auf die Grafik für eine vergrößerte Ansicht  Name: scamo phase.jpg Ansichten: 0 Größe: 99,8 KB ID: 701159
                  „Audiophile verwenden ihre Geräte nicht, um Ihre Musik zu hören. Audiophile verwenden Ihre Musik, um ihre Geräte zu hören.“

                  Alan Parsons

                  Kommentar

                  • walwal
                    Registrierter Benutzer
                    • 08.01.2003
                    • 28802

                    #10
                    Die Bijou wäre deutlich besser, könnte man auch mit der g 25 bauen - zur Not
                    „Audiophile verwenden ihre Geräte nicht, um Ihre Musik zu hören. Audiophile verwenden Ihre Musik, um ihre Geräte zu hören.“

                    Alan Parsons

                    Kommentar

                    • Audiofrank
                      Registrierter Benutzer
                      • 12.01.2011
                      • 46

                      #11
                      Guten Morgen,
                      Ich habe jetzt die Lautsprecher an meinem Arcam SA30 zu laufen.
                      Der Unterschied ist ziemlich heftig. ( vorher hatte ich sie an einem Arylic 2.0 Modul )
                      Am Arcam fehlt ihnen nichts an Grundton. Das Problem der nur mäßigen "Mitte Ortung" bleibt allerdings weiterhin erhalten.
                      Hierfür könnte aber die zwei cm schmalere Schallwand und die großzügigen Fasen für den HT verantwortlich zeichnen ?
                      Vielleicht kann ja einer von euch mal eine Vergleichssimulation ( Bestückung im Original Gehäuse vs. ScaMo Gehäuse ) durchspielen.
                      Ich habe mich ein paar Mal am Simulieren versucht.
                      Jedesmal mit dem Ergebnis kurz davor gewesen zu sein, den Laptop gegen die Wand schmeißen zu wollen. ( ich steige da einfach nicht durch... )
                      Interessant wäre für mich auch, ob die Länge meines BR Kanal überhaupt stimmt ? ( HP 50 / 14,7 cm )
                      Ich weiß natürlich, dass ihr alle eure eigenen Projekte zu beackern habt. Aber es wirklich lieb von euch, wenn ihr mir hilfreich zur Seite stehen könntet
                      Beste Grüße Frank

                      Kommentar

                      • Audiofrank
                        Registrierter Benutzer
                        • 12.01.2011
                        • 46

                        #12
                        Moin Moin Walwal,
                        Habe deine Antwort gerade gelesen.
                        Danke, danke für deine Mühe !!!
                        Das Waveguide passt leider nicht mehr hinein.
                        Aber dann steht die Entscheidung auf Bijou umzurüsten somit fest.
                        Kannst du mir bitte noch sagen, wie es um den BR Kanal bestellt ist ? Passt das mit 14,7 cm ?
                        Ich habe mal mit meinem U-Mik 1 gemessen ( bin da leider blutiger Anfänger ) aber das sieht furchtbar aus !
                        Angehängte Dateien

                        Kommentar

                        • Audiofrank
                          Registrierter Benutzer
                          • 12.01.2011
                          • 46

                          #13
                          Ist die Verpolung des AL 130 in deiner Abbildung gewollt ? ( bedingt des kleinen Kondensators erforderlich ? )
                          In der Original Weiche sind beide Chassis Phasen richtig angeschlossen.

                          Kommentar

                          • walwal
                            Registrierter Benutzer
                            • 08.01.2003
                            • 28802

                            #14
                            Da ist nichts verpolt. Der kleine Kondensator dämpft eine Resonanz des Al 130 und ist bei Visaton Standard.
                            „Audiophile verwenden ihre Geräte nicht, um Ihre Musik zu hören. Audiophile verwenden Ihre Musik, um ihre Geräte zu hören.“

                            Alan Parsons

                            Kommentar

                            • walwal
                              Registrierter Benutzer
                              • 08.01.2003
                              • 28802

                              #15
                              Die Fasen sind in jeder Beziehung günstig.
                              „Audiophile verwenden ihre Geräte nicht, um Ihre Musik zu hören. Audiophile verwenden Ihre Musik, um ihre Geräte zu hören.“

                              Alan Parsons

                              Kommentar

                              Lädt...
                              X