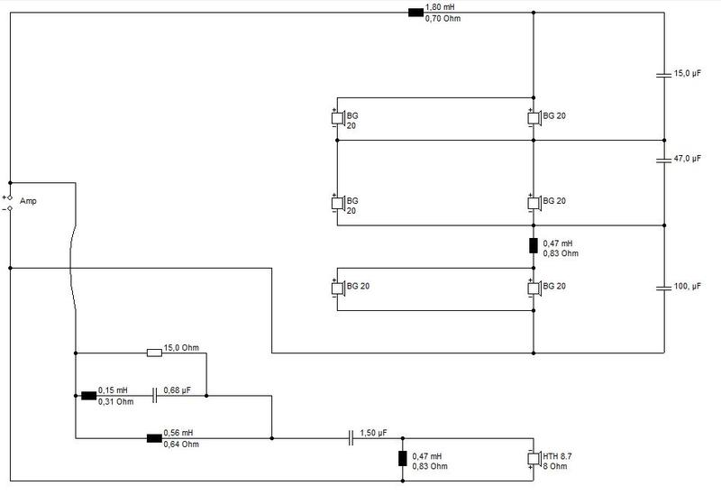
ich werde meine BG20 Turme umbauen, die nächste Evolutionsstufe :-)
Ausgehend von dem alten Projekt siehe:
http://forum.visaton.de/showthread.php?t=30649
Möchte ich nun den BG20 etwass mehr Volumen gönnen, und den Hochtonzweig von 2 BG's auf einen BG20 reduzieren.
ich habe nun mal das ganze in Boxsim simuliert.
Gibt es grobe Fehler?
Die Lautsprecher sind für meine Gartenhüte und es ist schon klar das sie etwas eigenartig sind.
Lg Hubert


Kommentar