Vielen Dank für die Antworten. Ich nerve mal weiter :-)
@Ubix - Ja, die Feinheit der Rasterung war die Ursache, hatte da rumgespielt.
UweG@ - Die beiden Tieftöner haben getrennte geschlossene Gehäuse. Deine Bemerkungen zum Phasengang. Wo bekomme ich da mehr Hinweise, was muss beachtet werden? Ich habe den Phasengang mal angehängt. Da mir der für die Chassis von Monacor nicht vorliegt, hat ihn das Programm irgendwie simuliert? So als Neuling sehe ich keine Unterschiede zum Phasengang im Default Projekt. Für Hinweise, worauf geachtet werden muss, bin ich dankbar. Auch zur Verpolung. Kenne das eigentlich nur vom Hochtöner. Lassen sich die Weichen damit vereinfachen?
Wie wäre den jetzt eine sinnvolle Vorgehensweise?
- Ein Prototypegehäuse bauen
- Die Einzelchassis durchmessen
- mit den neune Frequenz-und Phasengängen wieder in die Weichesimulation
Wird das heute auch im Hobbybereich gemacht oder bauen alle nur noch geprüfte Vorschläge nach?
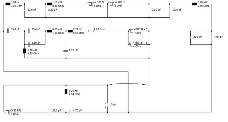
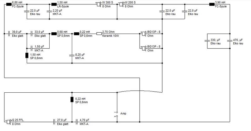
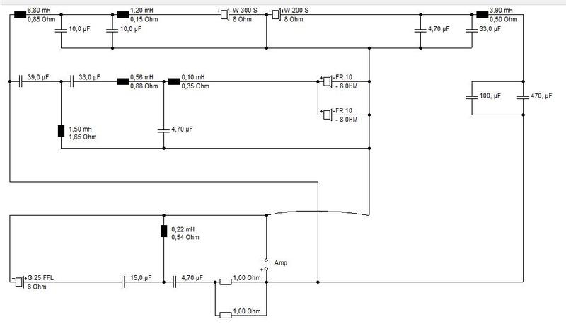
Hier meine Ergebnisse. Der etwas holprigere Frequenzgang ergab sich nach Einsetzen von Normwerten in die Weichenschaltung.
Gruß Werner am NO-Kanal
http://www.visaton.de/vb/images/attach/jpg.gif
http://www.visaton.de/vb/images/attach/jpg.gif
http://www.visaton.de/vb/images/attach/jpg.gif
http://www.visaton.de/vb/images/attach/jpg.gif
. (copyright by mechanic)
Kommentar