wollte euch mal mein neues "Spielzeug vorstellen:

http://xilica.com/?c=78&cat=2&id=5
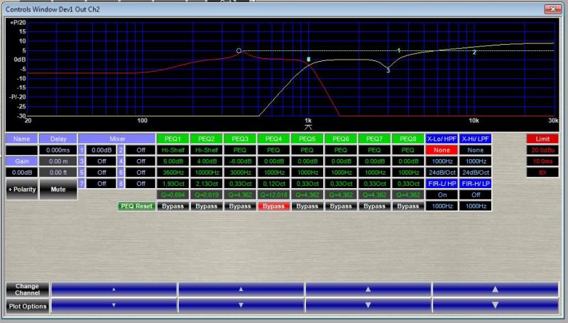
Die Bedienung über die mitgelieferte Software macht auf den ersten Blick einen guten und einfach zu bedienenden Eindruck.

. (copyright by mechanic)
. (copyright by mechanic)
. (copyright by mechanic)
. (copyright by mechanic)
Beim Besuch unseres Forums werden Cookies gesetzt. Dies sind kleine Textdateien, die lokal auf Ihrem Rechner in den Browserverlauf gespeichert werden. Die auf unserer Forums-Website eingesetzten Cookies sind technisch erforderlich und gewährleisten den Betrieb und die Komfort-Funktionalitäten des Forums.
Während Ihres Forum-Besuchs werden keine Cookies zu Marketingzwecken oder für Statistiken und Analysen gesetzt. Auch werden keine Daten an Dritte übermittelt.
Detaillierte Informationen zu unserer Verarbeitung von personenbezogenen Informationen erhalten Sie in unserer Datenschutzerklärung.
Wenn Sie auf „Einverstanden“ klicken, stimmen Sie unserer Datenschutzerklärung und dem Einsatz von technisch erforderlichen Cookies zu.
Kommentar