Hallo,
ich habe meine jüngstes Projekt fertiggestellt, eine kleine 2-Wege-Box mit W100S und DT94. Es sollten Lautsprecher mit etwas mehr Tiefgang als die Aria light werden, jedoch keine Standboxen wie die Topas light. Der Name bezieht sich auf die verwendete Farbe: Hellelfenbein RAL 1015.
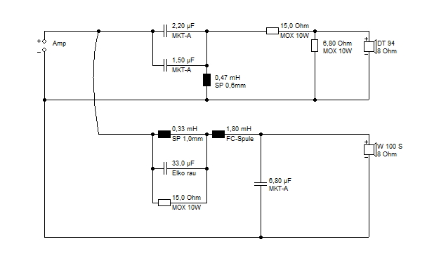
Der W100S ist in gut 10 Liter Volumen auf 45Hz abgestimmt:
Als Bassreflexrohr kommen zwei gebogene Stücke Abflussrohr DN40 zum Einsatz. Beim vorderen Rohr bleibt ein Stück vom Flansch stehen, den habe ich leicht versenkt eingebaut und mit Spachtelmasse anmodelliert:
Bei ersten Versuchen mit einem einfachen geraden Rohr schlug die Längsresonanz bei 1200Hz voll durch, wie es die AJHorn Simulation vorhersagt. Mit dem gebogenen Rohr ist das etwas besser.


gefällt mir sehr! Aus der könnte man sich wirklich ein nettes Surroundsystem zusammenstellen...
Kommentar