Nach längere Baupause wollte ich mal was neues Bauen.Bin ja mit meinen Voxen zufrieden aber warum nicht.
Da mir die Concord zu aufwändig war habe ich mich für die Standcouplet WG entschieden sind ja nur 6 Bretter.
Irgendwie bin ich draufgekommen die Aktiv aufzubauen.Also Boxsim angeschmissen und probiert.
Das hatt soweit geklappt.Na dann loss müsste nicht so schwer sein

Die Box habe ich ein wenig größer gebaut 115cm x 18 x 25. Das ergibt ein Volumen von ca 32 Litern.
Die Bassreflexabstimmung habe ich auf ca bei 37 Hz gelegt.
Warnex schwarz war die einfachste Lösung für mich.

Für innen habe ich Steinwolle genommen.
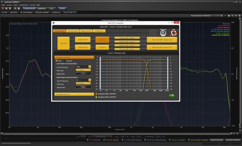
Angetrieben wir die Box von zwei ICE Power250ASX2 Modulen.Angesteuert von der MiniDSP 2x4 Balanced als Weiche.
Naja soweit alles gut.Das Problemm ist nur das ich keine Ahnung vom Messen habe.
Hab mir aber schon eine Kaliebriertes ECM-40 und dazu eine US-144MKII Saundkarte gehollt.
Auf die schnelle habe ich mit Carma 4 eingemessen.Damit ich schon mal ein ergebnis habe.
Die Box hört sich ganz gut an obwohl das mit dem einmessen nicht 100% stimmt.


Kommentar