einmal im Jahr, und das neue hat glücklicherweise gerade begonnen, baue ich gern mal was Neues, erfahrungsgemäß mit Visaton-Chassis. Über die Zeit sammelt sich da so einiges an, das im Regal sein Dasein fristet. So auch in diesem Fall, ein bisschen Furnier hier, ein Paar Chassis dort, und man überlegt, hmm, verkaufen oder bauen oder... ok, ich gebe zu, mich manchmal dabei zu ertappen, nach Fertigprodukten zu schauen. Glücklicherweise erhält man hier im Forum von mindestens einem geschätzten Forumskollegen die passende Antwort: Pfui! Boxen kaufen... Lautsprecherbau kannst du selbst auch... Na gut, irgendwie hat er ja recht... gleichwohl ich meine Boxen nach wie vor nach Boxsim und Gehör abstimme... Auweia, voll oldschool mag man da denken, messen ist doch so leicht, aha... immerhin, auch wenn ich mich lange dagegen gesperrt habe, dieses Jahr wird´s wohl mal fällig.
Doch bis ich soweit bin, fange ich trotzdem einfach mal an, ohne Messequipment zu berichten,... wobei... oftmals lese ich lange Berichte, und die sind durchaus echt interessant, aber irgendwie ist das nicht so meins:
Also, kurzum habe ich angefangen, die x-te 3-Wege-Box in x-tem-quadrigem Design zu bauen, irgendwie also stinknormal! Und dennoch wieder interessant, weil ich das mit dem Furnieren-Üben so langsam mag! Warum? Weil es selten so klappt, wie man es sich so schön vorstellt. Furnier fügen, mit Weißleim aufbügeln... besser nicht! Klappt gut bei ganzen Blättern, aber...
Furnieren mit Kontaktkleber ist da schon vielversprechender, macht auf Dauer aber glaube ich ziemlich doof, sei´s drum, en beten scheef hett gott leef!
Für zuhause sind die Ergebnisse wohl ganz passabel, zumindest ärgere ich mich nicht weiter über Kürschner und etwaige durchgeschliffene Stellen, weil ich weiß, ich habe nicht das Beste, aber das Optimalste für meine Möglichkeiten geschafft, und das ist ok.
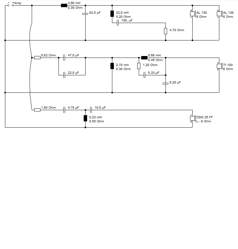
So, nach langem Rhabarber noch ein paar Bilder für den Anfang:





... wäre ja sonst auch zu einfach gewesen
Kommentar