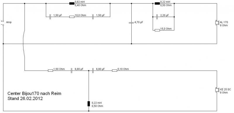
also die 18Khz Betonung stört mich weniger, als der insgesamt steigende Verlauf der HT Kurve, in meinen vorherigen Messungen/Konstruktionen war die KE bis in die höchsten Frequenzen sehr linear.
Bei einem Center habe ich die Erfahrung gemacht, diesen möglichst ohne HT Betonung, wie eigentlich sonst üblich, abzustimmen, mit dieser Betonung kann es bei Stimmen schnell zu zischeln und betonten S-Lauten kommen.
. Ist auch nachgewiesen.

Kommentar