Es handelt sich um eine kleine Säulenbox, die sich am besten auf einem Sockel oder Ständer von ca 30cm Höhe macht.
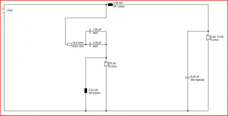
HT: DT94 8
TT: LMC13HE 4
Weiche besteht aus 3(!) Bauteilen. Jeweils Filter 1. Ordnung HT 1,5µF MKP und 15Ohm MOX, TT Luftspule 1,4mm Draht 0,68mH,0,23Ohm
wenn Visaton sich beim LMC13HE sich nicht "vermessen" hat (besonders erstaunlich finde ich den Mmaximalpegel im Tiefton), ist der Frequenzgang in Anbetracht der Ausgaben super.
Vom Phasen- und Impedanzverlauf spreche ich jetzt lieber nicht, ist bei so einer Box aber auch zweitrangig.
aber macht euch ein eigenes Bild, ich hab die Projektdatei natürlich "dabei" ;-)











) + 




Kommentar