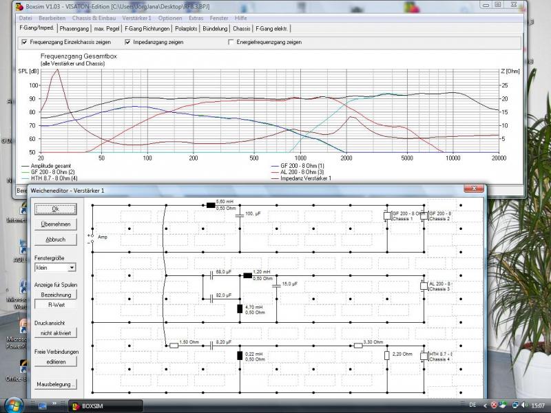
Kurz und gut eine Weiche per Boxsim entwickelt und eine Probebox gebaut, die im TT-Bereich noch mit GF200 bestückt ist. Nach einer ersten Probeanhörung wurde die Weiche im Hochtonbereich etwas verändert, so dass ich jetzt erstmal so zufrieden war.
Bilder der Weiche und vom Vergleich mit meinen VOX 200 MHT – die Vehemence ist um Faktor 1,2 größer als die VOX 200 (120 x 24 x 40 cm), also in etwa so groß wie eine VOX 253:
Der Name Vehemence kommt aus dem Englischen und bedeutet Wucht, Ungestüm, Heftigkeit aber auch Leidenschaft – so kann man auch den Klang beschreiben.



Kommentar