nachdem bei uns in der Party-Hütte der Subwoofer-Verstärker durch einen Regenschaden abgeraucht ist habe ich mir auf eBay ein Sub-Modul dafür besorgt. Das Modul hat eine Leistungsaufnahme von 70 Watt. Auf dem Trafo steht 2x19V 1,6A. Sollten also gut 30 Watt raus kommen. Ich denke das reicht für den W250S den ich hier aus dem Forum erstanden habe. Der hatte ein Loch und war seeehr günstig. Das Loch habe ich mit Silikon zugeschmiert und der Sub läuft wieder einwandfrei. Wenn das Modul drin ist gibts auch ein paar Bilder.
Jetzt zum Problem. Der (Cinch-)Pegel für den Sub ist zu leise. Das Problem hatte ich vorher mit dem alten Verstärker auch schon und habe mir mit einer selbstgebauten Aktiv-Weiche mit hoher Eingangsverstärkung geholfen, die aber ebenfalls durch das Wasser abgeraucht ist.
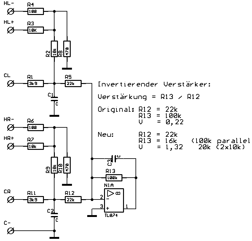
Ich habe mal die Eingangsschaltung des Submoduls aus dem Layout abgelesen und mir meine Gedanken dazu gemacht, aber irgendwie habe ich das mit den OP's nicht mehr so drauf:

Die Anschlüße mit der bezeichnung C sind die Cinch, die mit der Bezeichnung H sind die High-Inputs. Ich habe das Teil heute so umgebaut und getestet. Also 2x10k in Reihe parallel zum 100k. Allerdings ist das Modul leiser geworden anstatt lauter. Jetzt steh ich auf dem Schlauch. Wer kann mir denn einen Tip geben, wie das ganze am elegantesten zu lösen ist.
Gruß
Obelix
Kommentar