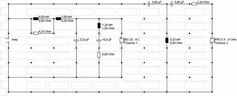
wollte mal diesen Bauvorschlag der CT 273 aus Klang + Ton vorstellen.
(300Euro das Boxenpaar)
Habe das Gehäuse mit Abflussrohren aufgebaut.
-Grundkörper DN 250mm, 1000mm lang (Länge angepasst)mit Endkappe verklebt.
-Reduzierung RG DN 250/200
-DN 200-90° (vorderer Rand (5mm) geglättet
FSR5 mit 8mm Oelrohr vor dem BG20 befestigt. Höhe BG20 ca. 1000mm (Ohrhöhe am Schreibtisch)
Gehäuse ca. 50Liter (Rohre ca. 45 Euro pro Box)
Das ganze wird mit den Dichtungen zusammen gesteckt (kann auch zusätzlich mit Kleber gemacht werden).
Farbliche Gestaltung nach Geschmack (bei mir Weis perleffekt).
Denke durch das Rohrsystem, ist das Gehäuse sehr stabil (Ist ja auf Wasserdruck ausgelegt).
Bitte Meinungen hierzu!
Mfg gechuki

).
Kommentar