Ankündigung

Einklappen
Keine Ankündigung bisher.

Visaton Weichen

Einklappen
X
 
  • Filter
  • Zeit
  • Anzeigen
Alles löschen
neue Beiträge
  • atbfrog
    Registrierter Benutzer
    • 14.07.2010
    • 95

    Visaton Weichen

    Mir wurde gesagt, dass man beim Weichenaufbau darauf achten sollte, dass man die Spulen nicht zu nahe nebeneinander platziert, wegen den Magnetfeldern usw.

    Ich hab zuerst die falsche Weiche die "Classic 200 GF" bekommen, dann haben sie mir die Weiche einfach angepasst statt ausgewechselt (oder der Händler) auf jeden fall sind da 2 Spulen recht nahe nebeneinander... finde ich. Ist das kein problem? Wie heikel ist das?
    Mir ist das nämlich noch bei anderen "Fertigweichen" aufgefallen, dass da nicht gross darauf geachtet wurde.
    Hier z.B. http://www.visaton.de/vb/showthread....ojekt+atlantis erster Beitrag

    und dass sind meine, wie man sieht wurde der letzte Elko überbrückt
    Klicke auf die Grafik für eine vergrößerte Ansicht

Name: DSC02306.jpg
Ansichten: 2
Größe: 80,3 KB
ID: 647314
  • Pansen
    Registrierter Benutzer
    • 12.04.2009
    • 1495

    #2
    Ich hab zwar keine Ahnung, aber ich glaube bei Kernspulen neben Luftspulen beeinflussen sich die Spulen eigentlich weniger.

    Korrigiert mich wenn ich falsch liege.
    boxsim-db.de - Datenbank für Boxsim-Projekte

    Kommentar

    • walwal
      Registrierter Benutzer
      • 08.01.2003
      • 28732

      #3
      Schön ist das nicht, am besten die kleine Luftspule kippen um 90 Grad.

      „Audiophile verwenden ihre Geräte nicht, um Ihre Musik zu hören. Audiophile verwenden Ihre Musik, um ihre Geräte zu hören.“

      Alan Parsons

      Kommentar

      • worcy
        Registrierter Benutzer
        • 27.09.2010
        • 62

        #4
        Dieser Link wurde schon an anderer Stelle gepostet, wenn du runterscrollst siehst du viele Bildchen die zeigen was man darf und was nicht. Habe nach dieser Anleitung noch nie Probleme gehabt (wobeis unklar ist ob ich die Probleme merken würde)

        http://www.troelsgravesen.dk/coils.htm

        Gruß Daniel

        Kommentar

        • atbfrog
          Registrierter Benutzer
          • 14.07.2010
          • 95

          #5
          oke danke. guter link! mmh ev kann ich aber die alte spule nicht mehr gebrauchen, da die kabel ja jetzt sehr kurz sind.. :/

          find ich etwas schade von Visaton.

          Kommentar

          • walwal
            Registrierter Benutzer
            • 08.01.2003
            • 28732

            #6
            Spule ablöten, kippen, kurzen Draht anlöten.

            Hat das Visaton so gemacht oder ein Händler?
            „Audiophile verwenden ihre Geräte nicht, um Ihre Musik zu hören. Audiophile verwenden Ihre Musik, um ihre Geräte zu hören.“

            Alan Parsons

            Kommentar

            • atbfrog
              Registrierter Benutzer
              • 14.07.2010
              • 95

              #7
              jooaaa... der Händler sagte, dass es Visaton war :P aaber dem glaub ich nicht mehr viel.

              obwohl bei der Atlantis (link oben) siehts ja noch schlimmer aus?!

              Kommentar

              • walwal
                Registrierter Benutzer
                • 08.01.2003
                • 28732

                #8
                Wie immer bei Industrieprodukten muss es preiswert herzustellen sein, dann kommt so was dabei raus. Auch, dass es keine ordentlichen Lötösen und klare Beschriftungen gibt.
                „Audiophile verwenden ihre Geräte nicht, um Ihre Musik zu hören. Audiophile verwenden Ihre Musik, um ihre Geräte zu hören.“

                Alan Parsons

                Kommentar

                • atbfrog
                  Registrierter Benutzer
                  • 14.07.2010
                  • 95

                  #9
                  tja... aber der rest sollte schon etwa passen?

                  hoffentlich schaffe ich es die 2.5mm2 kabel für die anschlüsse anzulöten :P mach ich sehr selten.
                  mmh, bei der spule nem ich einfach ein 1mm2 kupferdraht.. das spielt ja keine grosse rolle obs schön gemacht ist, kontakt ist kontakt?

                  Kommentar

                  • walwal
                    Registrierter Benutzer
                    • 08.01.2003
                    • 28732

                    #10
                    Nimm für den Weichenanschluss dünneres Kabel, 1,5 reicht völlig. Gut verzinnen und Lötkolben sehr heiß machen, dann geht es.
                    An der Spule 0,6-1mm.
                    „Audiophile verwenden ihre Geräte nicht, um Ihre Musik zu hören. Audiophile verwenden Ihre Musik, um ihre Geräte zu hören.“

                    Alan Parsons

                    Kommentar

                    • helli
                      Registrierter Benutzer
                      • 02.06.2006
                      • 877

                      #11
                      Wenn die beiden Spulen im gleichen Zweig liegen wuerd ich das einfach so lassen.
                      Im Link von worcy wird eine Abweichung von drei Prozent nachgewiesen - die meisten Spulen haben mehr Toleranz.

                      Kommentar

                      • atbfrog
                        Registrierter Benutzer
                        • 14.07.2010
                        • 95

                        #12
                        hmm, sie liegen nicht im gleichen kreis (wenn ich das richtige damit meine) die kleine ist vor dem HT und die grössere vorm MT...
                        ich machs sonst einfach... fürs Gewissen.

                        Kommentar

                        • jama
                          Registrierter Benutzer
                          • 19.07.2009
                          • 4888

                          #13
                          @atbfrog
                          von wem stammt diese weiche?
                          Angehängte Dateien
                          • ’’Freiheit ist das Recht, anderen zu sagen, was sie nicht hören wollen. ‘‘ George Orwell
                          • „Niemand ist frei, der nicht über sich selbst Herr ist. ‘‘ Matthias Claudius.

                          deutsch ohne "sz" ABER mit fehler, tchüss! Jean-Marc.

                          Kommentar

                          • atbfrog
                            Registrierter Benutzer
                            • 14.07.2010
                            • 95

                            #14
                            Also gesagt wurde mir ^^ von Visaton, Classic 200GF (zuerst die falsche) und dann wurde sie in eine Classic 200 umgebaut.

                            wie gesagt, ich glaube dem nicht mehr so viel.
                            Zuletzt geändert von atbfrog; 15.01.2011, 16:29.

                            Kommentar

                            • jama
                              Registrierter Benutzer
                              • 19.07.2009
                              • 4888

                              #15
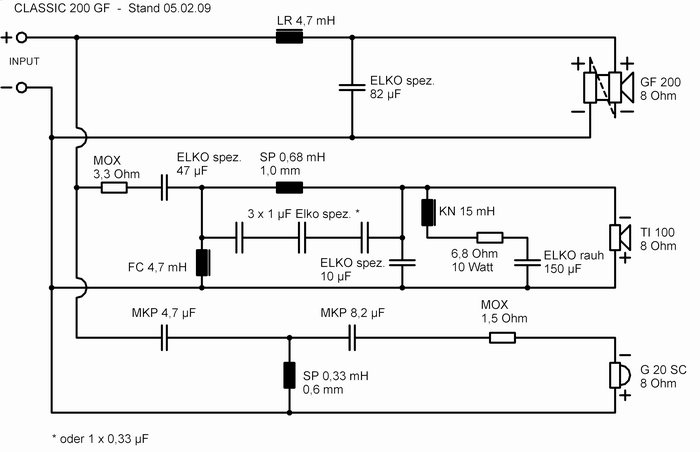
                              hier sind einmal die beide weichen (schema).

                              hat jemanden fotos von beiden offiziele weichen?

                              wenn du genügend übung hast ,würde ich dir raten die weichenteile auf ein holzplatt fixieren und sie durch ein 1,5mm2 kabel verbinden.

                              überprüfe die werte der moxwiderstände,die sind anders.
                              Angehängte Dateien
                              Zuletzt geändert von jama; 12.01.2011, 14:39.
                              • ’’Freiheit ist das Recht, anderen zu sagen, was sie nicht hören wollen. ‘‘ George Orwell
                              • „Niemand ist frei, der nicht über sich selbst Herr ist. ‘‘ Matthias Claudius.

                              deutsch ohne "sz" ABER mit fehler, tchüss! Jean-Marc.

                              Kommentar

                              Lädt...
                              X