Ankündigung

Einklappen
Keine Ankündigung bisher.

BG20 in Regallautsprecher mit 3 Sperrkreisen! Wie einfacher und besser?

Einklappen
X
 
  • Filter
  • Zeit
  • Anzeigen
Alles löschen
neue Beiträge
  • ChPuls
    Registrierter Benutzer
    • 17.01.2002
    • 737

    BG20 in Regallautsprecher mit 3 Sperrkreisen! Wie einfacher und besser?

    Hallo,

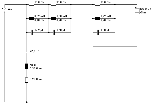
    ich hatte auch die Idee zu einem Regallautsprecher mit dem BG20 wie im Thread "BG20 zickt". Ich habe ersteinmal simuliert aber ich brauchte 3 Sperrkreise. Der Tiefton ist bei 30 Litern nicht sehr tief. Wenn man das Volumen vergrössert, kann man keine Regalbox mehr bauen. Die Boxsim-Datei:
    http://www.visaton.de/vb/attachment....1&d=1276701288

    Der Frequenzgang ist sehr gerade geworden:



    Natürlich braucht man in der Frequenzweiche dafür 3 Sperrkreise, dazu habe noch eine Impedanzlinearisierung ihnzugefügt:

    Angehängte Dateien
    Christian Puls
  • jama
    Registrierter Benutzer
    • 19.07.2009
    • 4888

    #2
    bild 1 3 sperrkreise; bild 2 : 1 sperrkreis
    Angehängte Dateien
    • ’’Freiheit ist das Recht, anderen zu sagen, was sie nicht hören wollen. ‘‘ George Orwell
    • „Niemand ist frei, der nicht über sich selbst Herr ist. ‘‘ Matthias Claudius.

    deutsch ohne "sz" ABER mit fehler, tchüss! Jean-Marc.

    Kommentar

    • jama
      Registrierter Benutzer
      • 19.07.2009
      • 4888

      #3
      cpuls
      die simu, deine und meine, sind freistehende simu.

      hier die simu als richtige regalbox...
      Angehängte Dateien
      • ’’Freiheit ist das Recht, anderen zu sagen, was sie nicht hören wollen. ‘‘ George Orwell
      • „Niemand ist frei, der nicht über sich selbst Herr ist. ‘‘ Matthias Claudius.

      deutsch ohne "sz" ABER mit fehler, tchüss! Jean-Marc.

      Kommentar

      • Gast-Avatar
        andik

        #4
        Hi,

        habe vorgestern abend mal Deine Weiche aufgebaut(erste Weiche mit 3Sperrkreisen, 0,68mH statt 0,82mH, hatte die nicht in der Bastelkiste, macht laut Simu keine Dramatische Änderung) und Probegehört, muss sagen sooo verkehrt kann die Weiche nicht sein, hatte keine grossartigen Änderungswünsche, allerdings meine ich das die Höhen trotzdem nicht ausreichend vorhanden sind, brauchte mit der Weiche jedoch nur noch um 3dB(statt 6dB) anheben ab 10kHz. Der Bass ohne Anhebung im 20Litergehäuse, wie wahrscheinlich auch im 30Literhehäuse, ist recht mager vorhanden ohne Anhebung, ein oder zwei Subs dazu oder das Bassmodul welches walwal letztens gefunden hat und tuningpaul getestet hat.
        Stimmen haben immer noch ihre volle Brust, vielleicht könnte man noch unterhalb 500 Hz etwas anheben, muss aber nicht sein, wäre interessant eine Messung dieser Kombi zu haben. Schlagzeug kommt sehr lebendig und je nach aufnahme mal kräftig, mal schwächer am Hörplatz an.
        Was man bemerken sollte ist die logischerweise korrekte Ausrichtung der LS auf die Ohren, auch sollte man genau zwischen den LS sitzen, nur weniger Zentimeter links oder rechts der Mitte und das Klangbild rutscht recht stark in diese Richtung ab. Ansonsten eine Klasse für sich.

        Kommentar

        • ChPuls
          Registrierter Benutzer
          • 17.01.2002
          • 737

          #5
          @ Andik
          Hast du ein Baßreflexgehäuse gehabt oder hast du es in dem geschlossenen Solo 20 Gehäuse ausprobiert?
          Der BG20 interessiert mich doch sehr. Schade, dass der BG17 nicht so gut geeignet ist, sonst könnte man sich eine gute kleine Regalbox damit bauen. Der BG17 hat ziemlich blöde Parameter.
          Ich wollte für meinen späteren Röhrenverstärker eine Box mit Breitbänder in Retrodesign, eigentlich etwas schöner nur mit alten Stilelementen.
          Christian Puls

          Kommentar

          • jama
            Registrierter Benutzer
            • 19.07.2009
            • 4888

            #6
            andik,
            wen im regal bekommst du mit deiner weiche diesen f-gang. (bild 1)

            optimiert geht es so: (bild 2)
            Angehängte Dateien
            • ’’Freiheit ist das Recht, anderen zu sagen, was sie nicht hören wollen. ‘‘ George Orwell
            • „Niemand ist frei, der nicht über sich selbst Herr ist. ‘‘ Matthias Claudius.

            deutsch ohne "sz" ABER mit fehler, tchüss! Jean-Marc.

            Kommentar

            • Gast-Avatar
              andik

              #7
              wen im regal bekommst du mit deiner weiche diesen f-gang.
              Wie in seiner Simu waren die LS freistehend, also ohne direkte Begrenzungsflächen.
              Hast du ein Baßreflexgehäuse gehabt oder hast du es in dem geschlossenen Solo 20 Gehäuse ausprobiert?
              Sind im geschlossenen Solo20 Gehäuse verbaut, mit Tiefbassanhebung spielen sie in Verbindung mit dem 33Hz-Boost meines Raums bis zu mittlerer Lautstärke ausreichend tief sodas ein Sub oder dergleichen nicht unbedingt nötig wäre. Bei höherer Lautstärke macht sich dann aber der recht geringe maximale Hub bemerkbar, die Chassis fangen "das Atmen" an, bei sehr hohen geforderten Lautstärken wird man ohne Bassunterstützung nicht auskommen.
              Ich wollte für meinen späteren Röhrenverstärker eine Box mit Breitbänder in Retrodesign, eigentlich etwas schöner nur mit alten Stilelementen.
              Na da bin ich ja mal auf Deine Unsetzung gespannt, CT240 lässt grüßen, den probier ich demnächst auch mal aus.

              Wobei man wie bekannt bei solchen Breitbandsimus vorsichtig sein sollte, CT247 glaub ich(Die kleine BR-Schreibtischbox mit dem FR10), die Messung hat mit der Simu recht wenig gemein, die sähe ohne den Sperrkreis besser aus, in der Simu bewirkt der Sperrkreis ein Mittental von satten 5dB, welches in der Messung auf Bezugsachse liegt. Andererseits liegt z.B. die Simu von der Solo20 mit TL16H nicht Lichtjahre entfernt weit weg von der Messung, trotzdem müsste hier nachgemessen werden, aber wie gesagt, brutal weit weg kann diese 3Sperrkreisweiche nicht sein.
              Zuletzt geändert von andik; 23.06.2010, 19:44.

              Kommentar

              • jama
                Registrierter Benutzer
                • 19.07.2009
                • 4888

                #8
                freistehend OK,aber der titel fang so an:
                BG20 in Regallautsprecher mit 3 Sperrkreisen!

                deswegen meine simu...

                regal or not regal?...shaker spiers
                • ’’Freiheit ist das Recht, anderen zu sagen, was sie nicht hören wollen. ‘‘ George Orwell
                • „Niemand ist frei, der nicht über sich selbst Herr ist. ‘‘ Matthias Claudius.

                deutsch ohne "sz" ABER mit fehler, tchüss! Jean-Marc.

                Kommentar

                • ChPuls
                  Registrierter Benutzer
                  • 17.01.2002
                  • 737

                  #9
                  Ich wollte mit Regallautsprecher nur auf die Größe hindeuten. Selbst meine derzeitigen Regallautsprecher stelle ich bei mir auf eine Kommode.

                  Eine Messung wäre aber sehr interessant. Aber ich jage bei so einem Projekt nicht jeder Abweichung hinterher, sondern lasse da kleine Abweichung im Frequenzgang zu.

                  Andik, kannst du die Box nicht mal irgendwo messen?!
                  Christian Puls

                  Kommentar

                  • Gast-Avatar
                    andik

                    #10
                    kannst du die Box nicht mal irgendwo messen?!
                    Da kommt mir nur Niwo in den Sinn, kann ihn mal anschreiben ob er am Sonntag Zeit und Lust hätte um sie mal kurz durchzumessen, er wohnt nicht weit von mir weg. Solang ich rechtzeitig wieder zuhaus bin um zu sehen wie wir die Engländer vom Platz fegen kein Problem.

                    Kommentar

                    • Gast-Avatar
                      andik

                      #11
                      Hallo,

                      ist leider nichts geworden mit der Messung, kam was dazwischen (von meiner Seite aus). Werd mich nun in Arta einarbeiten und selbst versuchen die Box irgendwie zu vermessen.

                      Kommentar

                      • ChPuls
                        Registrierter Benutzer
                        • 17.01.2002
                        • 737

                        #12
                        andik,

                        hast Du die Box schon durchmessen können? Ich bin einfach so gespannt.
                        Christian Puls

                        Kommentar

                        • Gast-Avatar
                          andik

                          #13
                          Hi,

                          noch nicht, bin grad dabei die Messbox aufzubauen und mich, wie Holland und Spanien, mit dem Artakompendium herumzuprügeln. Schätze Mitte/Ende nächster Woche wird es soweit sein.

                          Kommentar

                          • ChPuls
                            Registrierter Benutzer
                            • 17.01.2002
                            • 737

                            #14
                            Andik,

                            ist dein Mikro schon kalibriert? Du hattest ja wegen des Mikros in einem anderen Thread gefragt.
                            Wirst du am Wochenende messen und die Ergebnisse präsentieren?

                            Ich bin so gespannt.
                            Christian Puls

                            Kommentar

                            • Gast-Avatar
                              andik

                              #15
                              Das Messpack ist bestellt, weis nicht wann es kommt, ist die kalibrierte Ausführung von HiFi-Selbstbau, sobald es da ist geht es los, bin selbst gespannt was dabei herauskommt.

                              Kommentar

                              Lädt...
                              X