Ankündigung

Einklappen
Keine Ankündigung bisher.

Alto III alt

Einklappen
X
 
  • Filter
  • Zeit
  • Anzeigen
Alles löschen
neue Beiträge
  • Ralli d70
    Registrierter Benutzer
    • 07.03.2010
    • 3

    Alto III alt

    Hallo allerseits,
    habe folgendes problem, hatte jetzt ca. 15 jahre lang ein paar magnepan magnetostaten. leider hab gerade nicht das nötige kleingeld für ein paar neue, also musste ersatz her. ein freund hatte noch ein paar alto iii ohne c oder g.
    also her damit, einer der mitteltöner hatte gekratzt, ging ja garnicht.
    kratzen ist weg, war metallspäne im polspalt (heisst doch so, oder).
    aber auf die hochtöner komm ich nicht wirklich klar (dt 94), der is nicht der hammer, oder
    ich will: mehr auflösung, und klarere höhen.
    bändchen scheidet jawohl wegen des frequenzgangs aus.
    wie wäre es mit einem dsm 25 ffl oder so was.
    bringt das überhaut was.
    über vorschläge würde ich mich sehr freuen.
    Magnepan SGM (z.Z. Alto 3 alt), Technics A900 Referenz, AVR 4000, Onkyo Integra DX7711, Kimber KC-1, XLO 650 pro
  • jama
    Registrierter Benutzer
    • 19.07.2009
    • 4888

    #2
    von magnepan auf alto,...das wird schwer fallen!

    wen der dt94 im selben zustand ist wie der mitteltöner,dan sind die höhen mies.
    • ’’Freiheit ist das Recht, anderen zu sagen, was sie nicht hören wollen. ‘‘ George Orwell
    • „Niemand ist frei, der nicht über sich selbst Herr ist. ‘‘ Matthias Claudius.

    deutsch ohne "sz" ABER mit fehler, tchüss! Jean-Marc.

    Kommentar

    • MjoIIniR
      Registrierter Benutzer
      • 14.12.2007
      • 434

      #3
      Es gibt die alto III in einer version mit g20sc als hochtöner (nennt sich dann alto III G) geistert hier durchs forum. such mal danach.
      Tommy Emmanuel:
      There's more to life than what's on television

      Kommentar

      • jama
        Registrierter Benutzer
        • 19.07.2009
        • 4888

        #4
        hier ein vorschlag mit g20sc.
        in rot die weiche ânderung.
        Angehängte Dateien
        • ’’Freiheit ist das Recht, anderen zu sagen, was sie nicht hören wollen. ‘‘ George Orwell
        • „Niemand ist frei, der nicht über sich selbst Herr ist. ‘‘ Matthias Claudius.

        deutsch ohne "sz" ABER mit fehler, tchüss! Jean-Marc.

        Kommentar

        • UweG
          Registrierter Benutzer
          • 29.07.2003
          • 5683

          #5
          Für die Alto I / II gibt es auch einen Saugkreis für die DT94, der ihr viel von ihrer Schärfe nimmt, der passt aber bei einer Alto III sicher nicht. Bei der Alto IIIc wäre ein zusätzlicher Widerstand (kann ziemlich groß sein: 2,2 .. 4,7 Ohm) vor dem HT passend. Hat die Alto III die gleiche Weiche?
          Zuletzt geändert von UweG; 07.03.2010, 23:46.
          Boxsim ... wenn Lautsprechersimulation gelingen soll.

          Kommentar

          • Lars der 1.
            Registrierter Benutzer
            • 14.04.2006
            • 1067

            #6
            war in der alto 3 nicht eine 38er mitteltonkalotte anstelle des w100s verbaut? dmr130 oder so??

            edit: es könnte auch die dsm38ffl gewesen sein
            Fun is not a straight line!

            MfG Lars

            Kommentar

            • Ralli d70
              Registrierter Benutzer
              • 07.03.2010
              • 3

              #7
              Alto 3 alt

              Ja, genau da ist ne mitteltonkalotte drin verbaut.
              wie die heisst weiss ich leider auch nicht, leider.
              die übergangsfrequenzen von den dingern wären echt hilfreich.
              hab da schon stunden nach gegoogelt aber nix zu finden oder zu dumm.
              würde ja schon gerne Bändchen benutzen oder bringt das nix.
              würde auch ne neue weiche bauen.
              danke für eure antworten
              Magnepan SGM (z.Z. Alto 3 alt), Technics A900 Referenz, AVR 4000, Onkyo Integra DX7711, Kimber KC-1, XLO 650 pro

              Kommentar

              • Klampfi
                Registrierter Benutzer
                • 02.02.2007
                • 416

                #8
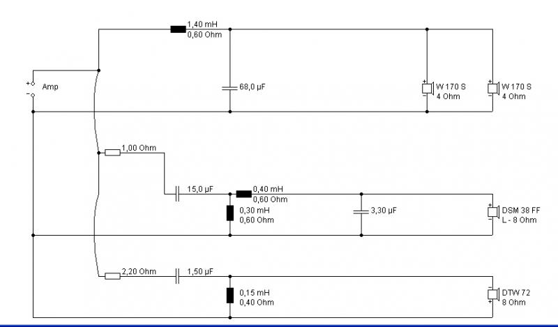
                ...in der Alto III alt war eine 38er Gewebekalotte als Mitteltöner verbaut und sowas wie der DTW72...

                Im Anhang zu sehen: die damalige Frequenzweiche ...
                davon abgesehen, wenn es sich wirklich um die 4Ohm Variante handelt, dann ist das ´ne echt Baustelle, egal welcher HT da rein kommt...
                Angehängte Dateien

                Kommentar

                • Ralli d70
                  Registrierter Benutzer
                  • 07.03.2010
                  • 3

                  #9
                  Alto 3 alt

                  hab gerade die modifikation zur alto iii g gelesen. der g 20 sc soll ja echt besser (nicht so spitz) klingen.
                  das ist ja nicht so ein riesen aufwand, obwohl das war aufrüsten von w 100s version , hab ja die kalotte.
                  mal sehen, wie es weiter geht. die räumlichkeit meiner magnepan werd ich wohl nie damit hinbekommen.
                  werde mal schauen was ein paar gebrauchte elektostaten kosten, werden aber mit sicherheit im der nächsten zeit nicht drin sein (neues auto, neue glotze,ps3 und dann lautsprecher kaputt, super sache)
                  Magnepan SGM (z.Z. Alto 3 alt), Technics A900 Referenz, AVR 4000, Onkyo Integra DX7711, Kimber KC-1, XLO 650 pro

                  Kommentar

                  • jama
                    Registrierter Benutzer
                    • 19.07.2009
                    • 4888

                    #10
                    sowiso:
                    also her damit, einer der mitteltöner hatte gekratzt, ging ja garnicht.
                    kratzen ist weg, war metallspäne im polspalt (heisst doch so, oder).


                    wen es den dsm38ffl ist ,dann war ferrofluid drin...
                    • ’’Freiheit ist das Recht, anderen zu sagen, was sie nicht hören wollen. ‘‘ George Orwell
                    • „Niemand ist frei, der nicht über sich selbst Herr ist. ‘‘ Matthias Claudius.

                    deutsch ohne "sz" ABER mit fehler, tchüss! Jean-Marc.

                    Kommentar

                    • VISATON
                      Administrator
                      • 30.09.2000
                      • 4529

                      #11
                      In der Alto III war nicht die DSM 38 FFL sondern eine 38er Gewebekalotte. Ich glaube, sie war ähnlich der DM 115 NG.
                      Admin

                      Kommentar

                      • Lars der 1.
                        Registrierter Benutzer
                        • 14.04.2006
                        • 1067

                        #12
                        ja, stimmt die dsm war ja auch eckig und in der alto 3 war ja eine rund schwarze kalotte verbaut.
                        Fun is not a straight line!

                        MfG Lars

                        Kommentar

                        • UweG
                          Registrierter Benutzer
                          • 29.07.2003
                          • 5683

                          #13
                          So hoch wie da der HT getrennt ist reicht es doch wahrscheinlich einfach, ihm etwas Pegel zu nehmen um ihm die Schärfe zu nehmen.
                          Boxsim ... wenn Lautsprechersimulation gelingen soll.

                          Kommentar

                          Lädt...
                          X